Sziasztok!
Szétszállt az 5 lábú DP502T IC mert felfujódott a 100uF/400V, nem lehet beszerezni, igy helyettesitenem kellett.
Talaltam egy orosz oldalon FSDM07652RB-vel megoldást (ez 6 lábu).
-kiiktatva a 2x270k
-pin5 nem bebötve
-1uF kidob és 75k beköt pluszra.
-még 1 db 1N4148 (2. kép módositás-logikátlan)
De nekem terheletlenül 5V helyett 4,65V van, a másik feszültség 12,6V.
Bekapcsolva leesik 3,3V-ra a másik meg 6-7V ra, és pulzál is.
Külön 5V-ot adtam, akkor mukodik a scaler LED is világít. Tehát csakis a tápegység hiba van.
A 3. lábon 11-15Vig ugrál a táp IC táplálása.
Cseréltem TL431-et, optokoplert, Sec. elkók ESR-re jók, primer 33uF-akat már valaki cserélte (22uF+10uF), mérve azok is jók. Trafó lábai nem szakadtak. 75k helyett 68k/2W-t tettem , de nem hiszem hogy az számit.
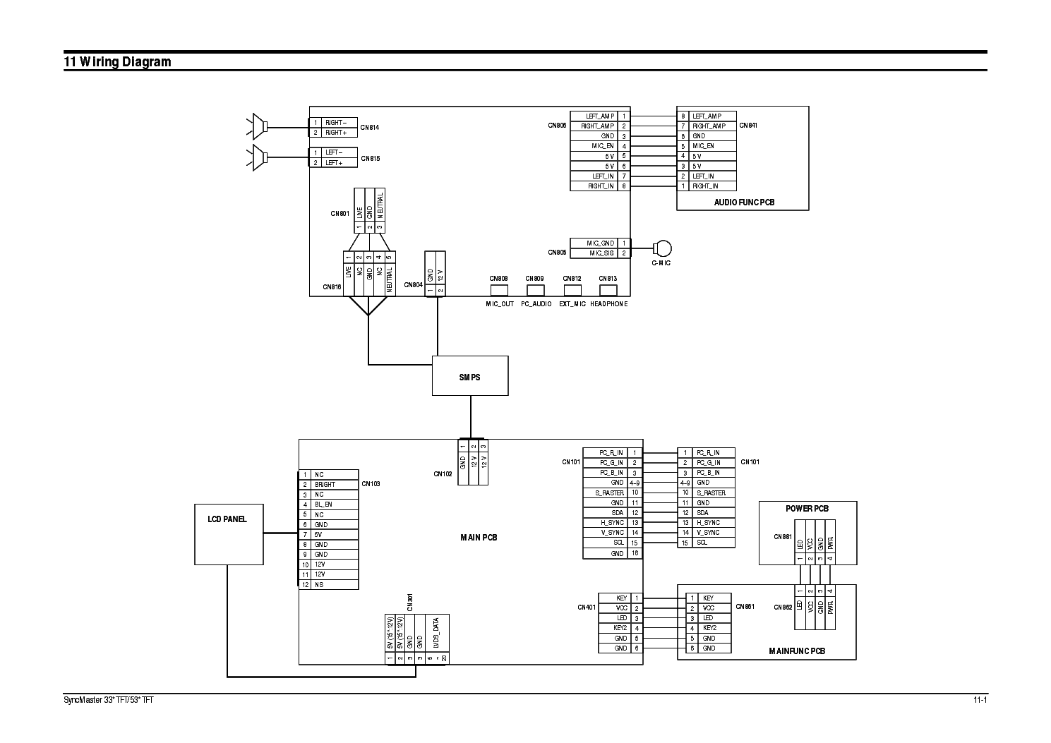
Rajz nincs a SM-ban

Szevasztok
Keresztfiam monitorja beadta az unalmasat kinyitva 6db 820/25 mikrós kondi felfujta magát,kérdésem az lenne,kilehet e ezt 1000 sekre cserélni,mert ilyen van ithol.
Sziasztok, van egy Samsung Syncmaster 214T monitorom. Bekapcsolas utan 2-3 mp-ig van kep, utana a monitor lekapcsol. Ahogy lattam, ebben 6 lampa van, 2-2 egy nagy csatlakozoval, es 1-1 kulon egy kis csatlakozoval. Ha lehuzom a kulonallo lampakat, kep csak kb 1mp-ig van, nagyon hamar lekapcsol a monitor. Ebbol arra kovetkeztetek, hogy a lampak eloregedtek, tul keves a fogyasztasuk, es a vedelem lekapcsolja a monitort. Lampacseren kivul letezik erre megoldas? Mondjuk egy parhuzamos ellenallas beiktatasa?
Sziasztok!
Tanácstalan vagyok ezzel a monitorral. Ha nincs csatlakoztatva jel kábel, a No Signal felirat szépen vándorol rajta.
Azonban ha jelet kap akár VGA akár HDMI bemenetről, azonnal készenlétbe áll.
A tápegység jó, terhelést bírja. Másik táppal ugyanez a jelenség.
Megpróbálnám az SPI flash újraírását, de nem találok dump fájlt hozzá. A remont-aud nem enged letölteni, ha küldök be kimentett dumpokat - nem adnak pontot.
Több helyen van 24c dump a vga és a hdmi bemenethez, de nekem egyik sem működik - és a számítógép látja a típusát.
A samsung firmware updater nem frissíti, azt írja hogy már a legfrissebb firmware van rajta.
Köszönöm!