Service manuals, schematics, eproms for electrical technicians

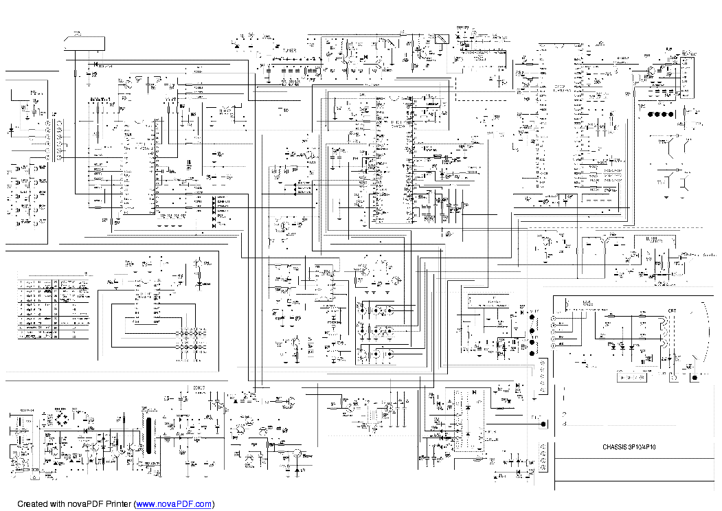
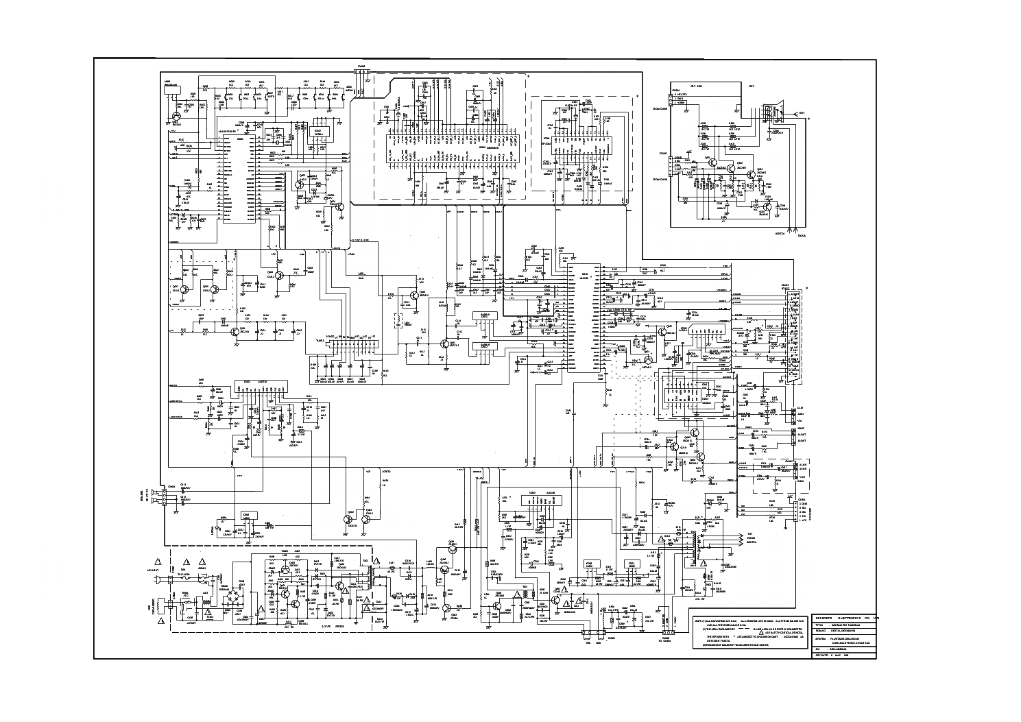
SATURN BEKO CHASSIS M36 SCH

TV - SERVICE MANUAL
Type: (PDF)
Size
1.5 MB
Page
1
Category
TV
SERVICE MANUAL
If you get stuck in repairing a defective appliance download this repair information for help. See below.
Good luck to the repair!

Please do not offer the downloaded file for sell only use it for personal usage!

Looking for similar saturn manual?
Document preview [1st page]
SATURN BEKO CHASSIS M36 SCH service manual (1st page)
Preview of SATURN BEKO CHASSIS M36 SCH [1st page]
Click on the link for free download!
Advertisements
Download free of charge (10 files / day):
Download is being processed. Please wait...
Download processing...
  • Also known:
    SATURN BEKO CHASSIS M-36 M36 36
  • If you have any question about repairing write your question to the Message board. For this no need registration.
  • If the site has helped you and you also want to help others, please Upload a manual, circuit diagram or eeprom that is not yet available on the site.
    Have a nice Day!
  • See related repair forum topics below. May be help you to repair.
Warning!
If you are not familiar with electronics, do not attempt to repair!
You could suffer a fatal electrical shock! Instead, contact your nearest service center!

Note! To open downloaded files you need acrobat reader or similar pdf reader program. In addition, some files are archived,
so you need WinZip or WinRar to open that files. Also some files are djvu so you need djvu viewer to open them.
These free programs can be found on this page: needed progs
If you use opera you have to disable opera turbo function to download file!
If you cannot download this file, try it with CHROME or FIREFOX browser.
Translate this page:
Relevant TV forum topics:
Gericom G3201 Saturn (G) STP21-32LLGR csak Stby van (Megoldva)
Üdv. Mindenkinek! A fejlécben szereplő 32"-os LCD-ről nem találtam semmilyen rajzot. Stb van, a kezelő nyomógombjai működnek ( 3V->0V mérhető ), de a táp rész nem kap stby-ból normál üzemre indító jelet. A kezelő IC egy Pixelworks gyártmányú BGA, még a lábaira sem tudok rámérni. Látott már valaki ilyen típusú TV-t? Esetleg szervizkönyvvel,( kapcs. rajzzal) tud valaki segíteni? A keresőbe egy hete feltettem de nem jutottam előbbre. Töltök fel néhány képet hátha így könnyebb felismerni. Előre is köszönök minden segítséget. Tibor Üdv. Mindenkinek, Jimmy segítségével sikerült vezérlő modulhoz + távszabihoz jutnom. Mint kiderült G3201 a rendes típusszám. Hátha valaki más is találkozik még ilyennel. Üdv. Tibor
Saturn M113Chassis hibás táp. Megoldva.
Szevasztok Hoztak ma egy ilyen csodát,álitólag itt volt összeszedve,mert ciril az irás a hátulján,szóval gazda mondta hol bekapcsolt hol ki na most az van bizti rövid táp fet egyenes primer oldalt átnéztem semmit nem láttam benne ami hibás szakadt lene,ugy néztem ezt a MC44608p40 es ict mérni sem lehet mig a táp elnem indul,de akkor meg már minek,szóval uj fet bele,bizti helyett 150 es égő,ahogy szoktam,bekapcs valami tized secundumos nyögés egy kattanás,mintha a táp trafóból jött volna,és a lámpa teljes fénnyel világit,kicseréltem az ic t is ujfet bele,bekapcs után hallatszott hogy gyorsan kattog, dolgozik a védelem,aztán is mét kattanás és ugyan az a sztori,kiment a az ic is meg a tranyó is,valami tanácsot adjatok,azért égőn keresztül eddig nem verte ki sem az ic t,sem a tranzisztort,mi a fene van ezzel,nekidurálom magam megint átnézem a primrer oldalt,hát ha valami elkerülte a figyelmemet. A secundert is átnéztem,de semmi nem mutat zárlatot,sortranzisztor jó.
Similar manuals:
If you want to join us and get repairing help please sign in or sign up by completing a simple electrical test
or write your question to the Message board without registration.
You can write in English language into the forum (not only in Hungarian)!

E-Waste Reduce