Service manuals, schematics, eproms for electrical technicians

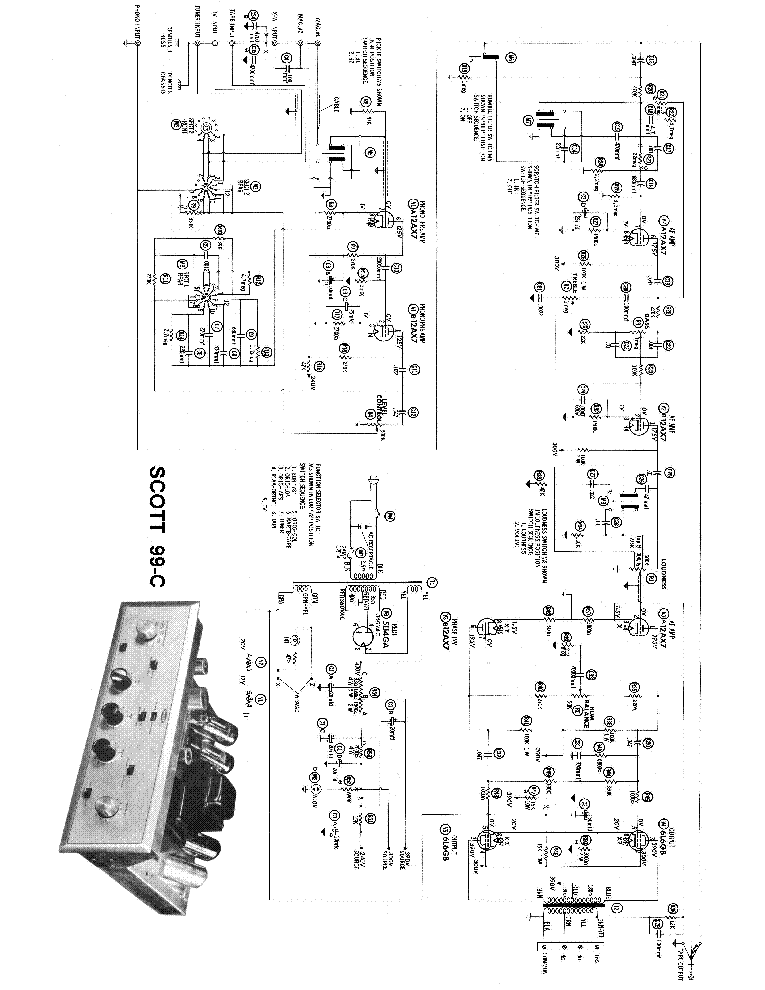
SCOTT 290 INTEGRATED AMPLIFIER SCH

AUDIO - SERVICE MANUAL
Type: (JPG)
Size
290.3 KB
Page
---
Category
AUDIO
SERVICE MANUAL
If you get stuck in repairing a defective appliance download this repair information for help. See below.
Good luck to the repair!

Please do not offer the downloaded file for sell only use it for personal usage!

Looking for similar scott manual?
Document preview [1st page]
No preview item


No preview item for this file.

Possible causes:
  • No preview picture generated yet.
  • It is not a pdf file.
Advertisements
Download free of charge (10 files / day):
Download is being processed. Please wait...
Download processing...
  • Also known:
    SCOTT AMPLIFIER 290 INTEGRATED
  • If you have any question about repairing write your question to the Message board. For this no need registration.
  • If the site has helped you and you also want to help others, please Upload a manual, circuit diagram or eeprom that is not yet available on the site.
    Have a nice Day!
  • See related repair forum topics below. May be help you to repair.
Warning!
If you are not familiar with electronics, do not attempt to repair!
You could suffer a fatal electrical shock! Instead, contact your nearest service center!

Note! To open downloaded files you need acrobat reader or similar pdf reader program. In addition, some files are archived,
so you need WinZip or WinRar to open that files. Also some files are djvu so you need djvu viewer to open them.
These free programs can be found on this page: needed progs
If you use opera you have to disable opera turbo function to download file!
If you cannot download this file, try it with CHROME or FIREFOX browser.
Translate this page:
Relevant AUDIO forum topics:
Technics SU-8080 erősítő jobb oldal torzít _Megoldva!
40 éves készülék, régi vágyam volt, most megvan. A jobb csatorna torzít. Ha a bemenetre színuszjelet adok, a jobb csatorna jelalakjának alja torzul. Az előrerősítő modul potijain állítva a jelalak felveszi a színuszt, de ha növelem a hangerőt , akkor ismét torzul a kimeneti színusz alsó hulláma. Ötleteket várok, és mindenképpen írom a végeredményt. A végfokot ellátó 2-2 db 10.000uF elkó mindenképpen cserélve lesz már úton vannak. 

Hiba oka. A végfokhoz A,B,C,D,E pontokon csatlakozó “Power limiter”  áramkörben zárlatos volt a 2SA777 pnp tranzisztor, és az egyik MA150 dióda. Emiatt ez a szabályzó áramkör fals jelet vitt a vegfok jelébe. átmeneti megoldásként, a tranzisztort BC327-tel, ( más éppen nem volt ) cseréltem, a dióda is cserlve lett. Hibátlanok a jelalakok. 
Panasonic SA-HT520 nincs hang
Sziasztok! Van egy Panasonic SA-HT520 Home Theater szólt egy darabig azután kattant egyet és azóta tök süket. A vezérlő egysége nem ír ki semmilyen hibakódot, látszólag jó csak az Active Subwoofer nem szólal meg. Lehet végfok IC?
Clarion PU-2472B cd-fej hiba vagy kosz vagy egyeb? - MEGOLDVA -
Sziasztok! Hoztak javitani egy, a fenti tipusu autoradiot. Az alapveto hibaja, hogy nem adta ki es nem vette be a lemezt. Termeszetesen a cd-mechanikan volt egy muanyag ful eltorve. Ezt megjavitottam, lencset megtisztitottam, latszott is rajta, hogy mar eppen ideje volt. Ezutan kiprobaltam egy olyan gyari lemezzel, amelynek olyan volt a felulete, mint a magas tatra :D Nem mindig olvasta, kicsereltem egy masik, de irott lemezre. Ezt elsore olvasta, folyamatosan jatszotta le, leptetni is lehetett, korrektul ment. Aztan kb fel ora hallgatas utan, lejatszas kozben kivettem a lemezt, majd ujra betettem es attol kezdve akarhanyszor tettem be a lemezt, egyszer sem ismerte fel, nem inditotta el a lejatszast, kis ido multaval kiadta a lemezt. Azota csak annyi idom volt, hogy szemrevetelezessel megallapitsam, nem forgatja meg a lemezt. Jobban nem bonyolodtam meg bele. Mi lehet iyenkor a hiba? Megpusztult volna a led? Ilyen hirtelen? Vagy jobban, teljesen szet kellene szedni a fejet es ugy kitakaritani, nem csak a lencset? Ha nem forog a lemez, akkor a lezer sem latja a lemezt, tejat vagy nincs sugaram vagy nem fokuszal a lencse? Jol gondolom? Na, megint vannak kerdeseim... esetleg valakinek ilyen lezerfej? Koszi hogy elolvastad! Udv! Imre
xlr rca átalakitás
Hello Mindenkinek! Egy kis segitséget kérnék . Van egy szimetrikus kimenetü (XLR) DAC-om, az erősitőm meg asszimtrikus (RCA)bemenetü. Hogy lehetne ezt a problémát megoldani minőségvesztés nélkül? Az xlr-rca adaptert azt ismerem, más megoldást keresek. Köszi :Hege.
Similar manuals:
If you want to join us and get repairing help please sign in or sign up by completing a simple electrical test
or write your question to the Message board without registration.
You can write in English language into the forum (not only in Hungarian)!

E-Waste Reduce