Service manuals, schematics, eproms for electrical technicians

VIKING 47-43 ELECTROHOME EM52-417 Z RADIO SM

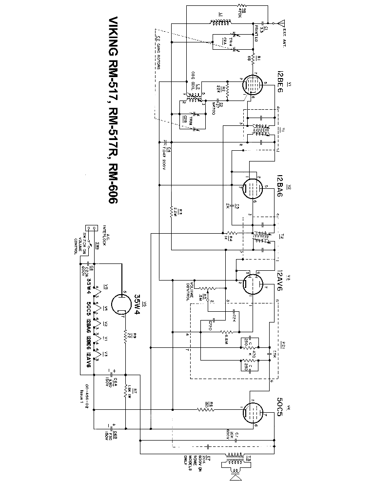
AUDIO - SERVICE MANUAL
Type: (PDF)
Size
742.6 KB
Page
2
Category
AUDIO
SERVICE MANUAL
If you get stuck in repairing a defective appliance download this repair information for help. See below.
Good luck to the repair!

Please do not offer the downloaded file for sell only use it for personal usage!

Looking for similar viking manual?
Advertisements
Document preview [1st page]
VIKING 47-43 ELECTROHOME EM52-417 Z RADIO SM service manual (1st page)
Preview of VIKING 47-43 ELECTROHOME EM52-417 Z RADIO SM [1st page]
Click on the link for free download!
Document preview [2nd page]
VIKING 47-43 ELECTROHOME EM52-417 Z RADIO SM service manual (2nd page)
Preview of VIKING 47-43 ELECTROHOME EM52-417 Z RADIO SM [2nd page]
Click on the link for free download!
Advertisements
Please tick the box below to get download link:
  • Also known:
    VIKING EM-52417 RADIO 4743 EM52417 EM 52417 47 43 EM52 417 47-43 EM52-417
  • If you have any question about repairing write your question to the Message board. For this no need registration.
  • If the site has helped you and you also want to help others, please Upload a manual, circuit diagram or eeprom that is not yet available on the site.
    Have a nice Day!
  • See related repair forum topics below. May be help you to repair.
Warning!
If you are not familiar with electronics, do not attempt to repair!
You could suffer a fatal electrical shock! Instead, contact your nearest service center!

Note! To open downloaded files you need acrobat reader or similar pdf reader program. In addition, some files are archived,
so you need WinZip or WinRar to open that files. Also some files are djvu so you need djvu viewer to open them.
These free programs can be found on this page: needed progs
If you use opera you have to disable opera turbo function to download file!
If you cannot download this file, try it with CHROME or FIREFOX browser.
Translate this page:
Relevant AUDIO forum topics:
VIDEOTON DCR 3090
Sziasztok kedves tanya lakók! A fent említett hangfalat kaptam egy ismerősömtől ajándékba :taps2:.Természetesen perem már egyik hanszórón sem volt :weep: :De már meg van peremezve a hangszórók meg csináltam :yes: , de valami még nem kóser vele :weep: .Már olvastam fórumokat erről a tipusról háát :doubt: nem nagyon díjazták :hmmm: .Az a próblémám már csak, nagyon kevés a MAGAS hangok (magashiány) hangszórók mind eredetiek!!! A magas egy téglalap alakú HG 1,9 dóm csipogó talán meg is egyezik AB 1011-es autóbox-éval.Szeretnék tanácsot kérni aki ismeri ezt a tipust, hogy milyen magas lenne bele az igazi :roll: vagy lehet a váltón valamit variálni hogy meg szünnyön a magas hiány? ;) tanácsokat előre is köszönöm!! ÜDV!! Zsolt
S53AMI D Class modul kiváltása
Sziasztok! Van itt egy Infinity BU80 aktív subwoofer, amiben van egy S53AMI modul, függőlegesen beleforrasztva. Ez tulajdonképp az egész végfok, de diszkrét elemekből megépítve, alu házban, gyantával kitöltve. Találtam rajzot hozzá, de azért mégsem teljesen stimmel minden, mert a service manual végén található modul, és az, ami ebben van nem tök azonos, ez vezetősávokkal van beforrasztva, a mellékelt meg tüskesoros megoldású. Ahogy visszakövetem, az egyik FET biztos zárlatos. Egyéb gyanús eltérések is vannak. Lehet egyben ilyen modult szerezni? vagy foglalkozot már valaki ennek a kiváltásával? millió találatot ad a google, de mindenki csak nyög, hogy rossz :) konkrétum semmi. Ugyan ez a modul van gyakorlatilag "mindenben", ami hasonló. BOSE, JBL, HK, Infinity, amiket találtam. Futott már bele valaki ebbe a kiváltásba? így néz ki: http://www.njuskalo.hr/slika-big-3183168.jpg (az a fekete függőleges valami) Az a baj, hogy mást nem lehet beépíteni a házba, mert mivel ez D Class, a hűtés gyakorlatilag nincs. Borda nincs. Trafó pici, mert jó a hatásfok. Készenléti táp nincs, megy az egész mindig, mert nagyon pici a nyugalmi fogyasztás. Maga a modul biztos javítható lenne, ha ki lehetne oldani valahogy a fekete epoxy-t, amivel ki van öntve egy nagy kockává. De azt tudomásom szerint nem lehet kioldani, javítsatok ki, ha tévedek. Rendes TO220 FET, normál huzal lábú alkatrészek vannak benne, ahogy alulról belátni. itt a SM hozzá: http://elektrotanya.com/infinity_bu80_bu80e_hts-10_sm.pdf/download.html Minden tippet köszönök!
AVA Model 2A csöves végfok beállítása
Sziasztok ! Szeretnék segítséget kérni, hogy pontosan mi a menete a képen látható AVA Model 2A végfok beállításának, a végfok csövek 2-2 db párhuzamosan push pullba kapcsolt EL84, a katód áram a gyártó ajánlása szerint 30 mA. Gondolom az egyik potival a negatív elő feszültség nagyságát állítom a másikkal pedig a két oldal szimetriáját lehet beállítani. Ez a 30mA csövenként vagy oldalanként értendő. Illetve mi a beállítás pontos menete ? Előre is köszönöm a válaszokat. Üdv: Antal
Telefunken Concerto Hi-Fi 101 asztali rádió rajzát keresm,megoldva köszönöm
Sziasztok. A fentnevezett rádiót nemrég kaptam. Kisebb kontakthibáktól eltekintve működik,csak szerintem kicsi az érzékenysége(egy Videoton Kleopátra helyére került). Szeretném eltolni a vételi lehetőségét, a jelenlegi 104 MHz-től 108 MHz-ig, ha lehet. A radiomuseum.org linken megtaláltam a leírását és a rajz is megvan,csak nem tudom letölteni. Ha valaki tudja hogyan lehet letölteni, vagy tag ezen az oldalon és tud segíteni megköszönöm. A rajzokat megkaptam köszönöm a gyors segítséget,remélem boldogulok a rádióval is. "Rajzot, service manualt, jobbra a "Keresem/WANTED" doboz "KATT IDE" gombján keresztül kérj!"
Similar manuals:
If you want to join us and get repairing help please sign in or sign up by completing a simple electrical test
or write your question to the Message board without registration.
You can write in English language into the forum (not only in Hungarian)!

E-Waste Reduce