Service manuals, schematics, eproms for electrical technicians

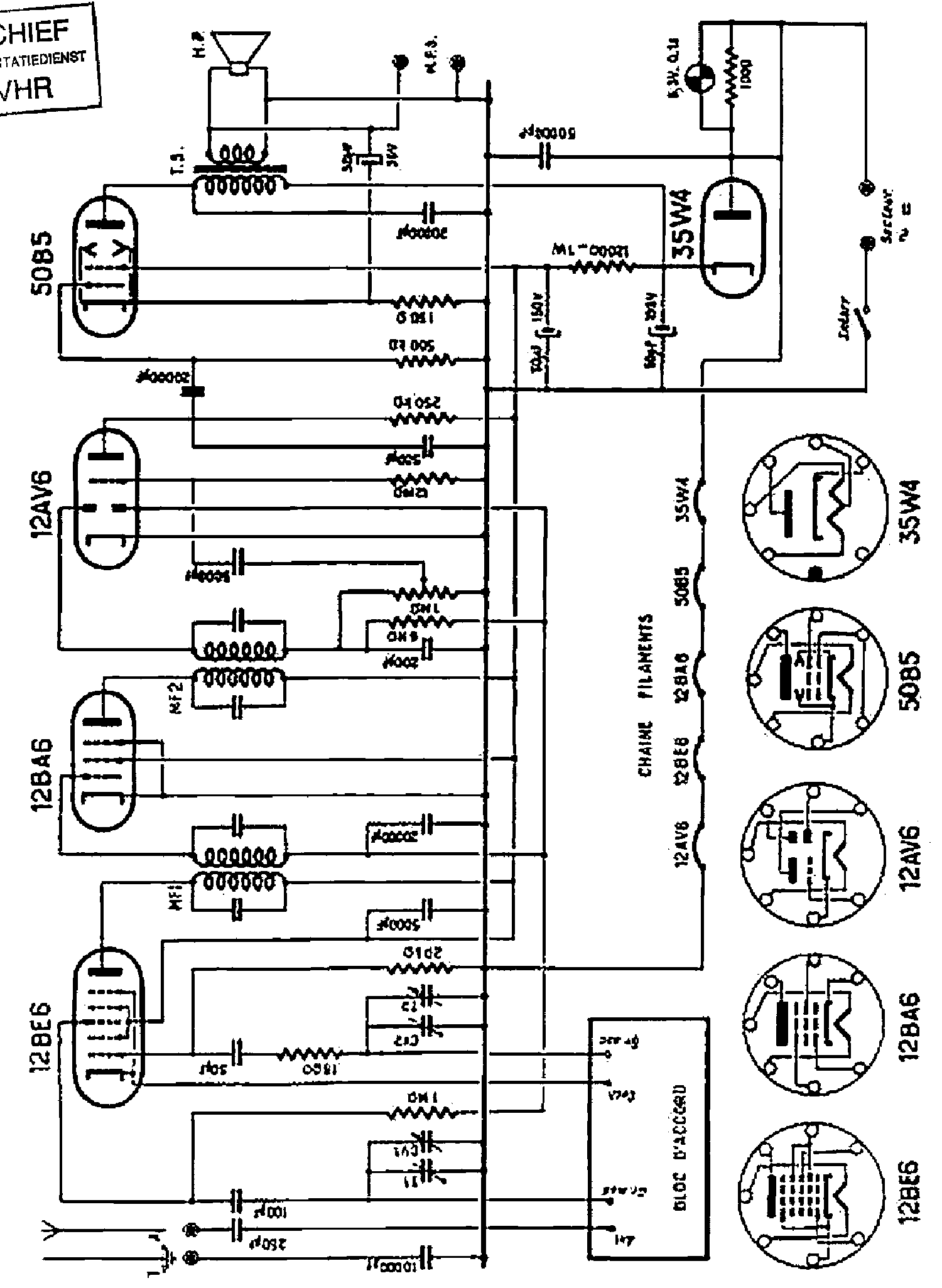
ZODIAC JAZZ5 AC-DC RECEIVER SCH

AUDIO - SERVICE MANUAL
Type: (PDF)
Size
44.9 KB
Page
1
Category
AUDIO
SERVICE MANUAL
If you get stuck in repairing a defective appliance download this repair information for help. See below.
Good luck to the repair!

Please do not offer the downloaded file for sell only use it for personal usage!

Looking for similar zodiac manual?
Document preview [1st page]
ZODIAC JAZZ5 AC-DC RECEIVER SCH service manual (1st page)
Preview of ZODIAC JAZZ5 AC-DC RECEIVER SCH [1st page]
Click on the link for free download!
Advertisements
Download free of charge (10 files / day):
Download is being processed. Please wait...
Download processing...
  • Also known:
    ZODIAC JAZZ-5 RECEIVER JAZZ5 ACDC JAZZ AC DC AC-DC
  • If you have any question about repairing write your question to the Message board. For this no need registration.
  • If the site has helped you and you also want to help others, please Upload a manual, circuit diagram or eeprom that is not yet available on the site.
    Have a nice Day!
  • See related repair forum topics below. May be help you to repair.
Warning!
If you are not familiar with electronics, do not attempt to repair!
You could suffer a fatal electrical shock! Instead, contact your nearest service center!

Note! To open downloaded files you need acrobat reader or similar pdf reader program. In addition, some files are archived,
so you need WinZip or WinRar to open that files. Also some files are djvu so you need djvu viewer to open them.
These free programs can be found on this page: needed progs
If you use opera you have to disable opera turbo function to download file!
If you cannot download this file, try it with CHROME or FIREFOX browser.
Translate this page:
Relevant AUDIO forum topics:
Rotel RA1592 doesn't start
does not start up
Laney LX120H gitárerősítő lábkapcsolója
Kedves Kollégák! Alvászavar ellen beszereztem egy ilyen fejet, de nincs hozzá lábkapcsolónk. Rajzom sincs. Elképzelhető, hogy csak egyszerű rövidzárat ad, de jó volna pontosan ismerni. Minden használható ötletet (ESETLEG RAJZOT AZ ERŐSÍTŐRŐL!!!) köszönettel fogadok! stonhy
Panasonic CQ-RX300 autórádió táp ic (AN34001A) probléma
Sziasztok! Segítségre/tanácsra lenne szükségem egy Panasonic CQ-RX300 usb-s autórádióval kapcsolatban. Az említett típusú autórádió úgy került hozzám, hogy nem volt benne cd-mechanika és nem is indult el. Szétszedtem és a táp ic szemmel láthatóan elszállt (AN34001A). Az iso kábelen a remote szál szigetelése sérült volt, szerintem becsíptették és letestelt a 12v kimenet, és kivégezte az ic-t. Rendeltem másikat, kicseréltem. Most sem reagál semmire. Kérdésem az lenne, tudja-e valaki, hogy elindul -e cd-mechanika hiányában, mert nekem tökéletes lenne usb-ről! A baj hogy alap/standby állapot sincs, nem világít még a bekapcsoló gomb sem. IC751 (AN34001A): 1 láb sw 5,1v - nincs rajt fesz 3 Acc 6,4v - megvan 2 5,2v - megvan (ha ráteszem az előlapot leesik 2,8v-ra) 4 Vdd 5v - megvan (ha ráteszem az előlapot leesik 2,3v-ra) 9 Vcc +14v - bejövő táp megvan 12 dsp 3,3v - megvan 15 lcd illum.9,5v - nincs fesz 16 GND 7 cd 8v - nincs 13 audio 9,1v - nincs előlap csatlakozó: 5 Vdd - megvan (ha ráteszem az előlapot leesik 0,6v-ra) 10 - 1,2V van más fesz ezen a csatin nem mérhető, 15-ös láb világítás 10V sincs. CD mechanika csatlakozóján 22-es CD_3,3v lábon a 3,3v megvan. Egyenlőre tovább nem jutottam, de nem is nagyon tudom mit nézzek még meg. Köszönöm a segítségeteket! Üdv mindenkinek: Krisztián http://elektrotanya.com/panasonic_cq-rx300w_rx200w_rx105w_rx102w_rx101w.pdf/download.html http://www.hqelektronik.hu/datasheet/33/3353.pdf Miért nem írod be a típust a címbe????? Legközelebb felfüggesztem!! Kalex "(olyan fórum téma megnevezést/elnevezést válassz, ami beszédes, minél pontosabban illeszkedik arra, amivel kapcsolatban írsz. pl: ORION LCD PT26S chassis 17MB12-2 nem indul ) Az pl. nem elég, hogy "LG RE" vagy "Cuccok!!!" és így tovább... Comprende!?"
Keresek CXA1081S-t
Sziasztok! Keresek a címben szereplő, bontott ic-t. Tudom, hogy a S-ben van, de nekem emberi áron kellene. Sony CD lejátszó elektronikákban szokott előferdülni.
If you want to join us and get repairing help please sign in or sign up by completing a simple electrical test
or write your question to the Message board without registration.
You can write in English language into the forum (not only in Hungarian)!

E-Waste Reduce