Service manuals, schematics, eproms for electrical technicians

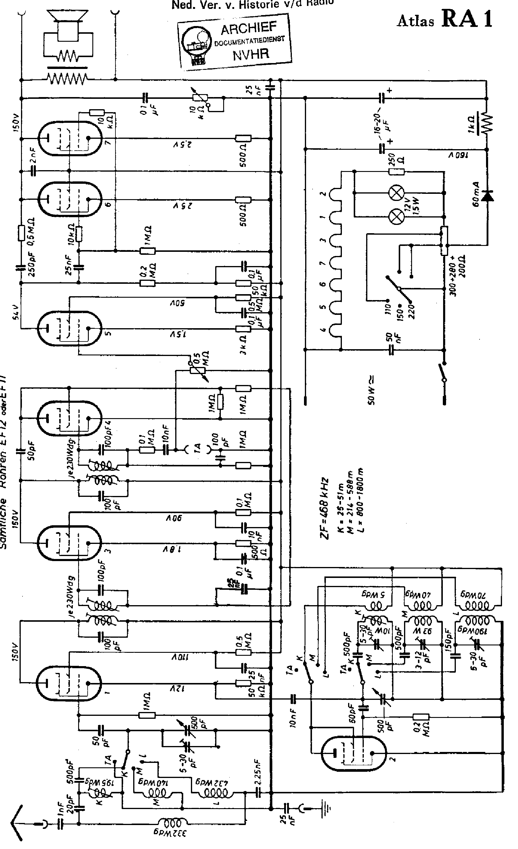
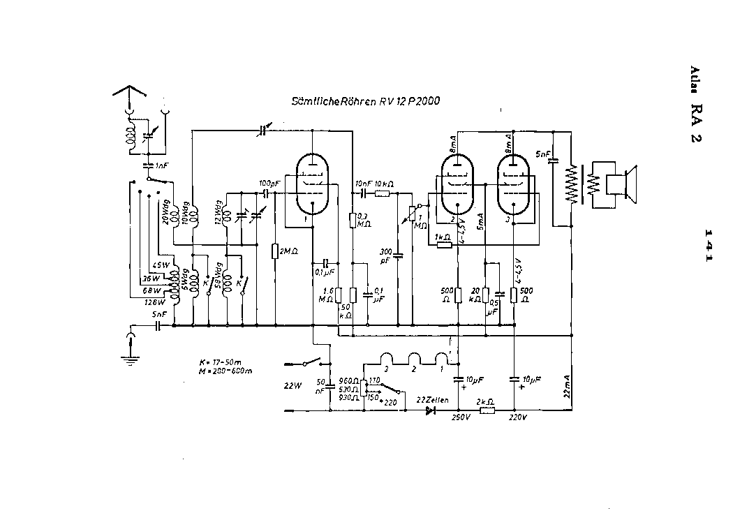
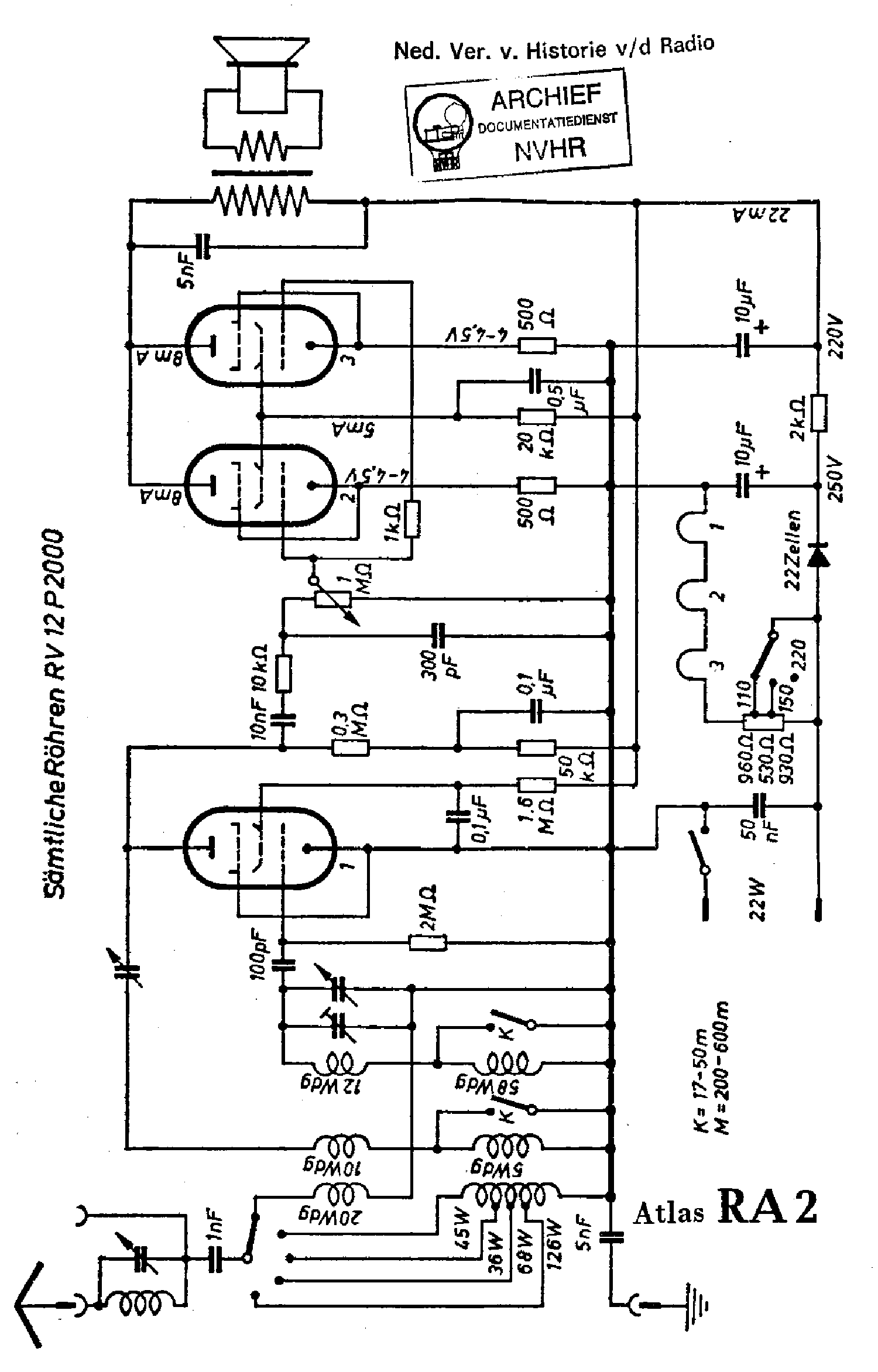
ATLAS RA2 RADIO SCH

AUDIO - SERVICE MANUAL
Type: (PDF)
Size
21.1 KB
Page
1
Category
AUDIO
SERVICE MANUAL
If you get stuck in repairing a defective appliance download this repair information for help. See below.
Good luck to the repair!

Please do not offer the downloaded file for sell only use it for personal usage!

Looking for similar atlas manual?
Document preview [1st page]
ATLAS RA2 RADIO SCH service manual (1st page)
Preview of ATLAS RA2 RADIO SCH [1st page]
Click on the link for free download!
Advertisements
Please tick the box below to get download link:
  • Also known:
    ATLAS RA-2 RA2 RADIO RA
  • If you have any question about repairing write your question to the Message board. For this no need registration.
  • If the site has helped you and you also want to help others, please Upload a manual, circuit diagram or eeprom that is not yet available on the site.
    Have a nice Day!
  • See related repair forum topics below. May be help you to repair.
Warning!
If you are not familiar with electronics, do not attempt to repair!
You could suffer a fatal electrical shock! Instead, contact your nearest service center!

Note! To open downloaded files you need acrobat reader or similar pdf reader program. In addition, some files are archived,
so you need WinZip or WinRar to open that files. Also some files are djvu so you need djvu viewer to open them.
These free programs can be found on this page: needed progs
If you use opera you have to disable opera turbo function to download file!
If you cannot download this file, try it with CHROME or FIREFOX browser.
Translate this page:
Relevant AUDIO forum topics:
Sony STR-7055 rádiós erősítő bal oldal mindig kimegy
Sziasztok! Segítséget szeretnék kérni egy számomra furcsa jelenséghez és nem tudom, lehet emiatt megy ki mindig a bal oldal. A szervizkönyv az oldalon megtalálható. Azt tapasztaltam, hogy konnektorba bedugva, de kikapcsolt állapotban tudok mérni feszültséget egyes pontokon, pl.: Q701-702-703 közös lábán -3,5V, ahol egyébként bekapcsolva 0,6V van. A kondikba nincs áram. Ez miért lehetséges, ha a trafó előtt van a kapcsoló és a trafóból nem megy áram. A kimeneten (hangfal, fejhallgató) pedig halkan búg. A dugót megfordítva -0,1V. Sokáig állt ez is meg az egyik oldal ki volt ütve és már sokmindent kicseréltem. A tápegység diódáit meg a kis és nagy szűrőkondijait, a végfok megégett ellenállásait (R704, R721, R754, R803, R804), az összes elkót, a nagy tranyókat. Méréseket csináltam: +-50V helyett, csak +-40V van. Q706 és Q707 bázis lábainál +-1,2V helyett a bal oldalt +3,7V és -3,2V. Q701-702-703 közös lábán 2,7V-ot mértem a 0,6V helyett. Fejhallgatóról kipróbálva a bal oldal furán remegve halkabban szólt, a jobb jól. Kicseréltem a Q701-et és utána jók voltak a mérési eredmények. Kb. 2 percig jó volt, utána hol szólt, hol elhalkult, de akadozva. Aztán olvastam egy fórumon, hogy a Sony erősítőkbe érdemes kicserélni a VD-1221 nevű diódákat 2x1N4148-ra. Amikor így tettem fejhallgatóról tökéletesen szólt. Később kipróbáltam hangfallal. Több, mint fél óráig hallgattam negyed hangerőn, aztán tesztelni akartam hangosan, de a balodal elkezdett recsegni és halkra véve is úgy maradt. Kicseréltem megint a Q701-et. Most fejhallgatóról szól rendesen, de Q706-nál 13,6V, Q707-nél -0.1V körül ugrál a +-1,2V helyett. Így nem akarom hangfallal kipróbálni, amíg nem jók az értékek. Ennyi infóból lehet következtetni arra, hogy mi vágja ki a tranyót és mi okozza a nagy mérési eltéréseket? Ui.: Egyébként a Q702-703 is ki lett cserélve, most BC212B van berakva. Q701 helyén 2SA705 van, ami kijött Q702-703 helyéről és kiderült, hogy jók. (a lábakra figyeltem, el kellett forgatni) Üdv, Zso
Panasonic SA-HT520 nincs hang
Sziasztok! Van egy Panasonic SA-HT520 Home Theater szólt egy darabig azután kattant egyet és azóta tök süket. A vezérlő egysége nem ír ki semmilyen hibakódot, látszólag jó csak az Active Subwoofer nem szólal meg. Lehet végfok IC?
WV Delta6
Üdvözlet Mindenkinek! A jelzett készülék CD-je hibátlanul működik, a rádiója teljesen néma, KH-n, URH-n egyaránt. A készülék kijelzője minden funkciót jelez, a frekvenciát, sávot, hangerőt, hangzást lehet állítani, csak olyan, mintha a rádió le lenne némítva. A Tanyán nem találtam doksit, ezért kérem, aki tud valami forrást, ill. van tapasztalata a probléma megoldásában, segítsen. Irokéz
Hitachi TRK7990 Rádió-magnón LCD kijelző nem működik, Urh-n csak zaj van
Sziasztok!
 Ha valaki tudna tippet adni, megköszönném. Próbáltam rajzot kérni az SM-keresőn, de sajos nincs (igaz, csak TR7990-et írtam, hibásan) Ha legalább ebben volna segítség, már annak is örülnék.
Köszönettel:
Attila
Similar manuals:
If you want to join us and get repairing help please sign in or sign up by completing a simple electrical test
or write your question to the Message board without registration.
You can write in English language into the forum (not only in Hungarian)!

E-Waste Reduce