Service manuals, schematics, eproms for electrical technicians

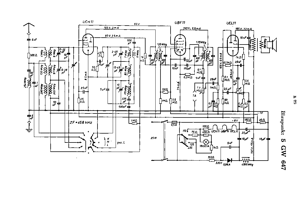
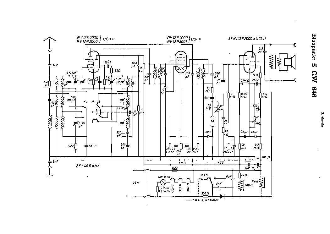
BLAUPUNKT 4W76 RADIO 1936 SCH

AUDIO - SERVICE MANUAL
Type: (ZIP)
Size
52.9 KB
Page
---
Category
AUDIO
SERVICE MANUAL
If you get stuck in repairing a defective appliance download this repair information for help. See below.
Good luck to the repair!

Please do not offer the downloaded file for sell only use it for personal usage!

Looking for similar blaupunkt manual?
Document preview [1st page]
No preview item


No preview item for this file.

Possible causes:
  • No preview picture generated yet.
  • It is not a pdf file.
Advertisements
Download free of charge (10 files / day):
Download is being processed. Please wait...
Download processing...
  • Also known:
    BLAUPUNKT 4W76 RADIO 1936 76
  • If you have any question about repairing write your question to the Message board. For this no need registration.
  • If the site has helped you and you also want to help others, please Upload a manual, circuit diagram or eeprom that is not yet available on the site.
    Have a nice Day!
  • See related repair forum topics below. May be help you to repair.
Warning!
If you are not familiar with electronics, do not attempt to repair!
You could suffer a fatal electrical shock! Instead, contact your nearest service center!

Note! To open downloaded files you need acrobat reader or similar pdf reader program. In addition, some files are archived,
so you need WinZip or WinRar to open that files. Also some files are djvu so you need djvu viewer to open them.
These free programs can be found on this page: needed progs
If you use opera you have to disable opera turbo function to download file!
If you cannot download this file, try it with CHROME or FIREFOX browser.
Translate this page:
Relevant AUDIO forum topics:
Blaupunkt CAR300 autórádióhoz kódot keresek.
Üdvözlet Mindenkinek! Olvastam Pásztor kolléga két hete írt topikját,kipróbáltam a kódfejtő programot.A problémám az,hogy a kódot - ami esetemben 0961 - hogyan vigyem a készülékbe, amin csak 1-től 6-ig számozott kezelő gombok találhatók. A készülék azonosítója:GM 0300T5473526. Segítségeteket előre köszönöm! irokéz
BLAUPUNKT GTb8200A autós mélyláda kikapcsol
Sziasztok! A digitális végfokkal szerelt készülék bekapcsol, jól működik, azaz szól rendesen a mély. Amint a zenében lecsökken a hangerő, vagy csak kevés mély van benne, akkor a készülék kikapcsol és csak a tápfesz megszüntetésével lehet újra tápra téve bekapcsolni. Elég 2-3 másodperc zene szünet és máris kikapcsol a készülék. A táp részen minden rendben lehet, de a végfok vezérlésénél lehet a fura hiba. Van benne LM4558 és TL064 smd ic, ezekkel lehet egy jelfigyelő áramköri rész, az egyik kis 10 uF kondin mérni is tudtam pár voltot, ez a hangjel megszűnésekor lement 0 V-ra, ide 3-4 V-ot téve szólt tovább. A készülék nem volt használva, így ez egy gyári hiba lehet, sajnos rajzot nem találtam róla. Valaki javított már ilyen hibát?
Blaupunkt CAR300 autórádióhoz kód kellene ( megoldva )
Sziasztok! Ma hozták ezt az opel rádiót, de nincs meg a kódja ebbe kérnék segítséget. A rádión a következő számokat találtam: 7 645 852 520 GM0300S2053241 90 462 559 Ennyit találtam, remélem ez alapján sikerül kideríteni, köszönettel Attila Kijavíthattad volna itt is. Pótoltam.
Blaupunkt Davos 169
Kinlódok ezzel a szutyokkal Blaupunkt Davos RDM169. Végfok csere után baromságokat csinál.Hol megy a végfok hol meg begerjed 130 KHz-en, és qvára melegszik. A hang IC szintén. Az is hol elindul az órajel hol nem, és nagyon melegszik. A tápok jók. A rádió működik, a CD szintén, mindent szabályoz. a kijelző mutatja a hang kivezérlést de nem szól. A végfok nincs letíltva. Lehet ennek eprom baja? Kérnék valami ötletet mert én már kifogytam Kösz István
Similar manuals:
If you want to join us and get repairing help please sign in or sign up by completing a simple electrical test
or write your question to the Message board without registration.
You can write in English language into the forum (not only in Hungarian)!

E-Waste Reduce