Service manuals, schematics, eproms for electrical technicians

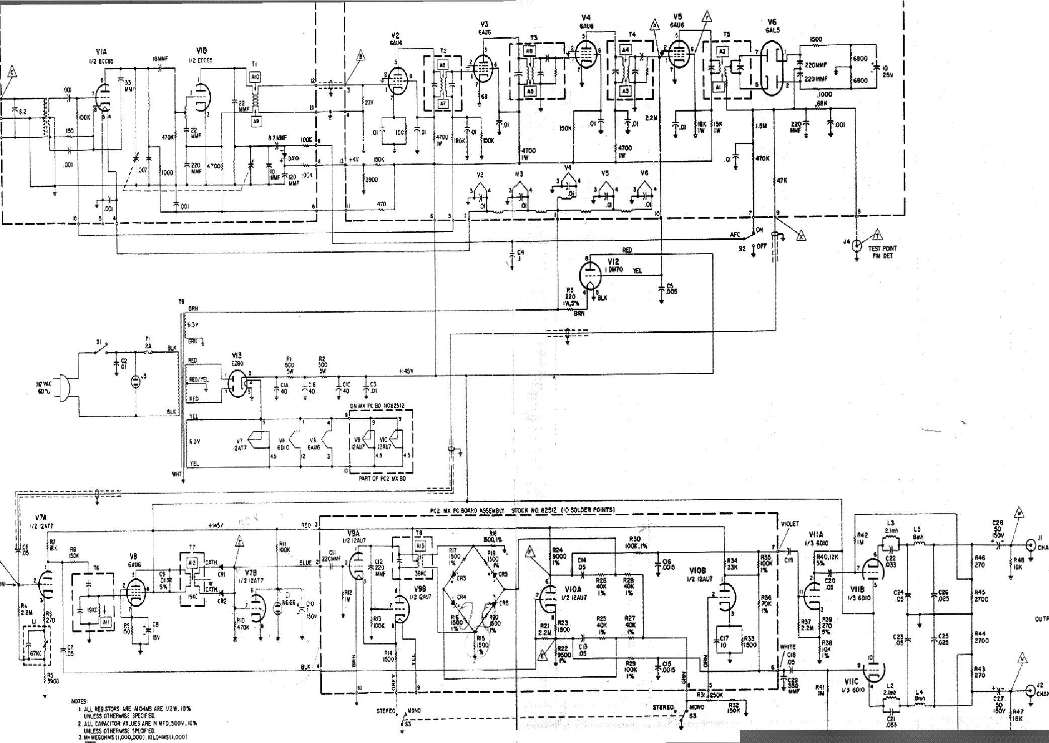
EICO ST-97 DIAL-CORD

AUDIO - SERVICE MANUAL
Type: (JPG)
Size
361.0 KB
Page
---
Category
AUDIO
SERVICE MANUAL
If you get stuck in repairing a defective appliance download this repair information for help. See below.
Good luck to the repair!

Please do not offer the downloaded file for sell only use it for personal usage!

Looking for similar eico manual?
Document preview [1st page]
No preview item


No preview item for this file.

Possible causes:
  • No preview picture generated yet.
  • It is not a pdf file.
Advertisements
Download free of charge (10 files / day):
Download is being processed. Please wait...
Download processing...
  • Also known:
    EICO ST-97 ST97 DIALCORD ST 97 DIAL CORD DIAL-CORD
  • If you have any question about repairing write your question to the Message board. For this no need registration.
  • If the site has helped you and you also want to help others, please Upload a manual, circuit diagram or eeprom that is not yet available on the site.
    Have a nice Day!
  • See related repair forum topics below. May be help you to repair.
Warning!
If you are not familiar with electronics, do not attempt to repair!
You could suffer a fatal electrical shock! Instead, contact your nearest service center!

Note! To open downloaded files you need acrobat reader or similar pdf reader program. In addition, some files are archived,
so you need WinZip or WinRar to open that files. Also some files are djvu so you need djvu viewer to open them.
These free programs can be found on this page: needed progs
If you use opera you have to disable opera turbo function to download file!
If you cannot download this file, try it with CHROME or FIREFOX browser.
Translate this page:
Relevant AUDIO forum topics:
cycbrid (???) autós erősítő kapcsolási rajza
Sziasztok!
Lehet, hogy nem is jó tipust írtam, ezért nem tettem föl az SM keresőbe, talán a kép alapján ráismer valaki a pontos tipusra (esetleg még rajz is lesz hozzá).
A készülék egy kínainak tűnő autós erősítő, ami azon kívül, hogy megkapja az állandó 12V-ot, majd a bekapcsolási 12V-ot, nem  működik. A +és- 30-40V sem jön meg. A TL 494 és azLM324 köre a környező tranzisztorokkal gyanus, ezért jó volna egy rajz.
Talán a két kép segít felismerni, mi is ez a gép.
Köszönettel:
Attila
Jamo D600 Sub smps nem ad tápot a végfoknak (Megoldva)
Sziasztok! A tápegység típusa: SONAVOX CANADA 640051 rev:C A készülékkel egy brüsszeli kollégának gyűlt meg a baja: nem ad tápot az erősítő végfokának. Rajz nincs. (A gugli csak kezelési utasításokat, és teszteredményeket talált.) Kimeneti feszültségei ismeretlenek. Három szubmodult tartalmaz: 660059 számú, amin egy IR2153 dip tokos Half-bridge smps controller található (ez a főtáp kontrollere) 660047 számú, amin egy UA3842A smd tokos Current mode PWM controller található (ez a főtáp szekunder oldalán van, és egy DC-DC konvertert vezérel) 660045 számú, amin egy LNK520PM dip tokos Kis veszteségű CV/CC smps kapcsoló található (ez a stby táp kontrollere) A végfok (60-70V) tápját DC-DC konverter állítja elő, amit a half-bridge főtáp táplálna, de ez egyáltalán nem indul. Az áramkör kétoldalas lyuk-galvános nyákon helyezkedik el, de lekövethetetlen a szubmodulok miatt, és nincs is a kezemben, ami ugyebár alapfeltétel lenne ahhoz, hogy kielemezhessem. Tud ebben segíteni valaki? Rajz, tanács, tapasztalat a javításában? Csak érdemi válaszokat kérek! Üdv: Fülesmester
Sony STR-DE135 erosito Bass boost es Mute mikrokapcsolo hiba
Sziasztok! Van egy Sony STR-DE135 erosito, minden tokeletesen mukodik, egy dolog kivetelevel. A hangero allito poti jobb oldala mellett van ket mikrokapcsolo. Felul a Bass Boost es alatta a Mute gomb. A problema az, hogy amikor nyomogatom a Bass boost gombot, akkor veletlenszeruen, hol jol mukodik, hol a Mute gomb aktivalodik helyette, es van amikor teljesen erzeketlen. Ha a taviranyitorol nyomogatom ugyanezeket, ott tokeletesen mukodik. Valakinek van valami otlete ezzel kapcsolatosan? Az erosito mar ebben az allapotaban kerult hozzam, es meg sosem volt szetszedve. Segitsegeteket elore is koszonom.
Mechlabor STM210
Hali Ha tudtok valami infót, rajzot (robbantottat is) erről a típusról. Mechlabor STM210 THX
Similar manuals:
If you want to join us and get repairing help please sign in or sign up by completing a simple electrical test
or write your question to the Message board without registration.
You can write in English language into the forum (not only in Hungarian)!

E-Waste Reduce