Service manuals, schematics, eproms for electrical technicians

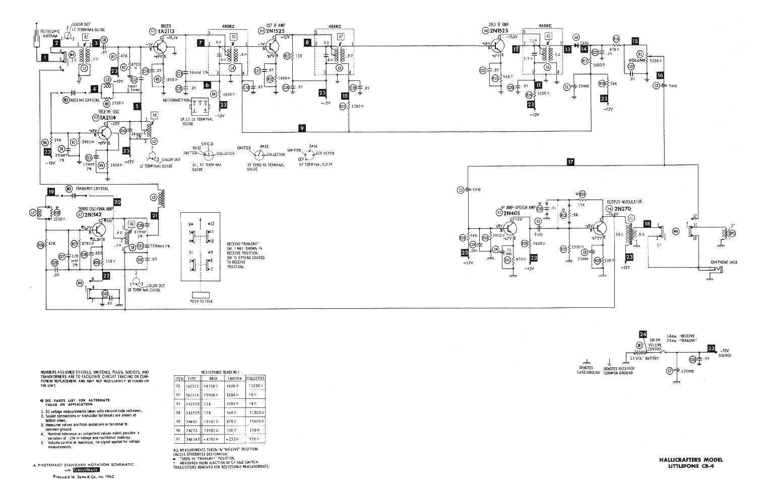
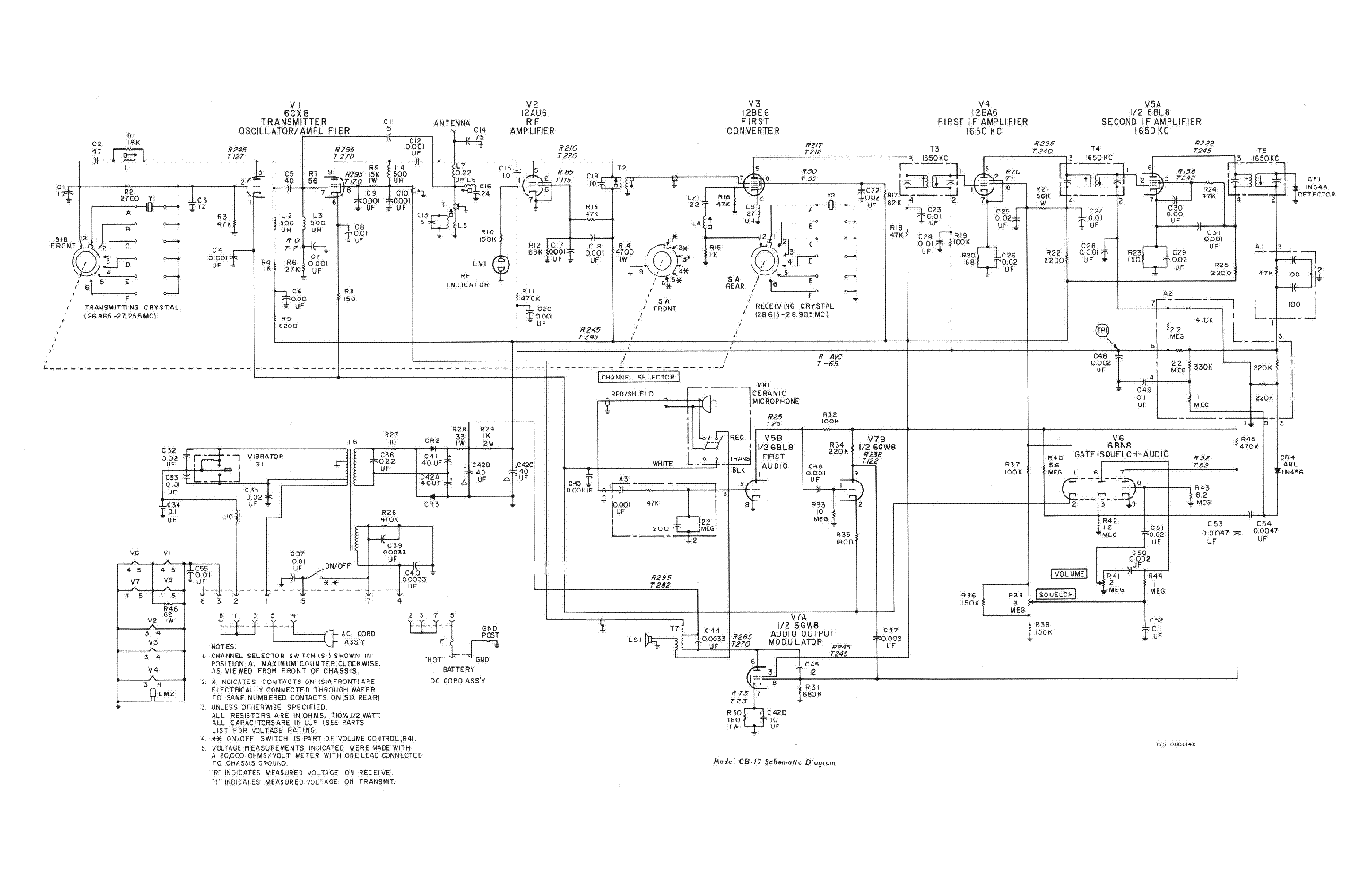
HALLICRAFTERS HT-33A LINEAR POWER AMP.

OTHER - SERVICE MANUAL
Type: (DJVU)
Size
199.8 KB
Page
13
Category
OTHER
SERVICE MANUAL
If you get stuck in repairing a defective appliance download this repair information for help. See below.
Good luck to the repair!

Please do not offer the downloaded file for sell only use it for personal usage!

Looking for similar hallicrafters manual?
Document preview [1st page]
No preview item


No preview item for this file.

Possible causes:
  • No preview picture generated yet.
  • It is not a pdf file.
Advertisements
Download free of charge (10 files / day):
Download is being processed. Please wait...
Download processing...
  • Also known:
    HT-33A LINEAR POWER AMP. HT33A HT 33 33A
  • If you have any question about repairing write your question to the Message board. For this no need registration.
  • If the site has helped you and you also want to help others, please Upload a manual, circuit diagram or eeprom that is not yet available on the site.
    Have a nice Day!
  • See related repair forum topics below. May be help you to repair.
Warning!
If you are not familiar with electronics, do not attempt to repair!
You could suffer a fatal electrical shock! Instead, contact your nearest service center!

Note! To open downloaded files you need acrobat reader or similar pdf reader program. In addition, some files are archived,
so you need WinZip or WinRar to open that files. Also some files are djvu so you need djvu viewer to open them.
These free programs can be found on this page: needed progs
If you use opera you have to disable opera turbo function to download file!
If you cannot download this file, try it with CHROME or FIREFOX browser.
Translate this page:
Relevant OTHER forum topics:
AVANSA 110-E pumpa-vezerlo hiba

Sziasztok

Van nalam egy Avansa 110-E tipusu vezerlo. Ez a kovetkezot csinalja: van egy szenzora ami egy kandalloba beepitett spiral viz-homersekletet figyeli.
Amikor ez eler egy beallitott erteket, megvezerel egy keringeto pumpat.
A keszulek teljesen halott, a 7805 stabilizator kimeneten mV nagysagrendu feszultsegeket mertem.
Megneztem, mi a lelke: egy Atmel Atmega 35469L tipusu mikrokontroller, foglalatban.
Nosza, ezt kivettem, a feszultsegek bealltak. 

Megkerestem a bekotesi rajzat, ez egy 28 pines kivitel, a 7 lab az VCC, a 8 lab GND
Ezek kozott  diodameresen 11-et mertem, szoval az teljesen zarlatos.
Na, innen tanacstalan vagyok, mert ha be is szerzek egy ilyen mikrokontrollert, honnan szerzem be a programot, vagy hogyan irom bele? Ilyen teren semmit tapasztalatom nincs.
Vagy egesz egyszeruen halottnak kell nyilvanitani?
Kerlek, mondjatok velemenyt.

Minden jot,
Janos
 

Villanypásztor, se kép, se hang...:(
Üdv!
Ismeri Valaki ezt a pásztort?
A szokásos köröket megfutottam, kb. minden jónak tűnik, de nem megy. A diac gyanús, ill a primernek hány ohm körülinek kell lenni, mert 1-2 tized ohmnak mérem... Köszi
Házi készítésű riasztóhoz keresek távirányító kittet, vagy kész terméket. [MEGOLDVA!]
Sziasztok! Felkértek hogy valamiképp váltsam ki a meglévő távirányítóját a meglévő riasztónak ami egy házi készítésű darab azaz egyedi. A vevő részt 12V táp működteti, egy relét kapcsol ki vagy be vevő egység, A cserének az az egyszerű oka hogy a vevőegység nem hangolható, sajnos a szomszédi jó iszony szórakoztatásra készteti a kedves szomszédot, ezért szeretném kiváltani vevőegységet egy másikra, ami hangolható is. Ha valaki tud nekem ebben segítségemre lenni hogy mit is érdemes erre a célra alkalmazni. Előre is köszönöm az építő jellegű tanácsokat! Update: A távja nincs meg a riasztónak..... UPDATE: A Kalex által javasolt távirányító beépítése után remekel a házi riasztó. Vajon ki csinálhatta?? Vevő Hajdani vevőegység Üdvözlettel: Istvan78
Epson EB-W8D 3 perc után kikapcsol
Sziasztok,

ismerősöm megkért, hogy javítsam meg a projektorját. De nem boldogulok vele. Hátha Ti tudtok segíteni.
Tünet: bekapcsolás után a mellékelt kép fogad. Ha nem nyúlok hozzá, akkor ebben az állapotban bármeddig bekapcsolva marad. Itt csak a Source gomb működik, megnyomva végiglépked a bemeneteken, és ha van rádugva jel, akkor szépen megjeleníti. Viszont ekkortól kezdve 3 percig van kép, utána kikapcsol úgy, hogy mind a 3 led pirosan villog, a ventik maxra pörögnek, majd miután lehűtötte magát, standby-ba kapcsol. Innen kezdhetem elölről, tehát bekapcsolhatom, megy megint 3 percet (+/- 10mp) és megint leáll. Szoftveres hibára gondolok, mert ha hardveres lenne, akkor az első képnél megállva is kikapcsolna 3 perc után. Ja, még valami: egyik gomb sem működik, miután valamelyik bemenetet kiválasztotta(m), Előtte is csak a source-ra reagál.
Próbáltam kommunikálni a készülékkel a hátulján lévő USB-B porton keresztül, az alaplapján lévő soros kivezetéseken keresztül, de semmi adatot nem kaptam.
 
Similar manuals:
If you want to join us and get repairing help please sign in or sign up by completing a simple electrical test
or write your question to the Message board without registration.
You can write in English language into the forum (not only in Hungarian)!

E-Waste Reduce