Service manuals, schematics, eproms for electrical technicians

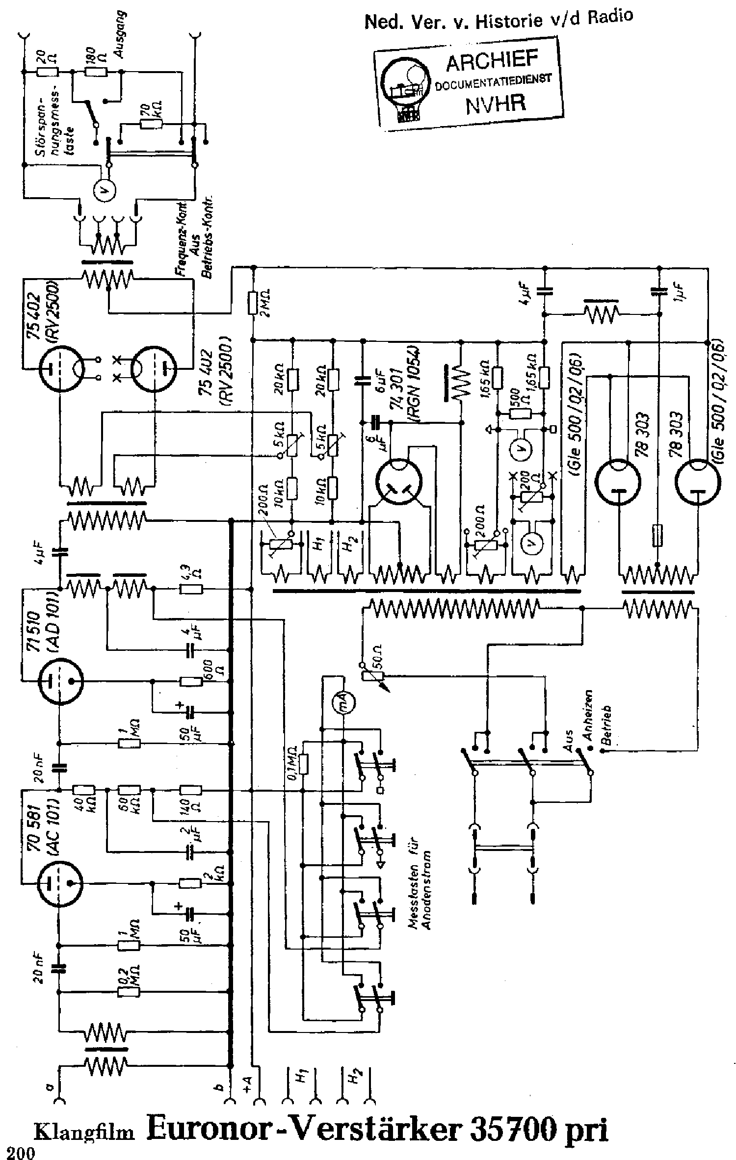
KLANGFILM 32609PRI AMPLIFIER SCH

AUDIO - SERVICE MANUAL
Type: (GIF)
Size
66.3 KB
Page
---
Category
AUDIO
SERVICE MANUAL
If you get stuck in repairing a defective appliance download this repair information for help. See below.
Good luck to the repair!

Please do not offer the downloaded file for sell only use it for personal usage!

Looking for similar klangfilm manual?
Document preview [1st page]
No preview item


No preview item for this file.

Possible causes:
  • No preview picture generated yet.
  • It is not a pdf file.
Advertisements
Download free of charge (10 files / day):
Download is being processed. Please wait...
Download processing...
  • Also known:
    KLANGFILM AMPLIFIER 32609PRI 32609 PRI
  • If you have any question about repairing write your question to the Message board. For this no need registration.
  • If the site has helped you and you also want to help others, please Upload a manual, circuit diagram or eeprom that is not yet available on the site.
    Have a nice Day!
  • See related repair forum topics below. May be help you to repair.
Warning!
If you are not familiar with electronics, do not attempt to repair!
You could suffer a fatal electrical shock! Instead, contact your nearest service center!

Note! To open downloaded files you need acrobat reader or similar pdf reader program. In addition, some files are archived,
so you need WinZip or WinRar to open that files. Also some files are djvu so you need djvu viewer to open them.
These free programs can be found on this page: needed progs
If you use opera you have to disable opera turbo function to download file!
If you cannot download this file, try it with CHROME or FIREFOX browser.
Translate this page:
Relevant AUDIO forum topics:
Autó erősítő bekötés
Üdv mindenkinek. 1 barátom autójába cd-lejátszót és 1 erősítőt kellene beépítenem. Mind a négy végfokozat használatba volna véve,plussz 1 mélyláda hátul amit az erősítő hajtana meg. Így terveztem neki összeépíteni és így működött az előző autójában is. 1 új fejegységet vásárolt,amin sajnos nincs Line out kimenet. Hogyan tudnám megoldani,hogy az erősítőt valamelyik végfokozat vezérelje??? A lejátszó teljesen új,tehát még garanciális,így belülről nem volna célszerű levenni a jelet. Köszönöm a segítségeteket.
JVC-th-a25 Házimozi "protection" kijelzéssel lekapcsol. (Már nem kapcsol le - Mukogy van).
Üdv mindenkinek. Nálam landolt a fent nevezett házimozi erősítő.Annyi a nyígja,hogy ha be akarom kapcsolni (stand-by -ból) akkor csak annyit csinál,hogy kiírja a kijelzőre,hogy "PROTECTION".Van a tápkörben a hálózati részen 2db relé.Az egyáramkörös kapcsol,a 2 áramkörös nem.Tehát bekapcs,egyet kattan a relé,közben kiírja,hogy "PROTECTION" ,majd visszamegy készenlétbe. A kapcsrajzot innen töltöttem le.JVC-ék kicsit vicces handgulatban voltak,mert polaritásilag vannak azért hibák a rajzba.Pl.a relékkel párhuzamosan kötött diódák fordítva vannak a rajzon,zener dióda fordítva.Csak a rend kedvéért említettem meg. Van a letöltött anyagban hibakeresési folyamatábra is,van is benne szó a "PROTECTION" hibáról.Csak annyi a baj az egésszel,hogy ott feszültségeket kellene mérni.Azt meg nem tudok,mert ez kapásból lekapcsol,ugye.Végignéztem a végfoktranyókat zárlatot nem találtam,értékük gyakorlatilag megegyezik csatornánként. Aki tud legyen szíves segítsen,hogy merre induljak el. Köszönöm.
el 84pp csöves erősítő el készült
Sziasztok elkészült a második csöves erősítő volt vele munka rendesen fúrás forrasztás szerelés :) de meg érte nagyon szépen szól üdv lali Adhatnál valami beszédesebb címet, ha el akarod kerülni a felfüggesztést!!
Amplificatore Pioneer Sa-750 non si sente audio
Buongiorno. L'amplificatore come da titolo inserendo un segnale dai rispettivi ingressi in uscita non si sente nessun suono. Le tensioni allo stadio finale, servite da transistori sono corrette. ho notato che anche nella cuffia non si sente l'audio. Potreste per favore darmi qualche suggerimento in merito? Grazie.
Similar manuals:
If you want to join us and get repairing help please sign in or sign up by completing a simple electrical test
or write your question to the Message board without registration.
You can write in English language into the forum (not only in Hungarian)!

E-Waste Reduce