Service manuals, schematics, eproms for electrical technicians

LOEWE RATSHERR GW RADIO SCH

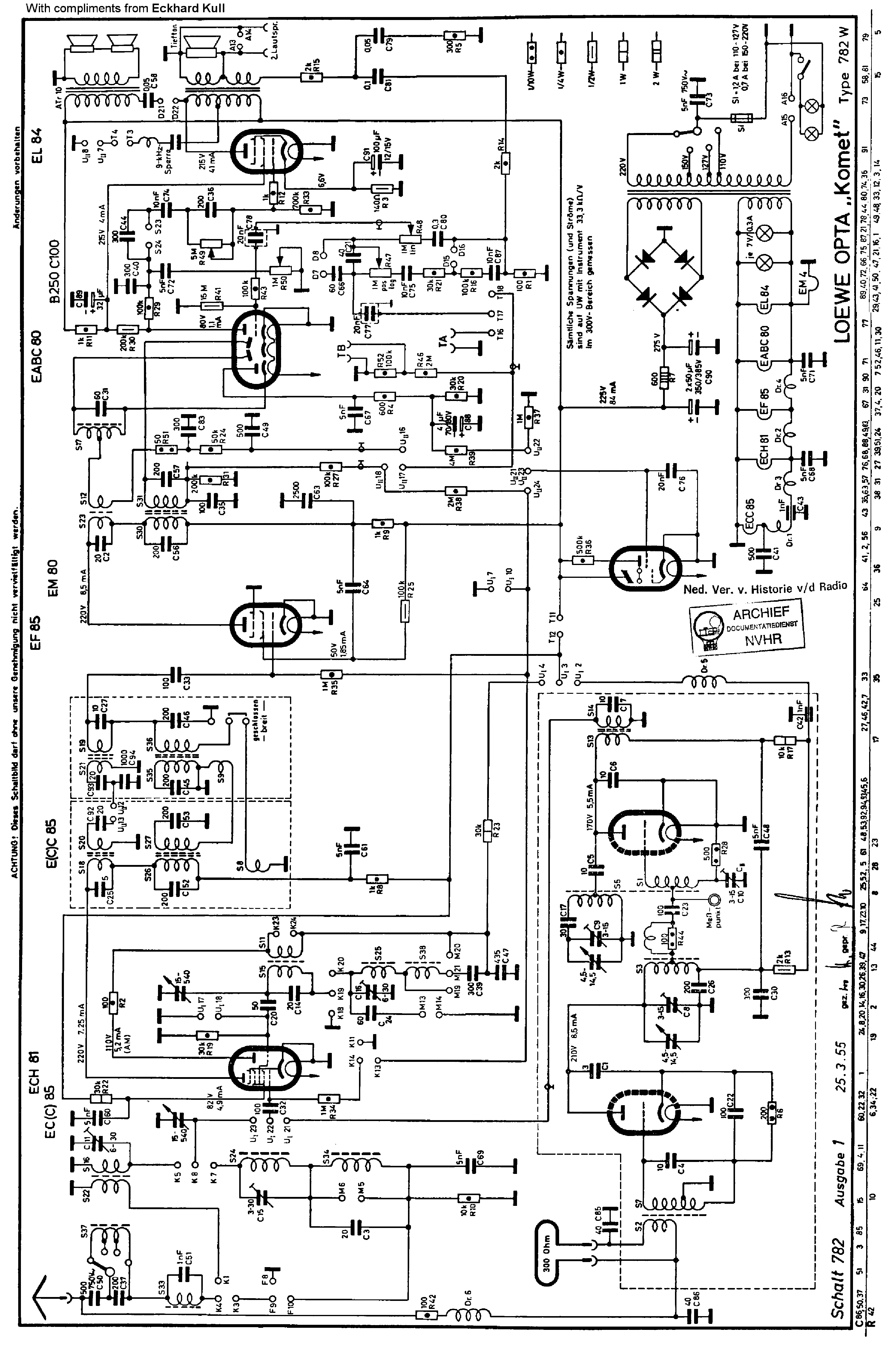
AUDIO - SERVICE MANUAL
Type: (PDF)
Size
78.3 KB
Page
2
Category
AUDIO
SERVICE MANUAL
If you get stuck in repairing a defective appliance download this repair information for help. See below.
Good luck to the repair!

Please do not offer the downloaded file for sell only use it for personal usage!

Looking for similar loewe manual?
Advertisements
Document preview [1st page]
LOEWE RATSHERR GW RADIO SCH service manual (1st page)
Preview of LOEWE RATSHERR GW RADIO SCH [1st page]
Click on the link for free download!
Document preview [2nd page]
LOEWE RATSHERR GW RADIO SCH service manual (2nd page)
Preview of LOEWE RATSHERR GW RADIO SCH [2nd page]
Click on the link for free download!
Advertisements
Download free of charge (10 files / day):
Download is being processed. Please wait...
Download processing...
  • Also known:
    LOEWE RATSHERR GW RADIO
  • If you have any question about repairing write your question to the Message board. For this no need registration.
  • If the site has helped you and you also want to help others, please Upload a manual, circuit diagram or eeprom that is not yet available on the site.
    Have a nice Day!
  • See related repair forum topics below. May be help you to repair.
Warning!
If you are not familiar with electronics, do not attempt to repair!
You could suffer a fatal electrical shock! Instead, contact your nearest service center!

Note! To open downloaded files you need acrobat reader or similar pdf reader program. In addition, some files are archived,
so you need WinZip or WinRar to open that files. Also some files are djvu so you need djvu viewer to open them.
These free programs can be found on this page: needed progs
If you use opera you have to disable opera turbo function to download file!
If you cannot download this file, try it with CHROME or FIREFOX browser.
Translate this page:
Relevant AUDIO forum topics:
Akai AA-1010 végfok hiba? Megoldva!
Sziasztok!
Hozzá jutottam eme erősítőhöz, bal oldali végfok hibával.Ahhoz hogy "egyforma" legyen természetesen mindkét oldalt cseréltem. A művelet sikerült, a voltok és miliamperek rendben, be is kapcsol szépen.De viszont ha hangfalakat kötök rá, azonnal veri a biztiket és persze a végfokok (2sd313)is elszállnak azonnal.Az egyik oldal egyszer megszólalt egy pár másodpercre, de a következő bekapcsoláskor az is elszált.A kérdésem hogy ilyet mi és miért okozhat, már a 3. végfokpárt használtam el.
A nyugalmi áramot az sm szerint állítottam 20 mA körül, az egyik 10mA körül volt, a másik az aránylag jó volt.
Sony TA-AX44 erősítő reléje nem húz
Hi! Az említett erősítő megadta magát, még a relé sem húz be. Szervízoldalakon láttam a tipikus hibajavítási ötletek között ezt a "relé nem (sem) húz be" problémát, csak sajnos nem férek hozzá. Valakinek esetleg ötlete, tapasztalata? Nagyon köszi!
segítséget kérek tda 2052-höz.
Sziasztok. Tda 2052-vel építek erősítőt. Azt szeretném tudni, hogy két végfok-ic-t tehetek e egy hűtőbordára, illetve a kapcsolásban már szerepel oldalanként egy-egy 1000mikrós puffer, ezenkívül kell e még mondjuk 4 szer 4700 mikro puffer a tápba. Kd 150-w-os trafóval hajtom majd +-21 v-al. A segítségeteke előre is köszönöm.
Grundig RRCD2420mp3 tip. rádió (nem hangolható)
Sziasztok! Grundig RRCD2420 mp3 tip. rádió, mp3 lejátszó rádió részével van gond, mert ugyan a kijelzőn látszik a hangolás de valójában csak egy adó szól bárhova is hangolnám a frekit. Tudna valaki segíteni? A TB2132FN IC-n megfelelő feszültségek mérhetők 6-os és 28-as lábakon: +3V. A 21-es lábon +6V. Köszönöm: tortuga
Similar manuals:
If you want to join us and get repairing help please sign in or sign up by completing a simple electrical test
or write your question to the Message board without registration.
You can write in English language into the forum (not only in Hungarian)!

E-Waste Reduce