Service manuals, schematics, eproms for electrical technicians

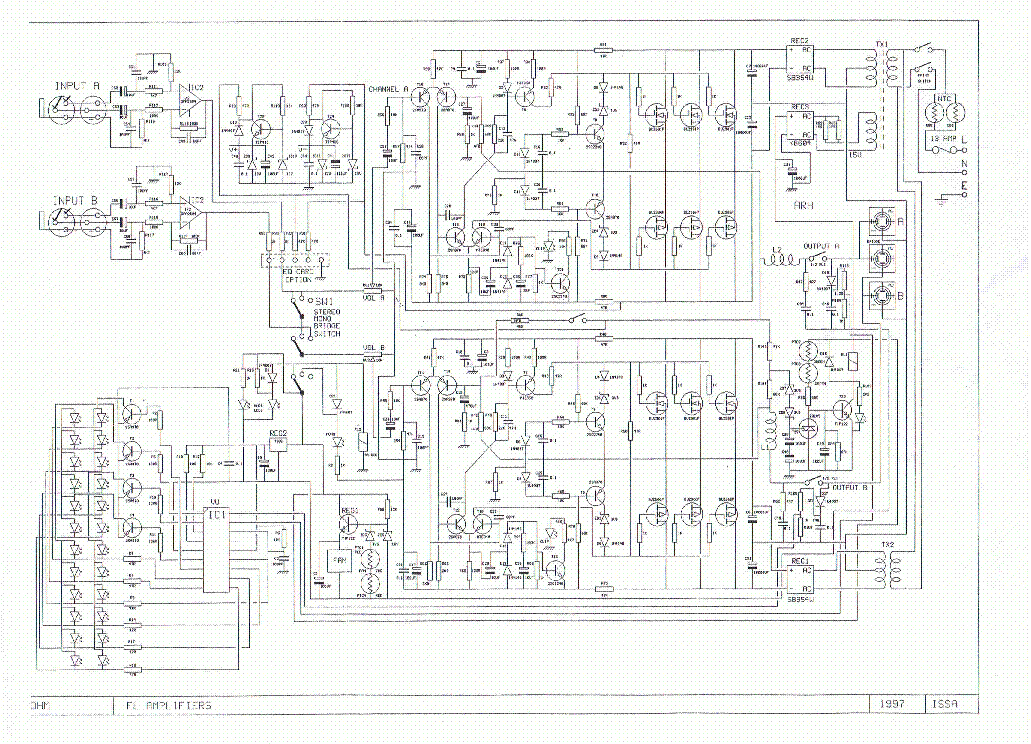
OHM FL1400 POWER AMPL SCH

AUDIO - SERVICE MANUAL
Type: (PDF)
Size
793.7 KB
Page
1
Category
AUDIO
SERVICE MANUAL
If you get stuck in repairing a defective appliance download this repair information for help. See below.
Good luck to the repair!

Please do not offer the downloaded file for sell only use it for personal usage!

Looking for similar ohm manual?
Document preview [1st page]
OHM FL1400 POWER AMPL SCH service manual (1st page)
Preview of OHM FL1400 POWER AMPL SCH [1st page]
Click on the link for free download!
Advertisements
Download free of charge (10 files / day):
Download is being processed. Please wait...
Download processing...
  • Also known:
    OHM FL-1400 AMPL FL1400 POWER FL 1400
  • If you have any question about repairing write your question to the Message board. For this no need registration.
  • If the site has helped you and you also want to help others, please Upload a manual, circuit diagram or eeprom that is not yet available on the site.
    Have a nice Day!
  • See related repair forum topics below. May be help you to repair.
Warning!
If you are not familiar with electronics, do not attempt to repair!
You could suffer a fatal electrical shock! Instead, contact your nearest service center!

Note! To open downloaded files you need acrobat reader or similar pdf reader program. In addition, some files are archived,
so you need WinZip or WinRar to open that files. Also some files are djvu so you need djvu viewer to open them.
These free programs can be found on this page: needed progs
If you use opera you have to disable opera turbo function to download file!
If you cannot download this file, try it with CHROME or FIREFOX browser.
Translate this page:
Relevant AUDIO forum topics:
Analóg RCA kábel 75ohmos koax kábelből
Hello. Valaki próbált már összekötni erősítőt mondjuk CD lejátszóval 75ohmos koax kábellel? Érdekelne van-e különbség hangzás terén a sima RCA és a koax között. Egy amerikai fórumon azt írták, hogy a koaxnak jobb a frekvenciaátvitele és szebben szól. Nos várom a tapasztalatokat. Üdv: Karcsi
4 ohmos hangváltóra 8 ohmos hangszóró
Üdv.
Van egy hangváltóm ami 4 ohmos hangszóróra van tervezve, viszont egy 8 ohmos hangszórót kellene rákötni. Bírni fogja a hangváltó, vagy valamit módosítsak rajta?
AKG K66 fejhallgatóba 425AW 32 Ohm hangszóró
Sziasztok! AKG K66 fejhallgatóm egyik oldali hangszórója megadta magát. Szétszedtem, azt hittem, hogy a vezeték tört el, de miután a hangszóró kapcsaira rámértem, kiderült, hogy bizony a vezetéknek semmi baja, viszont a hangszóró (425AW, 32 Ohm) szakadt... Tudnátok tippet adni, hogy ezt a hangszórót hol tudnám beszerezni. Pl. Somogyinál kapható az ilyen? Köszönök minden választ előre is! Üdv: Chris
Digitális (Coaxial) audio átvitelhez NEM 75 ohm-os kábel, hanem 50 ohm-os? LEZÁRVA!!!
Hello! Egy strandon kell majd hangosítanom, de elég rosszul találta ki a vezetőség az elhelyezkedést, így a medence egyik oldalán lennék én a DJ-pulttal, míg a hangfalak a medence másik oldalán lennének. Az nem opció, hogy 2x 30-50m-es hangfalkábelt húzzak valahogy a levegőben, mert nagy a veszteség és nincs is kábelem ennyi itthon, ebben a vastagságban (4mm), ráadásul 25m majdnem 10e Ft. Rádiós átvitel nem opció, mert zavaros, nem elég dinamikus és plusz 1 hibaforrás. Egyetlen opció maradt, hogy a digitális jelet viszem át az erősítővel együtt a medence túloldalára, így egyetlen jel-vezetéket kell csak valahogy a medence felett áthúzni. Viszont standard (75 ohm) antenna kábelből csak néhány méteres darabok vannak itthon... de ellenben van több hosszú 50 ohm-os (rádióamatőr) vezetékem. Rövid távon (1-2m) a sima árnyékolt audio kábel (RCA) is jó volt átvitelnek (1 méter hosszban még az árnyékolás-sérült is működött), de hivatalosan 75 ohm-os kell hozzá. 50-70 méterre még használható lenne az 50 ohm-os, vagy ekkora távon már ragaszkodni kell a szabványhoz? Tudom itthon is ki tudom próbálni és hamarosan meg is teszem, de attól, hogy átmegy épp most a jel, nem fogom tudni, hogy stabil-e, vagy épp határeset, ezért kérdezem meg inkább itt. Tehát nem a szabályok érdekelnének, mert mint írtam, azt már ismerem, inkább csak az, hogy a szabály mennyire léphető át... és olyan ember tanácsára vagyok kíváncsi, aki nem csak elméletben, hanem a gyakorlatban is "lazított" már így a szabályokon. 44,1kHz sztereó jelről van szó, tehát nem "sok pont 1", nem 96 kHz, csak szabvány CD minőség. Okafogyottá vált a dolog, meggondolta a vezetőség és inkább az egyik medence sarkára állít fel színpadot, így egy helyen marad a technika, a hangfalakat kell csak messzebb vinni.
If you want to join us and get repairing help please sign in or sign up by completing a simple electrical test
or write your question to the Message board without registration.
You can write in English language into the forum (not only in Hungarian)!

E-Waste Reduce