Service manuals, schematics, eproms for electrical technicians

SABA 31W 1931 SCH

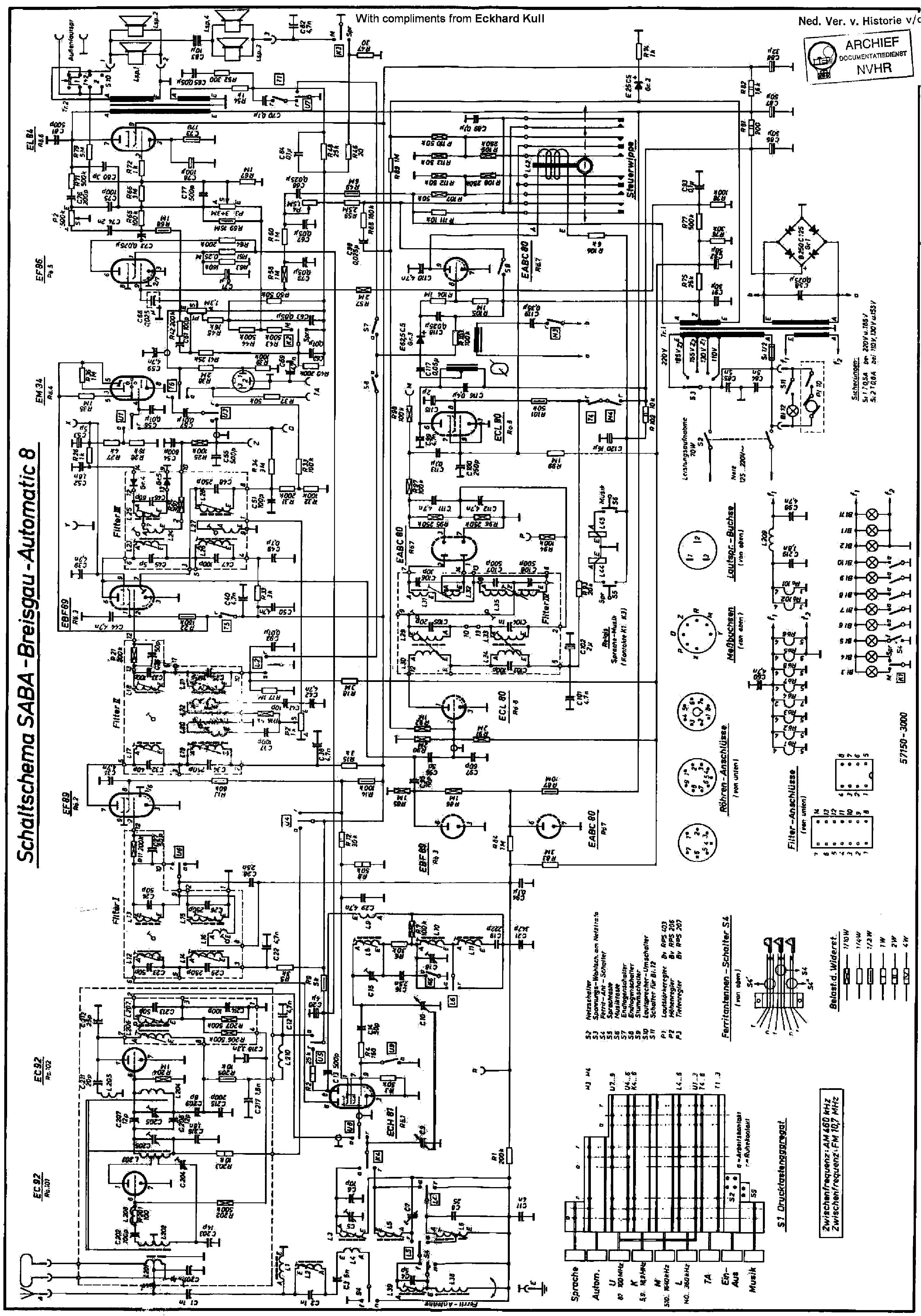
AUDIO - SERVICE MANUAL
Type: (RAR)
Size
791.7 KB
Page
---
Category
AUDIO
SERVICE MANUAL
If you get stuck in repairing a defective appliance download this repair information for help. See below.
Good luck to the repair!

Please do not offer the downloaded file for sell only use it for personal usage!

Looking for similar saba manual?
Document preview [1st page]
No preview item


No preview item for this file.

Possible causes:
  • No preview picture generated yet.
  • It is not a pdf file.
Advertisements
Download free of charge (10 files / day):
Download is being processed. Please wait...
Download processing...
  • Also known:
    SABA 31W 1931 31
  • If you have any question about repairing write your question to the Message board. For this no need registration.
  • If the site has helped you and you also want to help others, please Upload a manual, circuit diagram or eeprom that is not yet available on the site.
    Have a nice Day!
  • See related repair forum topics below. May be help you to repair.
Warning!
If you are not familiar with electronics, do not attempt to repair!
You could suffer a fatal electrical shock! Instead, contact your nearest service center!

Note! To open downloaded files you need acrobat reader or similar pdf reader program. In addition, some files are archived,
so you need WinZip or WinRar to open that files. Also some files are djvu so you need djvu viewer to open them.
These free programs can be found on this page: needed progs
If you use opera you have to disable opera turbo function to download file!
If you cannot download this file, try it with CHROME or FIREFOX browser.
Translate this page:
Relevant AUDIO forum topics:
cLCRU feliratú SMD analóg kapcsoló beazonosításában kérnék segítséget. (Megoldva)
Sziasztok!
Egy LG soundbar subwooferének javításával vagyok gondban.
A sub típusa SPN6-W, de az SPN8-W ugyanaz - annak az sm-ét feltöltöttem ide.
Szóval van egy hatlábú  - SSOP6 tokozású - analóg kapcsoló ami a 3,3 V tápot kapcsolná, de nem teszi. A manuál igen szűkszavú, még a típust sem adják meg.
Addig jutottam, hogy a funkcióját tekintve BD2222- BD2244-ig lehetne valamelyik, de a felirat nem stimmel, mert ezen cLCRU van míg az említett BD-n BL vagy BM kellene legyen.
Mivel a kapcsoló jel típustól függően vagy GND, vagy 3,3 V nem mindegy mi kerül bele.
Tehát a cLCRU felliratú valószínűleg más gyártó terméke, vagy én vagyok zsákutcában.
Na ebben kellene a segítség.
Köszönettel: Hifista.
Segítségkérés kimenőtrafó beazonosításában.
Tisztelt Mesterek! A csatolt képen szereplő (kimenő) trafó ügyében kérnék segítséget. (Kicsit móricka lett bocsánat) A trafó egy "project" keretében 2 db 6P45C csővel volt összecsomagolva. Adatai: M102b mag, osztott csévetesten, valószínűleg osztott tekercsek. Primer: A 4. kivezetéstől mérve az egyenáramú ellenállások, sorban 90-120-140 OHM Szekunder: mindhárom tekercsen sacc/kb 0.5 OHM (multiméter ugrál, és pontosabb mérésre nincs módom sajnos) A forrléceket nem feszegettem le, nehogy sérüljön a cucc. Kérdéseim: Ezen adatok alapján elképzelhető-e, hogy a jelzett csövekkel a trafó életre kelthető, vagy csak donorként jöhet szóba? Előfordulhat-e, hogy ismer valamelyikőtök olyan kapcsolást amely ezekkel a trafóadatokkal dolgozik (pld. Vasziljev) Köszönöm előre is a segítő hozzászólásokat: Tibor
Philips mini-hifi magnómechanika beazonosításában kérnék segítséget
Sziasztok!

Alkatrésznek (motor-fej miatt) vettem aprópénzért ezt a kettős magnómechanikát, más javításhoz - de kicsit jobban megnézve a hátán levő panel alkalmas lehetne egy másik projektemhez. Konkrétabban egy régi, mechanikusan még feltámasztható hordozható magnóba tennék be egy sztereo erősítőt (végfok nem feltétel), helyszíni felvételek céljára - de amíg semmiféle bekötést nem tudok róla, addig ezzel a példánnyal nehéz lenne..

Egy másik fórumon annyit mondtak tippnek, hogy feltehetőleg Philips mini-hifiben volt eredetileg, és ez a közepén levő csavar alapján hihetőnek is tűnik. Valaki esetleg korábbi szerviztapasztalatból be tudja azonosítani, mely típusból származhat? Szervizkönyv birtokában már egyszerűbb lenne a feladat.. :)

Előre is köszönöm, ha van tippetek!
Tomi
Alkatrész beazonosításában kérek segítséget. (avagy KORG AX100G gitár effektezőn alig láthatók a led fények)
Sziasztok!
Van egy alkatrész amit nem tudok beazonosítani. A képen szereplő Q1 jelölésű 3 lábú alkatrész. Felirata: BC F1B
Jó lenne ha tudná valaki mi lenne ez pontosan, vagy ha a KORG AX100G készülék rajzát feltudná kutatni az még jobb lenne.
A képen látható pozicióban a jobb oldali lábon 7.17V mérhető, a bal oldalira kapja a bemenő feszültséget ami 7.82 volt, és a középső lábán jön ki a feszültség ami pontosan 3 volt, de kevésnek találom mert az összes LED  innen kapja a tápfeszültséget úgy hogy egy 82 ohmos ellenállással vannak testre kötve. Tehát kb. 5-6 volt lenne az ideális. Segítsetek hátha valaki tudná miféle alkatrész ez, tranzisztor vagy feszültség stabilizátor?
Ha a ledek 82 ohmját kissebre cserélem megoldódik a gond, de azért nem ennek kellene a megoldásnak lennie.
Köszönöm!

 
Similar manuals:
If you want to join us and get repairing help please sign in or sign up by completing a simple electrical test
or write your question to the Message board without registration.
You can write in English language into the forum (not only in Hungarian)!

E-Waste Reduce