Service manuals, schematics, eproms for electrical technicians

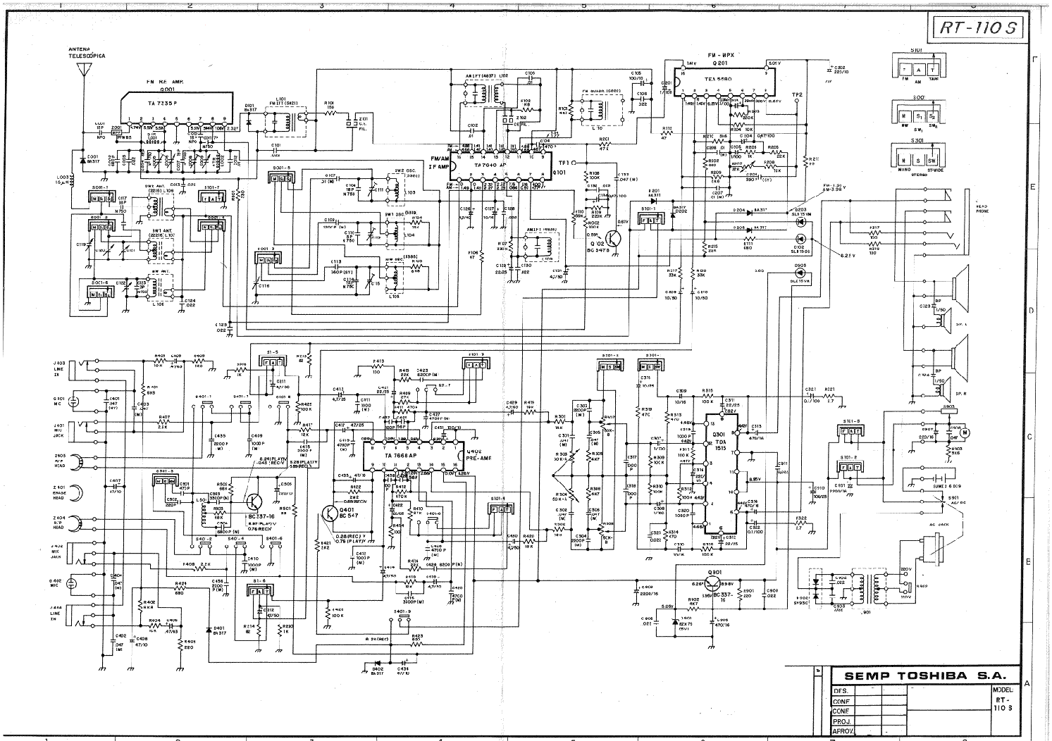
TOSHIBA RT-110S SCH

AUDIO - SERVICE MANUAL
Type: (PDF)
Size
739.2 KB
Page
1
Category
AUDIO
SERVICE MANUAL
If you get stuck in repairing a defective appliance download this repair information for help. See below.
Good luck to the repair!

Please do not offer the downloaded file for sell only use it for personal usage!

Looking for similar toshiba manual?
Document preview [1st page]
TOSHIBA RT-110S SCH service manual (1st page)
Preview of TOSHIBA RT-110S SCH [1st page]
Click on the link for free download!
Advertisements
Download free of charge (10 files / day):
Download is being processed. Please wait...
Download processing...
  • Also known:
    TOSHIBA RT-110S RT110S RT 110 110S
  • If you have any question about repairing write your question to the Message board. For this no need registration.
  • If the site has helped you and you also want to help others, please Upload a manual, circuit diagram or eeprom that is not yet available on the site.
    Have a nice Day!
  • See related repair forum topics below. May be help you to repair.
Warning!
If you are not familiar with electronics, do not attempt to repair!
You could suffer a fatal electrical shock! Instead, contact your nearest service center!

Note! To open downloaded files you need acrobat reader or similar pdf reader program. In addition, some files are archived,
so you need WinZip or WinRar to open that files. Also some files are djvu so you need djvu viewer to open them.
These free programs can be found on this page: needed progs
If you use opera you have to disable opera turbo function to download file!
If you cannot download this file, try it with CHROME or FIREFOX browser.
Translate this page:
Relevant AUDIO forum topics:
xr-9127 toshiba
i have a problem with a CD player Toshiba XR-9127, i have made all the measures and at 99% it's the pickup, the problem is that i cant find it nowheare , is ther an equivalent ?



Thanks 
Carmelo 
From Italy
Toshiba SB-M36 erősítő, egyenfeszültség a kimeneten.
Üdv minden fórumozónak! A fenti erősítő hibásan került hozzám, a hangszóró kimeneteken -45V volt mérhető. Mindkét csatornán cseréltem a végtranzisztorokat és a meghajtókat, mindegyik hibás volt. (2SA1104-2SC2579 végpár és 2SA1110-2SC2590 meghajtó) Most a jelenség a következő, a kimeneteken egyöntetűen -15V mérhető. Átvizsgálva a tápfeszültségek rendben vannak, a félvezetők jók. Egyenlőre nem jutottam vele tovább, kérem, hogy aki találkozott már hasonló problémával, ossza meg a tapasztalatait velem. Köszönöm András
Toshiba XR-Z90 CD lejátszó nem olvassa be a lemezt
Sziasztok! Van otthon egy ilyen szépségem, lassan két éve. Korábban a gyári lemezeket gyönyörűen vitte, az írottakat megválogatta. De azt vettem észre, hogy ha 1x vagy 2x sebességgel írom meg a lemezt, akkor azokat is olvasta szépen, track váltással sem volt gondja. Elfogadtam, hogy ez ilyen, mégiscsak egy 1983-as lejátszóról van szó. Nem használtam minden nap. Előfordult, hogy hetekig be sem kapcsoltam. Aztán úgy kb egy éve egyszer csak nem olvasott be semmit, még a gyári lemezt sem. A mechanika felpörög, próbálkozik, de semmi, kiáll hibára. Előre leszögezném, hogy nem értek hozzá, nem is tervezek belenyúlni. Van egy nagyon jó szerelő a városomban, de műhely felújítás miatt lassan egy éve várok a soromra. Igazából a hozzáértőktől szeretném megkérdezni, hogy ez a hirtelen "egyik napról a másikra nem olvasok be semmit" jellegű hiba mitől lehet? Kondi kiszáradás, lézer halál? Van-e remény a javításra? Nagyon sajnálnám ha többet nem tudnám használni. Üdv.: nils http://vintage-audio-laser.com/Toshiba-XR-Z90
Toshiba rádio szíjméret
Hi!


Nem tudja véletlenül Valaki ennek a szíjnak a méretét?

https://www.google.com/search?q=GES8.0+SQUARE+BELT&newwindow=1&sxsrf=ALiCzsYTHWU7u4sK6Qut4st2YfkiSmRLHA:1658397674847&source=lnms&tbm=isch&sa=X&ved=2ahUKEwiir7ji3In5AhWXnf0HHZnMAx4Q_AUoAXoECAIQAw&biw=1280&bih=555&dpr=1.5


Kösz
Similar manuals:
If you want to join us and get repairing help please sign in or sign up by completing a simple electrical test
or write your question to the Message board without registration.
You can write in English language into the forum (not only in Hungarian)!

E-Waste Reduce