Service manuals, schematics, eproms for electrical technicians

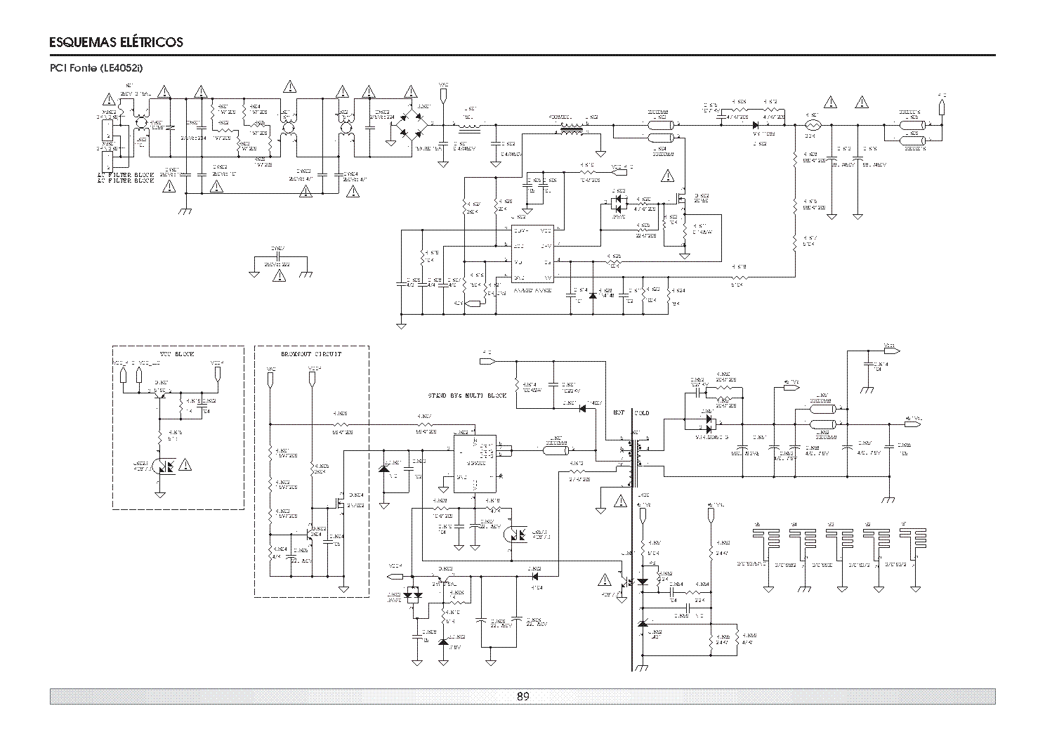
TOSHIBA XV550 XV600 SMPS SCH

POWER-SUPPLY - SERVICE MANUAL
Type: (BMP)
Size
4.7 MB
Page
---
Category
POWER-SUPPLY
SERVICE MANUAL
If you get stuck in repairing a defective appliance download this repair information for help. See below.
Good luck to the repair!

Please do not offer the downloaded file for sell only use it for personal usage!

Looking for similar toshiba manual?
Document preview [1st page]
No preview item


No preview item for this file.

Possible causes:
  • No preview picture generated yet.
  • It is not a pdf file.
Advertisements
Download free of charge (10 files / day):
Download is being processed. Please wait...
Download processing...
  • Also known:
    TOSHIBA XV-550 XV550 XV600 SMPS XV 550 600
  • If you have any question about repairing write your question to the Message board. For this no need registration.
  • If the site has helped you and you also want to help others, please Upload a manual, circuit diagram or eeprom that is not yet available on the site.
    Have a nice Day!
  • See related repair forum topics below. May be help you to repair.
Warning!
If you are not familiar with electronics, do not attempt to repair!
You could suffer a fatal electrical shock! Instead, contact your nearest service center!

Note! To open downloaded files you need acrobat reader or similar pdf reader program. In addition, some files are archived,
so you need WinZip or WinRar to open that files. Also some files are djvu so you need djvu viewer to open them.
These free programs can be found on this page: needed progs
If you use opera you have to disable opera turbo function to download file!
If you cannot download this file, try it with CHROME or FIREFOX browser.
Translate this page:
Relevant POWER-SUPPLY forum topics:
Toshiba TLP-T70M projektoron,hogy kell a lámpaidőt resetelni?
Üdvözlet mindenkinek! Toshiba TLP-T70M projektoron,hogy kell a lámpaidőt resetelni?Hibajelenség,hogy kicsi a fényerő de amúgy minden működik.A használati útmutató szerint 3000óra után cserélni kell a lámpát,ebben a készülékben már benne van 3045 üzemóra gondolom ezért vette vissza a fényerőt,ki szeretném próbálni,hogy resetelem akkor visszaadja a teljes fényerőt vagy valami más a baj,mielőtt megveszem hozzá a x*10eFt-os lámpát.Tud valaki ebben segíteni?Előre is köszönöm a segítséget.
Toshiba 1650 fénymásoló javításában szeretnék segítséget kérni
Sziasztok A napokban kaptam ingyen egy "kis szekrény nagyságú" Toshiba 1650.-es fénymásolót. Az volt a baja, hogy középen a papír megáll és nem adagolja tovább. Elkezdtem megnézni, hogy miként működik, hogy továbbítja a papírt, de semmi olyant nem találtam ami mondjuk olyan kopott lenne, hogy a kopás végett nem továbbít. Minden fogaskerekekkel működik és középen ami a papírt viszi, az egy széles, nagy gumiszőnyeg. Ez ahogy kézzel tekerem a fogaskerekeket, akkor továbbítja a papírt, így kézzel manuálisan ki is lehet tekerni belőle. Találtam benne egy úgynevezett "korona A és egy korona B " egységet amiben az A abban egy szál nagyon vékony drót van. a B egységben kettő, de ebben az egyik szakadt. Vissza raktam mindent, bekapcsoltam és most el sem megy a gumiszallagig, hanem a festék hengernél begyűri a papírt. Pedig úgy nézem, mindet a helyére raktam vissza. Szóval, mi lehet a hiba és ez a fém szál, mi célt szolgál. Köszönöm a segítségeteket. Tibi
TOSHIBA TLP 780E projektor 10-20 másodperc után kikpacsol

Sziasztok

A cégtől kaptam egy hibás TOSHIBA TLP780E típusú projektort.

A hibajelenség:

Bekapcsolás után a lámpa bekapcsol, háttérkép is van (TOSHIBA logo) de 10-20 másodperc elteltével a lámpa kikapcsol, a ventilátorok még mennek, majd mikor lehűlt készülék azok is kikapcsolnak.

Frissítettem a leírást!


Bekapcsolás után, amíg látszik a TOSHIBA logo nem lehet a menübe lépni, nem reagál a MENU gomb megnyomására. (Próbáltak új lámpát tenni bele és a lámpa km számlálóját resetelni de mivel nem lehet a menübe lépni ezért nem tudtam -én sem- megnézni hogy van-e ilyen lehetőség benne. A TOSHIBA készülékeknél előforduló gombkombinációk lenyomása mellett is próbáltam indítani de nem hallottam sípszót a belső hangszóróból ami elvileg jelezné hogy a számláló sikerült nullázni.) Aki a lámpát cserélte benne annak az elmondása alapján a régi lámpával is ugyanezt csinálta mint az újjal. (Most az új lámpa van benne, de megvan hozzá a régi is)

A lámpa kikapcsolása után az ON és a LAMP LED ek pirosan, a FAN LED pedig zölden világít.

A lámpa tápegységének a bemenetén (A fő tápegység pufferén a PFC után) mértem a feszültséget. Üresen 381V majd mikor bekapcsol a lámpa akkor ez leesik 360V - ra. De nem tudom hogy ezek a feszültségértékek megfelelőek-e mivel nincs róla szervizdoksi.

Van ötletetek hogy merre lehetne keresni a hibát?

Köszönöm
M.

Similar manuals:
If you want to join us and get repairing help please sign in or sign up by completing a simple electrical test
or write your question to the Message board without registration.
You can write in English language into the forum (not only in Hungarian)!

E-Waste Reduce