Service manuals, schematics, eproms for electrical technicians

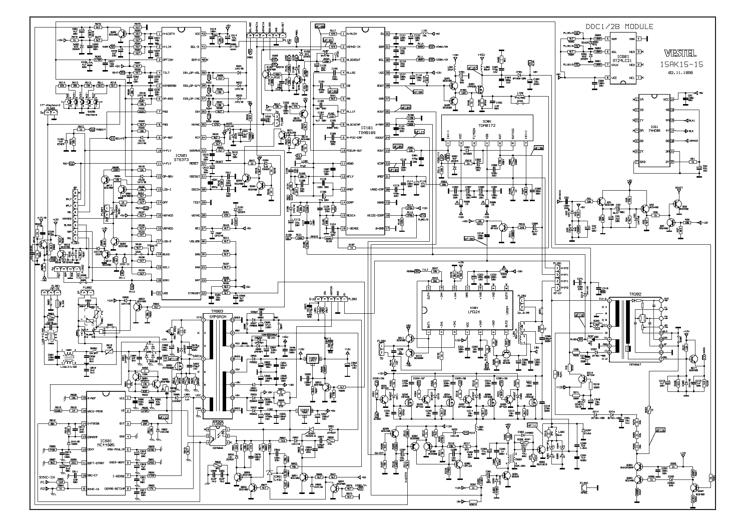
TV CHASSIS 11AK36

TV - SERVICE MANUAL
Type: (ZIP)
Size
29.4 MB
Page
---
Category
TV
SERVICE MANUAL
If you get stuck in repairing a defective appliance download this repair information for help. See below.
Good luck to the repair!

Please do not offer the downloaded file for sell only use it for personal usage!

Looking for similar tv manual?
Document preview [1st page]
No preview item


No preview item for this file.

Possible causes:
  • No preview picture generated yet.
  • It is not a pdf file.
Advertisements
Please tick the box below to get download link:
  • Also known:
    TV CHASSIS 11AK36 11 AK 36
  • If you have any question about repairing write your question to the Message board. For this no need registration.
  • If the site has helped you and you also want to help others, please Upload a manual, circuit diagram or eeprom that is not yet available on the site.
    Have a nice Day!
  • See related repair forum topics below. May be help you to repair.
Warning!
If you are not familiar with electronics, do not attempt to repair!
You could suffer a fatal electrical shock! Instead, contact your nearest service center!

Note! To open downloaded files you need acrobat reader or similar pdf reader program. In addition, some files are archived,
so you need WinZip or WinRar to open that files. Also some files are djvu so you need djvu viewer to open them.
These free programs can be found on this page: needed progs
If you use opera you have to disable opera turbo function to download file!
If you cannot download this file, try it with CHROME or FIREFOX browser.
Translate this page:
Relevant TV forum topics:
Shneider chassis TV-1003 ellőtte a sortranzsztort Megoldva
Szevasztok Hozták ezt a tv t azzal a hibával hogy este még ment reggel már kampec csak pittyeg,szétszedtem,elsőránézésre a korrekcióba lévő c315 4,7mf kondi szét volt repedve,c304 es47/40 es kondin ugy látszik mintha öszement volna a fólia kicserélve,ja még sorkimenőt néztem a Fülesmester féle teszterrel jónak látom,öszes impulzus kondit cseréltem,mostmár csak egy izmosabb tranyó kellene-de rajz szerint BU4525AX van benne ,nekem BU2520DX volt benne,most milyet rendeljek,ez utóbbiban van egy ellenállás is.
Akira led-ba1hu40f tv háttérvilágítás hiba
Sziasztok!
Van egy iilyen tv háttérvilágítás hibával. Minden más működik. A feszültség a ledsor felé 29v. Persze nem biztos hogy jól mértem. A kérdésem hogy honnan lehet rendelni hozzá ledsort. A hq-nál nincs raktáron 40 incheshez.
Köszönöm.

http://www.kepfeltoltes.eu/view.php?filename=531IMG_20180417_185834.jpg
TECHNIKA LCD TV/DVD (csak ennyi szerepel rajta) tápegység (LK1072-005) javítása
Sziasztok! Adott ez a készülék ami vélvetően túlfeszültséget kapott. Sikerült életet lehelnem bele (külső tápról) viszont a tápegysége még halott. Felrobbant graetz, zárlatos fet, szakadt ellenállások, stb. Igazából ezek nem problémás alkatrészek, viszont az ic igen. Egy GR8876 hajtja az egészet, amit csak elég borsos (tíz ropi körül) lehet nálunk beszerezni. Találtam utalást arra, hogy helyettesíthető LD7575-el (http://regi.hqelektronika.hu/datasheet/28/2822.pdf) de csak ez utóbbi adatlapját találtam meg. Jó lenne le ellenőrizni mielött további kárt okozok.. kérdéstehát, cserélt már valaki ilyet, vagy esetleg létezik hozzá adatlapja? Köszönettel: Kiss Z.
Thomson 32LM051B6 LCD TV-ben inverter panelcsere
A címben szereplő Thomson 32LM051B6 LCD tv inverter hibával került hozzám. Mivel a 8db. AO4614 duál FET-ből 6 zárlatos, az összes 3A biztosíték szakadt, a Q10 digit tranyó kalapot emelt, nem keresgélek tovább -> panel csere. S-nél rendeltem hozzá az eredeti 1320B1-16A inverter helyettesítőjét, ami a kép alapján teljesen azonos az eredetivel. Csakhogy: az új panel nem csereszabatos (legalább is ezzel a táppal (715T1180-3) szerelt szerelt sasszival). Ugyanis a CN1 csatlakozó bekötését átvariálták (fólia vagdalás, drótos átkötések) hogy illeszkedjen a táp felőli véghez. Ennek eredményeként, lévén a táp felőli (CN952) oldalon a 13-as láb gyárilag testen, így az új invetrer eredetileg PDIM lába testre kerül és így nem kapcsol be. Tehát voltaképpen a helyettesítő panel beépíthető és működik is, csak egy kicsit macerás. Ja még valami: a panel át van címkézve teljesen azonosan az eredetivel, de nem tudtam leszedni az eredeti címkéjére ragasztott újat, mert valami ciánakrilátos ragasztót használtak, tehát nem tudom milyen számra hallgathatott leánykorában.
Cikknek küldte be Tamás, de így képek nékül nem tudom kirakni a főoldalra, ezért inkább átraktam ide a fórumba. - pihe
Similar manuals:
If you want to join us and get repairing help please sign in or sign up by completing a simple electrical test
or write your question to the Message board without registration.
You can write in English language into the forum (not only in Hungarian)!

E-Waste Reduce