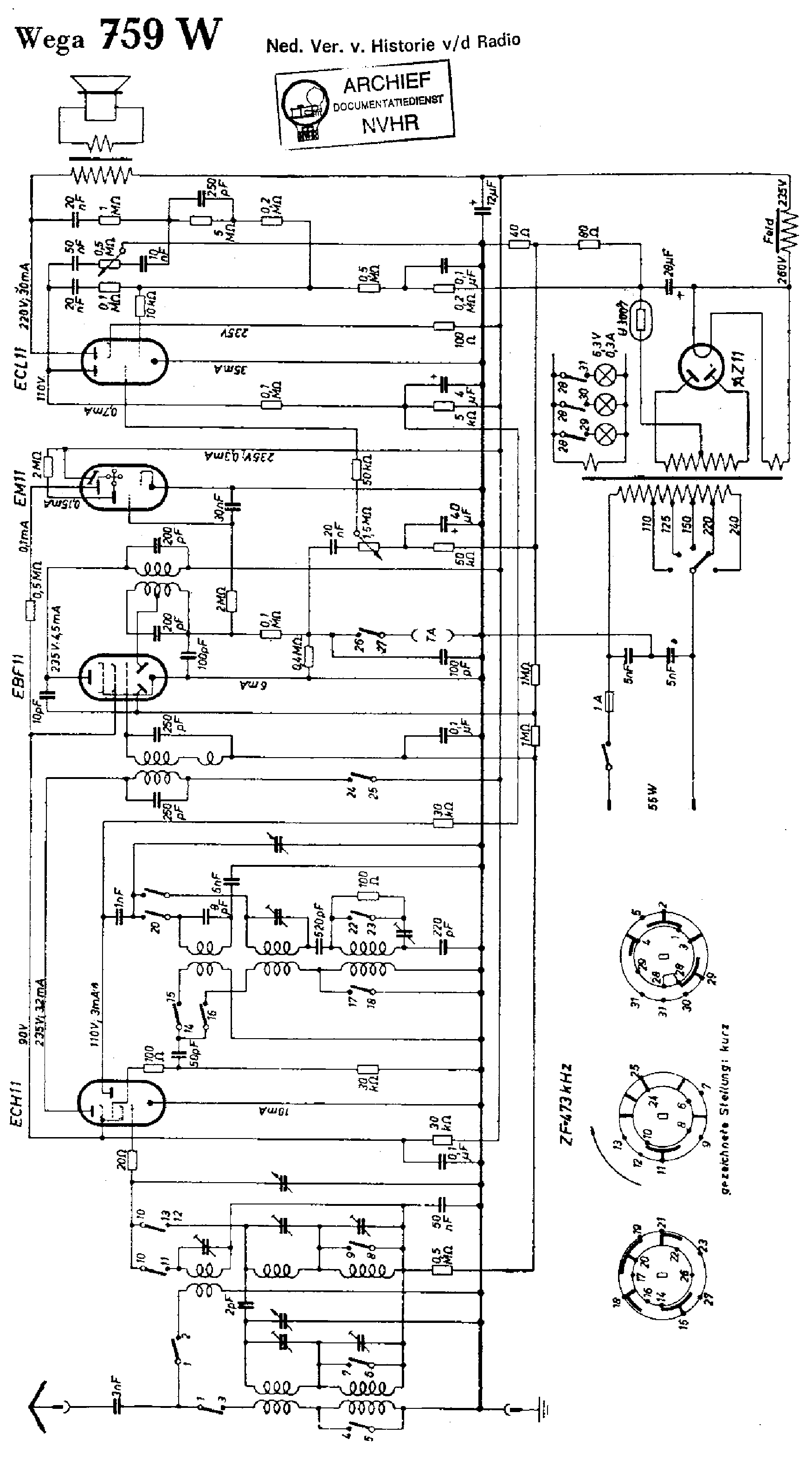
Sziasztok!
Hibásként vásárolva hozzá jutottam az erősítőhöz , a hibajelenség hogy bekapcsol, de nem szól. Odáig eljutottam hogy gyanús volt az egyik Sony cx171 ic, mivel az egyiket kivéve bekapcsol és szól is, sőt fel is cseréltem , az egyik IC valószínűleg hibás, viszont ha hozzáérek az IC egyik lábához akkor a relé kapcsol és addig működik amíg el nem engedem az a bizonyos pontot. Kérdésem hogy ennek mi lehet az oka?
Sziasztok!
Nagy valószinuseggel rossz a KF IC, tápja megvan bemenet megvan, kimenet nincs, lengyel fórumon is ez az IC ment el. SM-ben vannak feszültségek és ez alapján szerintem rossz az IC.
Ebay-en látom hogy van, de én nembirok külföldrôl rendelni nem vagyok .hu henem barbár középkorban vagyok .rs-ben.

CX 168 széles DIP24 tok+hütô, ilyen tokban valószinü nincs, hanem valami DIP16-os KF-ek, melyiket ajánljátok hogy bedrótozzam helyette?
Sziasztok!
Tegnap neki álltam az erősítőm javításának. Addig jutottam vele hogy tápok meg vannak,
Az egyik oldal végtranzisztorán nincs meg a kellő feszültség.
Végtranzisztorok mérve jók, a környezeti elemek is rendben vannak,
Elég sok forrasztási hibát találtam, de ez nem oldotta meg, át forrasztottam az egész erősítőt.
Most ott tartok hogy keresem a hibát....
Szét szedve az előerősítő modulon van egy alkatrész amit nem tudok kimérni, dióda jele van felszitázva a panelra.
Ez a dióda a hűtőbordára van felhelyezve, Nem tudom pontosan mi a szerepe neki, de nem sikerült kimérnem.
Az sejtem hogy valami védelmi szerepe van neki, de lehetséges hogy tévedek.
Nem teljesen mélyültem el az elektronikájába, de legközelebb talán már a hiba is meg lesz.
De szeretném tudni hogy ki is, vagy mi is ő.
S ha már el indítottam a topicot akkor meg kérdezném hogy van e ezeknek un tipikus hibájuk.

Üdv Istvan78
Üdv. Mindenkinek!
Van egy Wega System 500 A10-es erősítő nálam (áramkörileg hasonlít a V3840-esre), amely 15-20 perc probléma mentes működés után lassan el kezd torzan szólni és halkulni, majd a végén csak alig hallhatóan szól. Az elhalkulás idején a torz hang lehalkítással megszűnik. Amint kikapcsolom, azonnal kb. 2 mp-re visszatér a hang és rendesen működik, nyilván míg a 2×10.000 mikros szűrőkondi győzi energiával. Visszakapcsolva már rövidebb idő is elég a torz működésre és az elhalkulásra. A probléma mindkét csatornán jelentkezik. Gondolom, hogy tápfesz hiba lehet, bár a tápfeszt mértem és a +/- 40 V a szűrőkondenzátoron mérve folyamatosan fennáll, még az elhalkulás és a halk működés alatt is. Nem egy mai darab, talán az elko száradt ki. Egy dual-c Nichicon kondi. Érdeklődöm, találkozott-e már valaki ilyen hibával? A segítséget előre is megkösznöm.