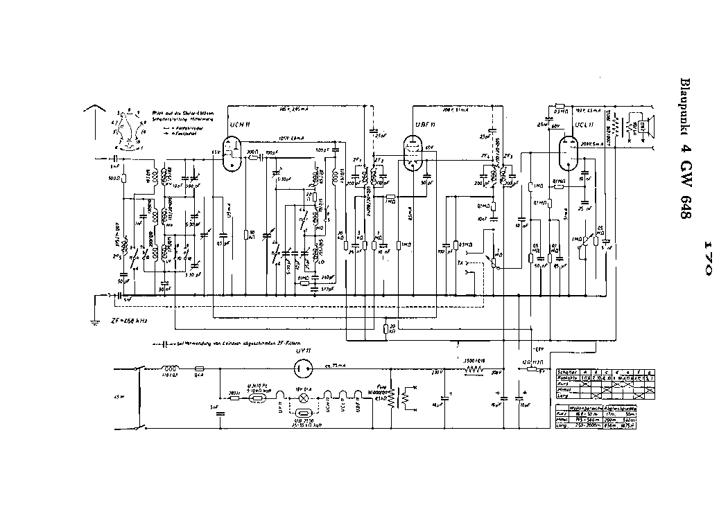
Sziasztok!
Tegnap hozták hozzám ezt a autós CD lejátszót.
Autómosóban volt az autó és állítólag bepárásodott és azóta nem működik. Rajzot nem sikerült lelnem hozzá.
Méregetések közben egy smd tranzisztora emlékeztető alkatrész van ami nagyon valószínű hogy szakadt. Semmilyen irányba nincs vezető képessége, nem találtam kód alapján semmit róla.
De magán a panelon pozíció szám sem található mellette.
Ha valaki találkozott ezzel a lejátszóval az kérem segítsen ki.
Az alkatrészre 26 van vízszintesen és 40 felirat olvasható függőleges irányba.
Ha netán valaki tudja konkrétan mi a pontos típusa ennek a lejátszónak árulja el nekem.

Üdv Istvan78
Sziasztok! Van egy fenti kódkártyás autorádióm, amit egyszer csak nem lehet bekapcsolni. Kapcsolási rajzot letöltöttem. Gyanúm szerint a processzor környékén van a hiba. Tápfeszültségek rendben. A reset impulzus megvan, de tovább nem jutottam. Ismeri valaki ezt a típust, tud valaki segíteni? Előre is köszönöm a segítséget.
Sziasztok!
Most került hozzám ez a rádió, azzal a hibával hogy csak minden 3-4.gombnyomásra kapcsol be. Ha kikapcsolom megint csak többszöri gombnyomásra indul el. Eddig cseréltem a 3300uf és a 1000uf a végfok mellett, még valami amikor próbálom bekapcsolni akkor meg villan a kijelző is. Bekapcsolt állapotban rendesen működik, csak a bekapcsolás nehézkes. Valakinek valami ötlete?
Sziasztok!
Hanghibával kaptam javításra a fenti fejegységet. Az a gondom, hogy kódot kér, így asztalon nem tudom bekapcsolni. A tulaj nem tudja a kódot, mert az autóban nem kéri, viszont ott nem tudom javítani. Kódfejtésben nem vagyok jártas ezért kérném a segítségeteket. Mellékelem a rajta található címkéket, és egy képet az előlapról.
Üdv.