Service manuals, schematics, eproms for electrical technicians

BLAUPUNKT DVAERGSUPER-ZGW643 1946 SCH

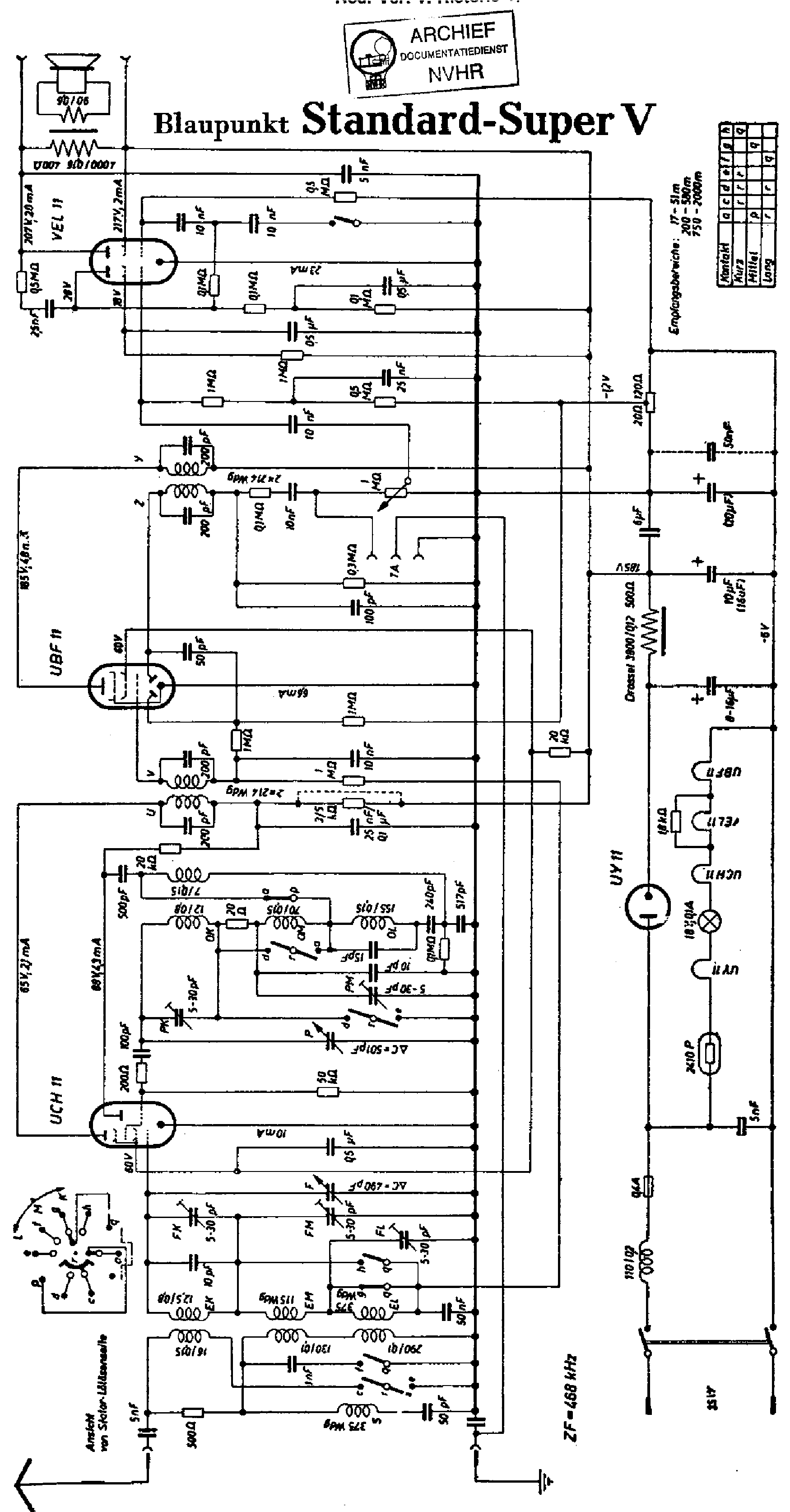
AUDIO - SERVICE MANUAL
Type: (PNG)
Size
67.7 KB
Page
---
Category
AUDIO
SERVICE MANUAL
If you get stuck in repairing a defective appliance download this repair information for help. See below.
Good luck to the repair!

Please do not offer the downloaded file for sell only use it for personal usage!

Looking for similar blaupunkt manual?
Document preview [1st page]
No preview item


No preview item for this file.

Possible causes:
  • No preview picture generated yet.
  • It is not a pdf file.
Advertisements
Download free of charge (10 files / day):
Download is being processed. Please wait...
Download processing...
  • Also known:
    BLAUPUNKT 1946 643 ZGW643
  • If you have any question about repairing write your question to the Message board. For this no need registration.
  • If the site has helped you and you also want to help others, please Upload a manual, circuit diagram or eeprom that is not yet available on the site.
    Have a nice Day!
  • See related repair forum topics below. May be help you to repair.
Warning!
If you are not familiar with electronics, do not attempt to repair!
You could suffer a fatal electrical shock! Instead, contact your nearest service center!

Note! To open downloaded files you need acrobat reader or similar pdf reader program. In addition, some files are archived,
so you need WinZip or WinRar to open that files. Also some files are djvu so you need djvu viewer to open them.
These free programs can be found on this page: needed progs
If you use opera you have to disable opera turbo function to download file!
If you cannot download this file, try it with CHROME or FIREFOX browser.
Translate this page:
Relevant AUDIO forum topics:
Blaupunkt Augsburg CR24 Kód kellene!
Sziasztok! A fenti gépnek kellene valamilyen kód, vagy eeprom tartalom? A sorozat száma: BP3759P1353753
Blaupunkt SAN REMO CD32 - rotary encoder beszerzési forrás - MEGOLDVA
Tisztelt Urak! A fenti típusú autórádióba keresnék a képeken látható jeladót. Egy hasonlót találtam, https://www.hqelektronik.hu/info/hu/srgp200200.html aminek a fizikai méretei és a lábkiosztása stimmel, de sajnos a forgatógombot nem tudnám rárakni, mert több pöcök van rajta, mint a kiszemelt encoderen, valamint nem átlátszó a forgórésze, ezért buknám a forgatógomb megvilágítását is. Sajnos annyi típusinfóm van az eredetiről, ami látszik: 312 Se gyártó, se semmi... Ha valaki tudna az eredetihez beszerzési forrást, kérem ne legyen szégyenlős és ossza meg velem. Végső esetben barkácsolok, de azt nem nagyon szeretném, mert egy jó ismerősömnek kellene. Köszönettel: Gyula
Blaupunkt RD-104 München autórádió CPU hiba?
Sziasztok! Van egy fenti kódkártyás autorádióm, amit egyszer csak nem lehet bekapcsolni. Kapcsolási rajzot letöltöttem. Gyanúm szerint a processzor környékén van a hiba. Tápfeszültségek rendben. A reset impulzus megvan, de tovább nem jutottam. Ismeri valaki ezt a típust, tud valaki segíteni? Előre is köszönöm a segítséget.
Blaupunkt Davos 169
Kinlódok ezzel a szutyokkal Blaupunkt Davos RDM169. Végfok csere után baromságokat csinál.Hol megy a végfok hol meg begerjed 130 KHz-en, és qvára melegszik. A hang IC szintén. Az is hol elindul az órajel hol nem, és nagyon melegszik. A tápok jók. A rádió működik, a CD szintén, mindent szabályoz. a kijelző mutatja a hang kivezérlést de nem szól. A végfok nincs letíltva. Lehet ennek eprom baja? Kérnék valami ötletet mert én már kifogytam Kösz István
Similar manuals:
If you want to join us and get repairing help please sign in or sign up by completing a simple electrical test
or write your question to the Message board without registration.
You can write in English language into the forum (not only in Hungarian)!

E-Waste Reduce