Hali,
az említett mosógép motorja most kapott felújítást:
új csapágyak, új szénkefék, kommutátorok felszabályozva és összecsiszolva. Ránézésre szépen működik, viszont kegyetlenül melegszik: 10-15 perc lassú forgatásos (tehát nem centrifugás) üzem után forró az egész, még az ékszíjtárcsa is éget, és a szaga megtölti a fürdőt(nem égett szag, inkább olyan forró szigetelőlakk :) ).
Visszavittem bevizsgálni, a motor teljesen hibátlan, minden érintkezés szépen átvezet, menetzárlat nincs, nem vesz fel túl sok áramot. A tekercselők szerint elképzelhető hogy normális a melegedés, mivel a motor semmiféle hűtéssel nem rendelkezik.
Ha ezt valaki megerősíti elhiszem, de azért gyanús a dolog. A gép használtan került hozzám, a felújítás előtt csak egy kört ment, akkor nem tűnt fel hogy melegedne, bár konkrétan nem néztem, de szaga nem volt :)
Szorulni amúgy semmi nem szorul, minden csapágy új, ékszíj sem túl feszes. Ha ez segít, a motor sima szénkefés cucc, a fenékrészében mágnesgyűrűs fordulatjeladóval, ventillátor nélkül. A főpanelen a diódák, kondik átnézve, hibátlanok. Kapcsolási rajz nincs hozzá, de innen le lehet tölteni a wff2001-es kicsit elnagyolt szervízdoksiját , aminek ez a része ugyanaz.
A lényeg: normális -e hogy süt a motor, ha nem, merre keressem a hibát?
Köszi :)

Szia mbence!
Sajna ha a kommutátor pár szegmense elszineződik,és brummogó tortyogó hangja van akkor az egyértelmű
menetzárlat!!
Ez lehet attól is,hogy az esztergálás közben forgács került a menetek közé,és kikezdte a lakkot,vagy csak
egyszerűen leejtették.
Esetleg nézd meg a szegmensek közét,és ha kell akkor mikázd ki rendesen.
Nem -e csak annyi a baj!
Sikeres munkát
Molnitron
0
Nincs brummogó hangja, egyenletesen halkan búg 50Hz-en ahogy bármelyik mosógép :)
még megy pár kört, aztán megnézem hogy kiújult -e az elszineződés.
0
És még egy érdekesség: centrifugáláskor viszont visszahül, tehát úgy tűnik hogy csak szabályozott fordulaton melegszik. A felszabályozáshoz lehúzták a jeladó mágnesgyűrűt, ha mondjuk azt máshogy tették vissza, akkor lehet hogy valahogy rossz fázisban adogatja neki az áramot, és attól forró..?
0
Biztos, hogy nem normális. A motort mosógépen kívül, de terhelve járasd, hogy látni lehessen a kommutátort. Az is elképzelhető, hogy felszabályzáskor történt valami a kommutátorral.
Üdv! Kalex
0
Ok, és mit kell látni? :)
Amúgy a kommutátor érdekes, eltérően vannak elszíneződve az egyes érintkezők. Az egyik felén az összes sötétebb, a másik felén van 2-3 ami világosabb, a többi sötétebb, de nem annyira mint a sötét felén. Ezt a műhelyben is nézték de nem tudtak rá mit mondani, kimérve nincs semmi baja.
0
Szia!
Engem a kommutátor szineződése zavar, ha egy motor jó, akkor a szeletek színének egyformának kellene lenniük, én azt tapasztaltam eddig ilyen motoroknál, főleg porszívó, ha egy szelet barnább a többitől akkor az a forgórész kuka.
Más jártam már úgy egy ilyen motorral, hogy nem jelöltem össze, és az állórészt 180 fokkal elforgatva raktam vissza, de nálam egyszerűen nem indult el, lehet valami huzal sérülés is.
De ha műxik akkor kár agyalni rajta. Mosson és kész.
Gusztav
0
Erre gondoltam én is. Ezért javasoltam a szeletfeszültség mérést, mert abból már lehet következtetni a tekercselés esetleges aszimmetriájára, vagy kommutátor zárlatra.
Üdv! Kalex
0
Szerintem is fura, de állítólag mértek azt is, és minden rendben volt a forgórésszel is. Most kapott egy érintőcsiszolást a kommutátor, pár mosás után megnézem hogy megint eltérőek -e a színek, aztán ha igen akkor addig megy amíg megy, ha egyformák, akkor addig megy amíg megy :)
0
Egy frissen felszabályzott kommutátor nem lehet egyenetlenül sötéten elszíneződve. Ez arra utal, hogy a sötétebb részeken valami miatt nagy az áram. Érdemes lenne egy forgórészvizsgálóval a szeletfeszültségeket kimérni. Mivel nem tudom, hogy a szabályzása miként van megoldva (nem láttam a rajzát), a mosó üzem és a centrifuga üzem közötti különbséget melegedés szempontjából nehéz értelmeznem.
Üdv! Kalex
0
De lehet, ha akad a kefe.
0
Rendben, de ezt a lehetőséget elvileg kizártam, mert azt írták, most kapott új szénkefét. Feltételeztem, hogy aki kicserélte, megnézte, simán mozog-e, illetve belevaló-e? Mert ha nem, akkor csípje meg a kánya a lustáját. :redsad:
Üdv! Kalex
0
:)
Na ja... Pont az új, esetleg túl hosszú kefe tud feszülni-reteszelődni. Arra már nem is merek gondolni, hogy esetleg excentrikusra szabályozták a kommutátort.
0
A keféket én raktam be (meg aztán a szabályozásnál a szakik is), és nem akadtak, igaz hogy jó hosszúak és alig lehet begyömöszölni mögéjük a rugókat, de azért sikerült :)
Az excentrikusság egyébként előfordulhat, mielőtt visszavittem bevizsgáltatni hallhatóan sziszegve forgott (fordulatonként egy szisszenés) és sokkal darálósabb hangja volt mint most, ez az érintőszabályozás óta megszűnt. + mintha az 50Hz-es búgás is halkabb lenne most, de lehet hogy ezt már csak képzelem... lényeg hogy ez a kis utójavítás úgy tűnik használt neki, lehet hogy egy pici excentrikusság volt benne, amit nem tudtak jól követni a kefék és ezért színeződött el olyan furcsán.
Azóta ment 3 kört, ugyanúgy forró, és szaga is van még picit, de végülis nincs vele probléma, amíg megy addig lezártnak tekintem a dolgot.
Köszi mindenkinek a segítséget :)
0
Üdv!
A kutya itt van elásva,ha nem a szabályozást csezték el
"A keféket én raktam be (meg aztán a szabályozásnál a szakik is), és nem akadtak, igaz hogy jó hosszúak és alig lehet begyömöszölni mögéjük a rugókat, de azért sikerült "
Azoknak nem szabad szorosan feszülni a kommutátorra.
Gyakorlatilag lefogja a forgásban a motort,persze hogy melegszik...
Midenféle vacak kefével nem szabad kísérletezni!!
Felesleges rajz,és szerszám nincs,csak ritkán használt.
elwo
0
Szia Mbence!
Lehet beletervezték a motor melegedését a szárító funkcióba! :p
Ha túl meleg lenne, még átalakíthatod egy forgódobos kávépörkölővé! :rohog: :happy:
Bocsi, de ápr. 1 van!
Üdv: Laci
0
Nomen est omen! :king: :beer:
Üdv! Kalex
0
Akkor azthiszem ellátogatok egy másik szervízbe is :)
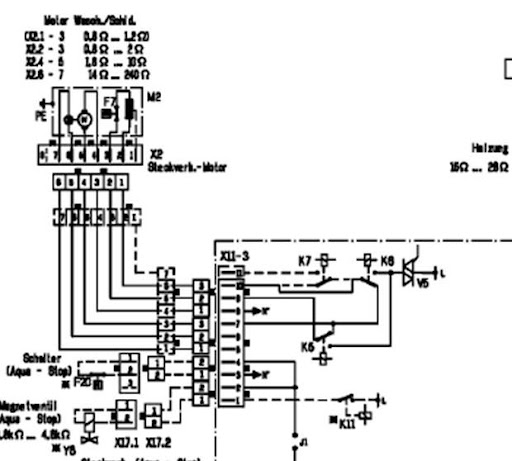
Itt a rajz, elég rossz minőségű de annyi látszik hogy egy triakos vezérlésről van szó:
wff 2001 motor
0
Szia!
Gyakorlatilag normális jelenség, ha a motor állórésze mosás közben 60-70 celsiusig melegszik, centrifugáláskor pedig visszahűl. Ennek az a magyarázata, hogy ezeknek az új mosógép-csodáknak a "lelke" egy triacos fázishasításos szabályozóval táplált ún. "univerzális" (soros gerjesztésű kommutátoros) motor, aminek a forgásirány-váltását a gerjesztő tekercs relés polaritás-váltásával oldják meg.
Alacsony fordulatokon a folyási szög kb. 60-100 fok, ami azt jelenti, hogy az áramirány minden félperiódusban fordul, és a motoráram úgy 100-200V-nál hirtelen kapcsol be. Ez rengeteg nagy amplitúdójú felharmonikust termel még 400 Hz felett is, ami eleve nagyon megnöveli az örvényáramú veszteséget a motorban. Ehhez járul, hogy mosás közben a motorfordulat 1000 alatti, és csak a "csupasz" motor természetes hűtése dolgozik.
Centrifugálásnál a folyási szög 200 fok feletti, a motoráram közelíti a színuszosat, így jóval kisebb lesz a veszteség. A motor fordulata is nagy, vagyis a forgórész szele javítja a hűtést. Ha a motor zárlatos lenne, nem tapasztalnád a visszahűlést gyors fordulatnál.
Felújításkor még alapos lemosás után is marad a motor melegedő alkatrészein, kommutátoron és kefén annyi kenőanyag-maradék vagy egyéb szennyezés, ami néhány üzemórán keresztül elpárologva adja a korábban nem érezhető "meleg-szagot"; ez nem téveszthető össze az égett tekercs szagával.
Ha a tekercselők mérése szerint a motor jó, ennek a szagnak 2-3 mosás alatt fokozatosan meg kell szűnnie. Persze feltételezem, hogy a tekercselő ki tudná mérni 1 menet zárlatát is mind az álló, mind a forgórészben.
A jeladó impulzusainak fázisa ennél a szabályozó-típusnál lényegtelen.
0
Na ennyi kellett nekem. Végülis belegondolva nem lehetett több 60-70 foknál, mert azért meg lehetett fogni, csak rövid idő után már nem volt kellemes :)
Közben kiderült hogy a mágnesgyűrű egyféleképpen mehet vissza, szóval ha számítana hogy hogyan áll, akkor sem lehetne az a hiba. Végülis nincs is hiba, szóval megy vissza dolgozni :)
Köszi a részletes magyarázatot ;)
0
Akkor jó, de ha azt írod:10-15 perc lassú forgatásos (tehát nem centrifugás) üzem után forró az egész, még az ékszíjtárcsa is éget,, akkor az ember 80-90 fokos ékszíjtárcsára gondol, ami viszont 100 fok feletti motorhőmérsékletet jelentene. :hmmm:
Üdv! Kalex
0
Ha a forgórész is tekercselve volt, akkor elköthettek véletlenül 1-1 szálat a kommutátornál.
(Ebédszünet után az egyik felén 1-1 szelettel elcsúsztak a bekötésnél!)
Nagy fordulatnál ez nem okoz gondot, mert olyan gyorsan váltakoznak a tekercsek, de alacsony fordulaton "van ideje rendesen átjárni az áramnak" és melegíteni!
Multiméter szakadásvizsgálójával nézd meg a tekercseket. A két kivezetés között ugyanannyi kommutátor szeletnek kell lenni körben mindenhol! :yes:
Ha nem így van, akkor vissza a tekercselő szakinak! :oke:
Üdv: Laci
0
Nem tekercseltek, csak felszabályozták a kommutátort és összecsiszolták az új szénkefékkel, szóval szerkezetileg nem változhatott semmi. Azért lehet hogy beépítés előtt még megnézem hogy a szeletek passzolnak -e..
Köszi :)
0
Sziasztok!
Én ugyanezzel a problémával küzdök. Bosch mosógép szénkefe csere után pár héttel égett szagot áraszt, mosás közben forrósodik a motor, de centrifugálás közben nem. Nem jövök rá a hiba okára.
Mbence! Sikerült megtalálni a problémát, vagy mi lett végül a géppel?
0
Szervusz Roky!
A topik több, mint két éves, a nyitója, már rég nem Tanyatag.
Viszont, elolvasva, a hozzászólásokat, az eredmény az, hogy ez a melegedés normális állapot. LUI kolléga hozzászólását ajánlom figyelmedbe.
Üdv:
exGelkás
0
Azt elolvastam, csak az én motoromon nem lehet semmi új szennyeződés, hiszen nem is lett szétszedve. Azt nem tudom, azelőtt mennyire volt meleg, csak azt, hogy eddig nem, de most égett szaga van, ha mos. Ha meg nem motorhiba van, akkor hiába égetem le ezt, az új ugyanúgy le fog égni. Ezért próbálom kideríteni mi lehet a baj.
0
Szia !
Ha égett szaga van, akkor az látható is . Szokott lenni egyik oldali tekercs zárlat ezeken a motrokon. Ki kell venni a motrot és szemügyre venni, látható lesz a szag forrása.
Miki.
0