Üdv mindenkinek!
Számítógépem tápegysége megadta magát. Nem kapcsol be kiépített állapotban sem.
Kapcsolási rajzot nem találok (lehet hogy rossz helyen keresgéltem eddig)
hálózati táp rákapcsolása után a graetzen 238V váltakozó feszültséget lehet mérni, egyenirányítás után 332V DC is megjelenik.
Semmilyen égésnyom, elváltozás az alkatrészeken nem fedezhető fel.
Bármilyen tanácsot, segítséget elfogadok.
Godypapa


Üdv mindenkinek!
A probléma megoldva! TNY279PN IC kicserélve - TNY280PN lett helyette beépítve (TNY279PN nem kaptam)
Valamint a fenti IC diódák áramkörében volt egy 2R2 SMD szakadt ellenállás.
Kicserélve, majd ellenörzés után +3V3, 5V0, -12V3, +12V3 stabilan 1 óra működés után is rendben.
Köszönöm a segítséget mindenkinek!
Godypapa
1
szia: a két ic kapcsolástechnikája azonos
Helyes a magasabb számúra cserélés, mert az kicsit magasabb teljesítményű
Szűkös helyeken az IC tetejére szoktam ragasztani egy ki U alakú fület 1 mm-es alu. vagy v.réz lemezbő la jobb hűtés érdekében
Bálint
0
Üdv!
Eleve hűtőborda van felette, ami hozzáér az IC-hez ... hűtése így megoldva.
Godypapa
0
Szia
Ezek valszeg aktív PFC elektronikásak felnyomják a puffer feszt közel 400V-ra (hatásfok miatt) Ha a PFC áramkör meghibásodik, nem lesz közel 400V dc a pfc áramkör utáni pufferen , ami min 450V-os kell legyen! Különben nem fog elindulni.
Üdv
lipi
1
Szia!
Hogy jelentkezett a hiba először? A gépben nem kapcsolt be?
Az asztalon próbálva a széles csatlakozó zöld és és fekete rövidre zárásával sem indul?
0
Üdv!
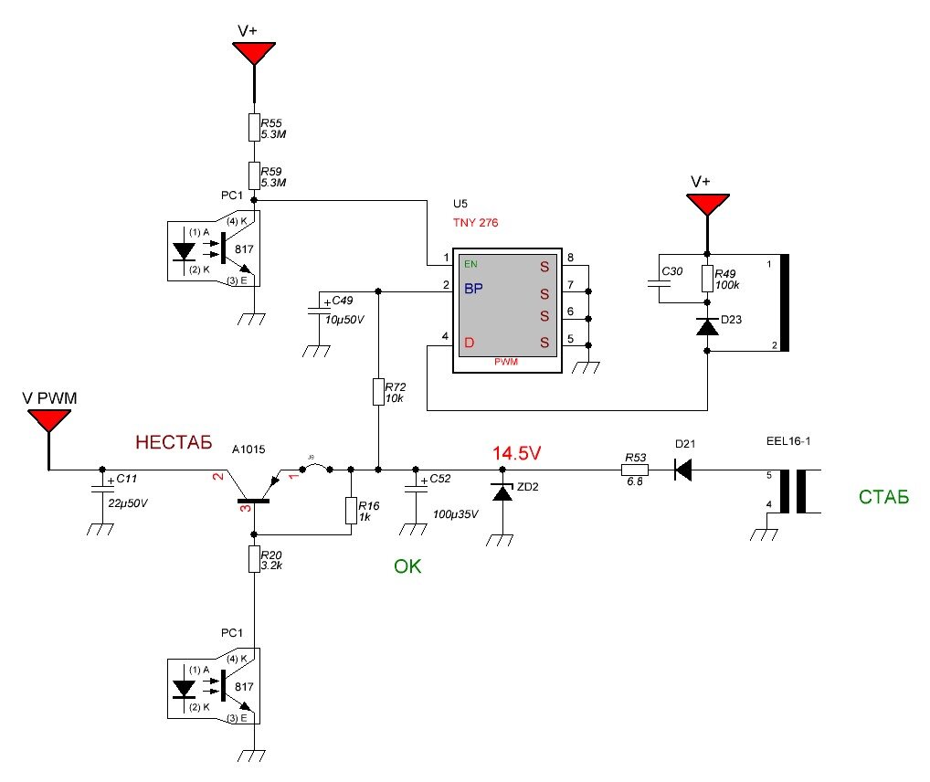
A gépben nem kapcsolt be. Kiszerelve sem, 4.képen rá van dugva a széles csatlakozóra egy panel, ON-OFF kapcsoló ezt a célt szolgálja.
Szétszereltem, bekeretezett SMD 2R2 ellenállás szakadt, a piros vonal jelzi, hogy hova megy a másik vége, D4 és D 5 diódákhoz, azok jók, a bekeretezett rész - egyik egy transzformátor, a másik egy IC2(?) típúsa nem leolvasható, mert hűtőborda takarja. Ezért lenne jó egy kapcsolási rajz.
Godypapa
0
vedd ki a hűtő bordát mindenestül https://avatars.dzeninfra.ru/get-zen_doc/271828/pub_65db871650518e6c976a3974_65eb78d6ca13f70dc530f060/scale_1200
0
Üdv!
Rajzod szerint ellenőrizve ...
- TNY279 IC 2-es láb jóformán rövidzár az 5-6-7-8 lábakkal (kb. 10 ohm)
- az alsó PC1 optocsatoló 3-4 szakadás, a felső jó. (az alsó inkább csak gyanús, majd kiépítve leellenőrzöm)
- a1015 tranzisztor jó
- diódák jók.
0
Szia!
Az egy "mosógép" IC. Épp most javítok egy pc tápot és döbbenet, hogy az FSP is mennyire leadta a minőséget, de hogy ide is betegyék ezt az öngyilkos szart, ez már tényleg a legalja.
Van egy új tápom a polcon 550W-os ha nem sikerülne a javítás.
Azt az IC-t szabadítsd ki, mert esélyes, hogy cserés plusz a körítés, amiről biztosan kapsz a kollégáktól útmutatást.
0
Üdv!
IC típusa TNY279PN ...
0