Sziasztok!
Olyan gondom lenne, hogy össze kellene raknom egy számláló áramkört, 555 timer, 74xx93 és 74xx47 IC és 1db 7 segmenses kijelzővel. Csak a timert bekötve, és egy leddel kijelezve okk. A 47 és 93 bekötése körül lehet valami, amit nem veszek észre. Köszönöm a segítséget!
2013, May 21 - 21:24
#1

Sziasztok, mindenkinek köszönöm a sok infót. Az IC-k adottak, abból kell összerakni. Szép napot!
0
Szia,
segítségnek!
Üdv,
Oszi
0
Szia,
Ennek a kapcsolásnak a megépítését javasolnám--biztosan működik s kellően szemléletes--ámbár nincs benne 555-ös.......
0
Sziasztok
Az555 is sántít 1-es láb helyett 2-essel kösd össze a 6-os lábat
1-es láb gnd
http://www.seekic.com/uploadfile/ic-circuit/201161384354761.gif
http://img168.imageshack.us/img168/8905/2fn7.jpg
http://img156.imageshack.us/img156/9249/adsz1lm3.jpg
http://img153.imageshack.us/img153/3084/adsz2fi8.jpg
http://video.dainutekstai.lt/w.php?a=PmLFLPB5g1o
http://img141.imageshack.us/img141/3919/111az4.jpg
http://ajengtryana.blogspot.hu/2012/05/cara-membuat-rangkaian-counter.html
pcb
0
Szia,
mi az pontosan ami nem működik? Ha jól értem az 555-tel az astabil jó! A kimenetét (3-as lábát) a 7493 Input A (14-es láb) bemenetére kell kapcsolnod így a legkisebb bitnek (QA 12-es láb) is váltania kell ha a törlőbemenetek (7493 2-es 3-as lába) közül legalább az egyik alacsony szinten van (pl.: GND-re kötöd) ill. az IC megkapta a tápot (5-ös láb +5V 10-es láb GND)! A többi bit órajel bemenetét (1-es láb) a QA-ra (12-es láb) kell kötnöd, így az összes kimenetnek váltani kell!
Ha ez jó a 7447 beállítása a következő az LT/ (3-as láb) és az RBI/ (5-ös láb) bemeneteket magas szintre kell állítani. Tápot kell adni neki 16-os láb a +5V 8-as a GND, illetve a 7493 kimeneteit kell a 7447 bemeneteihez csatlakoztatni 7493 QA (12-es láb) a 7447 A0 bemenete (7-es lábához) ill. QB (9-es láb) A1 (1-es lábhoz) QC (8-as láb) A2 (2-es lábhoz) és QD (11-es láb) az A3 (6-os lábhoz). Ha ez megvan a kijelzőt kell szegmensenként a megfelelő kimenethez kötni, egy-egy áramkorlátozó ellenálláson keresztül. Ez az IC közös anódos (a LED szegmensek anódja van összekötve és a +5V-hoz csatlakoztatva) kijelzőt kíván.
Üdv,
Oszi
0
Hali! Köszi, az inputokkal van nekem bajom, meg hogy minek kell negativra ill pozitivra mennie, kicsit kevertem. Holnap nekifutok, és összerakom. ŰMég1szer köszi! Ui: Alábbi rajz már okés lesz? Köszi!
0
Szia!
A rajz jónak tűnik, de nem szerepelnek benne a kijelzőhöz tartozó áramkorlátozó ellenállások. Így a kijelző ledjeire közel 5 volt feszültség kerül, ami rövid úton tönkreteszi őket. A kijelző és a 7447 lábai közé kell rakni egy 200-300 ohmos ellenállást, ahogy az általam vagy Kalex által megadott rajzon van.
Javaslom, hogy 7490-et használj a 93 helyett, mert a 90 csak tízig számol, utána nulláról folytatja, míg a 93 az 16-os osztó, ott a 9 feletti számoknál más jeleket fog mutatni a kijelző, ahogy az a belinkelt adatlap 3. oldalán látszik. Az IC-k persze lehetnek LS típusúak is, pl. 74LS90, csak az egyszerűség miatt írtam e nélkül.
Tesztelj a kijelzőtől visszafelé haladva! Ha a kijelző 3-as és 8-as pontját rákötöd a +5V-ra, majd egy pl. 220 ohmos ellenálláson keresztül a 7-es lábát a táp másik kivezetésére kötöd, akkor az "a" szegmensnek világítani kell. Ugyanígy le tudod ellenőrizni a többi szegmenset is.
Ha ez mind rendben van, akkor kösd rá a 7447 kimeneteire, majd a 7447 bemeneteit (A,B,C,D) leteszed testre (összekötöd a tápegység negatív pontjával), akkor a 7447 igazságtáblázata szerinti számokat kell látnod a kijelzőn.
Ahogy írták előttem az IC-k bemenetei üresen hagyva magas szinten vannak, egy vezetékkel simán testre lehet őket kötni a teszteléshez. Arra vigyázz, hogy az ilyen próbáknál a tesztelendő lábra más ne legyen rákötve, főleg ne egy másik IC kimenete! Ha biztosra akarsz menni, akkor inkább egy 470 ohm és 1 kohm közötti ellenállást használj a testre kötéshez! Így nem megy tönkre akkor sem, ha a kiválasztott láb történetesen kimenet.
Ha ez mind működik, akkor lehet áttérni a 7490 vizsgálatára, de először eddig juss el!
Üdv: kontur
0
Szia,
nem kell semmit sem kitalálni, azért vannak az adatlapok, hogy megmondják hogyan működik az IC, csak be kell tartani az igazságtáblákban jelölt feltételeket. pl.: 7493
Ez megmondja mi a feltétele a törlésnek és a számlálásnak:



Innen kiderül a kimenetek helyiértéke:
Ez pedig a logikai funkcója az IC-nek, ami teljesíti az igazságtáblákat, ha úgy tetszik az IC belsejének bekötése:
Üdv,
Oszi
0
Szia!
Ezt talán éppen neked való: http://www.aaroncake.net/circuits/counter.asp
De ha elárulnád, hogy mit csinál (mit nem csinál) az áramkör, esetleg még kapcsolási rajzot is mutatnál, akkor talán tudunk is segíteni. Adhatnál beszédesebb címet is, ilyenre gondolok, hogy pl. 7493-7447 kijelző nem működik. Én először azt hittem, hogy majd alapfokú digitális oktatóanyagot találok itt :)
Üdv: kontur
0
Hali, semmit nem csinált sajna! Teszek fel egy képet, amit összetettem, rajz. de ott kihagytam 1-2 "drótot"
0
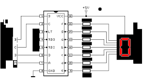
Szia!
Mitől működne? Ha a 7 szegmenses kijelző közös pontjára (-) kapcsolsz, akkor merre fog folyni az áram?

Esetleg így bekötve?
Üdv! Kalex
0
Nagyon kössz, kezdem felfogni...Szép napot!
0
szia: a kijelző is lehet közös anódos vagy közös katódos.
Bálint
0
Szevasz!
TTL-nél alapvetés, hogy az "üres" lábat 1-nek veszi, tehát, amin üzemszerűen 0-nak kell lennie, azt le kell földelni!
Thanatos
0
Köszi, szép napot!
0