You are here

GORENJE ZS210 tip. fagyasztó. Javíttatni vagy lecserélni?

44 posts / 0 new
Last post
zoltan35
zoltan35 picture
*

Sziasztok!
Tanácsotokat kérném eme fagyasztóval kapcsolatban. Édesanyám gépe tegnap reggelre érdekes "hang üzenettel" hozta tudomásunkra, hogy elege lett. Vagyis pár percenként "erölködő" hang és semmi több. Ha jól okoskodtam ki és helyesek méréseim, egyszerűen nem indul a kompressor és a hővédelem közbeszól. Ennek lehülése után újra próbálkozik, persze feleslegesen. Tehát szerintem meghalt a motor...
A kérdés éppen ezért erre vonatkozik. Érdemes-e kompresszort cseréltetni benne, vagy egy új készülék vásárlása a megoldás?
Köszönettel: Kiss Zoltán

Amennyiben érdemes a javítás, hab lenne a tortán ha lenne a közelben (Gyömrő, 50km) valaki, aki ilyenekkel foglakozik és elvállalná....

Comments
zoltan35
zoltan35 picture
*

Sziasztok!
Még mindig szerencsétlenkedek ezzel a gépezettel. Tanácsoknak megfelelően relét, stb. kihagyva próbáltam indítani és minden gond nélkül sikerült. Kétszer is meg ismételtem és nem tapasztaltam semmi gondot. Vagyis ha jól értelmeztem az eddigieket, akkor ez bizony nem motor hiba...
Tudja esetleg valaki, hol lehet venni hozzá való alkatrészt?
Köszönettel: Kiss Z.

File csatolás: 

0

kolya61
kolya61 picture

Szia Zoltán !
Jövök megínt a baromságaimmal !
Az indítórelé krepált be ! Az a tekercselt sz@r , kép bal oldalán.
Elektromágneses indítás, áramfüggő . Amikor a főtekercs megkapja az áramot , a relé tekercsén nagy áram folyik, de amikor a forgórész el kezd forogni a fogyasztás leesik, a tekercsben is kisebb az áram és kiold, ezzel megszüntetve a segédfázis áramellátását .
Na máá most, tényálladék van fent !!
Szétszereljük, lesimítjuk a kontaktusok ezüst felületét, mind két oldalon és mind a négy felületen.
A rúgós mágnest ellenőrizzük, nem szorul-e , kicsit hajlítunk a fogadó oldal kontaktusain . Összerakunk, jobb mint új korában ! :lol:
De sajnos a rángatózás , az gond .... :weep:
Vagy a hosszabbító sz@r és éjjeli lámpához való ....
Üdv! Miki.

0

zoltan35
zoltan35 picture
*

Szia Miki!
Miért lenne baromság mindez? Az igazat megvalva épp ilyesmiért(is) nyitottam ezt a topikot. Mivel egy hűtő teljesen ismeretlen terep számomra, de az elektromossághoz van némi közöm, gondoltam rákérdezek mit érdemes megnézni mielött szerelőt hívok. Ugyanakkor nem ál szándékomban jobban belemászni, csak további gondot okoznék vele a szakinak... én is alergiás vagyok ha "belepiszkált" készülék kerül kezeim közé.
(gyakorlatilag nem volt két egyforma indítási kisérlet, gyaníthatóan szorúl)
Végülis jelek szerint a hiba messze meghaladja képességeim, így tényleg ideje hozzáértő szakit kerítenem.
Köszönettel: Kiss Z.

0

kolya61
kolya61 picture

Szia Zoltán !
Sajnos , ha nagy az áramfelvétel, vagy ugrások vannak az áramfelvételben és rezgések a kompresszor munkája közben, akkor cserélni kell. :weep:
De ha stabilan indul és mukoggy , olyan 1A körül, akkor indítórelé javítás, de a komprinak, kompinak, kompresznek, dudálónak, nyomogónak, kacsálónak , (ezek direkt Sanyinak!) reszeltek sajnos .

Üdv! Miki.

0

zoltan35
zoltan35 picture
*

Szia Miki!
Ennek bizony "reszeltek"! Többszöri próba során bebizonyosodott, hogy valami "betegség" lapul ott belül. Van mikor indul, máskor szinte meg sem moccan csak az ampert (akár 11) szívja magába. Néha indulás után "rodeot" ad elő....
Nem kínlódok vele tovább, úgysem lenne értelme. Marad a szakember hívás, az legalább tudja mit kell tenni.
Köszönettel: Kiss Z.

0

Attee
Attee picture
*

Üdv!

Azt én is tudom. Kompresszort cserélni. Kicserélni viszont csak hűtőgépes tudja. :) Viszont számíts rá, hogy nem lesz olcsó.

0

Boldogblog
Boldogblog picture

Szia, sziasztok!

A krumplit kihagytad.

Gyömrőn tudok hűtőgépszerelőt.

Vadászom, Utamból Kotródj! (Fekete István)

0

zoltan35
zoltan35 picture
*

Szia!
Élni fogok "tudásoddal" és küldök privit. :bow:
Köszönettel: Kiss Z.

0

kolya61
kolya61 picture

Szia !
Lii-t , csak Brucelee , Nokedlee, Hocedlee, Penzlee, Virschlee és hasonlókat ismerek ...

Üdv! Miki.

0

Attee
Attee picture
*

Üdv!

Erre írtam, hogy az ampermérőt is szabad ám használni!

0

marosi
marosi picture

Szia Atee
Szabad szabad,csak ha szorul a kompresszor akor is több lessz az áram,ha menetzárlatos akkor is.

0

Attee
Attee picture
*

Üdv!

Így van. És így is, úgy is kuka a kompresszor... :) Ezért írtam, ha elindul, de túl nagy az áramfelvétel, akkor nagy valószínűséggel hibás a kompresszor, de mindenképpen hűtőgépszerelő kell...

0

Boldogblog
Boldogblog picture

Szia, sziasztok!

Pl az Orczy.
http://www.orczy.com/main.php?mode=kereses&tech_alcsop=54997721

Egyébként szerencséd van, hogy nem kompresszor hiba.

Meddig hagytad menni? Indítsd be (indításkor kell rövidre zárni a 3-k lábat) utána hagyd menni 1-2 órát. Ha stabilan megy, nem áll meg, nem füstöl, stb, akkor érdemes foglalkozni vele.

Vadászom, Utamból Kotródj! (Fekete István)

0

zoltan35
zoltan35 picture
*

Szia!
Csak nem egész egy percig hagytam menni, de kipróbálom tovább. Remélem tényleg szerencsém van...
Üdv, Z.

0

Attee
Attee picture
*

Üdv!

Esetleg egy áramfelvétel mérés sem ártana... Induláskor természetesen megugrik, de ha felpörög a motor, és az indítórelé ejt (illetve elveszed a segédfázis rövidzárát, szépen be kell állnia a kompri teljesítményének megfelelő értékre (Ha mákod van, rajta van a gépen, (vagy a kopin) mennyi az annyi. Ha nincs, számolsz kb. értéket. Ha jelentősen meagasabb, úgyis kiold a klixon.

0

lilasanyi
lilasanyi picture

Üdv!
Ha már segítesz, nagy baj lenne normálisan leírni, hogy kompresszor? Muszály kopinak, komprinak becézgetni? Annyira nem lehet nehéz lenyomni még pár billentyűt...:-(

Sanyi

0

Attee
Attee picture
*

Üdv!

Ha ez a vesszőparipád, ám legyen :) :bow:
Tehát Hermetikusan zárt, egyfázisú indítórelés aszinkron motoros dugattyús hűtőkompresszor. :)

0

lilasanyi
lilasanyi picture

Üdv!
Bocsi, de ez nem hepp, csak a magyar nyelv...

Sanyi

0

Attee
Attee picture
*

Üdv!

Jogos, megértettem :)

0

Boldogblog
Boldogblog picture

Szia, sziasztok!

Van olyan hűtős, aki krumplinak hívja. És nem a krumplifejem végett!

Vadászom, Utamból Kotródj! (Fekete István)

0

lilasanyi
lilasanyi picture

Teljesen mindegy, hogy ki minek hívja, de szerintem az a segítség, ha a kompresszort kompresszornak írjuk, és nem teszemazt: pistikének. Szerintem. De lehet, hogy nem vagyok elég modern...
Ha a kövekező lépcső a chatrövidítéses baromságok lesznek, törlöm a regemet, vagy legalábbis leszokok erről a fórumról. (is)

Sanyi

0

Mekmuki
Mekmuki picture

Szia Zoltán!
Ha gondolod nagyon szívesen küldök egy ilyen relét postán.
Üdv. Mekmuki

0

zoltan35
zoltan35 picture
*

Szia!
Köszönöm az ajánlatot, de sajnos mint kiderült nagyobb a baj. Mikor nálad voltam, jobban oda kellett volna figyelnem és tanulnom, lehet nemm szerencsétlenkedtem volna ennyit a hiba keresésével.
(megjegyzem a klíma amit javítottam, máig tökéletesen működik :bow: )
Köszönettel: Kiss Z.

0

zoltan35
zoltan35 picture
*

Sziasztok!
A tanácsokat követve már legalább az alapvető dolgokkal tisztában vagyok... (elektromos kapcsolás) eddig annyit tudtam erről a hűtőről, hogy hideg van benne.
Nos a "szerencse" csupán átmeneti volt. Sort kerítve a tartósabb próbára, vissza kerültem a kiindulási pontra: rossz a kompresszor. Ha elveszem a rövidzárat, ugrálásba kezd. Sőt némely alkalommal halhatóan nem "pörög" fel. Olyan mint egy menetzárlatos motor hangja... A megszakító nem old le (mondjuk nálam 50A-es) viszont a hosszabító szépen melegszik.
Itt bizony már csak egy szerelő és csere segíthet.
Köszönettel: Kiss Z.

0

lilasanyi
lilasanyi picture

Üdv!
A rövidzár csak pár másodpercig kell, míg elindul a motor...
A rángatózás az tényleg menetzárlatra utal. 50 A...bakker...annyival már hegeszteni lehet :-D

Sanyi

0

lilasanyi
lilasanyi picture

Üdv!
Bármelyik alkatrészboltban, ahol hűtőhöz is forgalmaznak alkatrészt. Kompresszor indítóegységet keress, nagy áramút.

Sanyi

0

Attee
Attee picture
*

Üdv!

Lehet az még indítórelé/PTC hiba is..Ebben az esetben te is meg tudod csinálni.
De lehet mechanikai gond (megszorult), de akár dugult is lehet a rendszer...Ide viszont már hűtőgépes kell. Ha a kopri rossz, az nem óccsó.

0

Boldogblog
Boldogblog picture

Szia, sziasztok!

Ki kell próbálni azt a motort. Most fejből nem tudom, hogy hogy is kell bekötni, de a googli segít:
http://elektrotanya.com/?q=hu/content/huto
http://www.hobbielektronika.hu/forum/getfile.php?id=72404
http://www.hobbielektronika.hu/forum/topic_8499.html?pg=12

Tehát próbáld ki! Ha így bekötöd egy darab madzaggal és indul, akkor máshol van a hiba. Ha nem idul, hanem veri a biztit, füstöl, stb, akkor megállt a motor.

Ha csak csapágyas, akkor indítgatás közbeni kalapálásra elindul. De ezzel sem mész túl sokra, csak tudod.

Gyömrőn tudok hűtőgép szerelőt.

Vadászom, Utamból Kotródj! (Fekete István)

0

zoltan35
zoltan35 picture
*

Sziasztok!
Tehát ha jól értelmezem amit írtatok, még nem teljesen biztos a motor hiba? Hm, azt hiszem nem csak fél méterről kéne megnéznem... én azt hittem egyszerű szerkezet mint a fa ék, és nem nagyon tud más elromlani benne. Amúgy olyan hangot ad, mint mikor egy kapcsolóérintkezői nem zárnak teljesen és csak áthúz.
(tényleg megnézem közelebbről)
Üdv, Z.

0

lapatnet
lapatnet picture
*

Üdvözlet !

Próbáld meg a gépet legalább 1 órára áramtalanítani, hogy a kompresszor és az indítórelé lehüljön. Ha szerencséd van akkor elindúl. Ha nincs akkor relé ellenőrzés esetleg csere.

0

zoltan35
zoltan35 picture
*

Szia!
Több mint egy napja áll. Most épp mikor újra bekapcsoltam, az áthúzásos hang maradt, de egy pillanatra indult volna a motor, szépet ugrott a bakon. Persze rögtön lekapcsoltam...
Üdv, Z.

0

Boldogblog
Boldogblog picture

Szia, sziasztok!

Írtam. Drótozd be! 2 lábon állandóan 220 volt a harmadikat meg odazárni valamelyikhez.

A linkeken a bekötés.

Vadászom, Utamból Kotródj! (Fekete István)

0

zoltan35
zoltan35 picture
*

Szia!
Ezt fogom tenni holnap, próbára bekötöm az ábra szerint.
Köszönettel: Kiss Z.

0

feci
feci picture

Szia.

Na de minek?
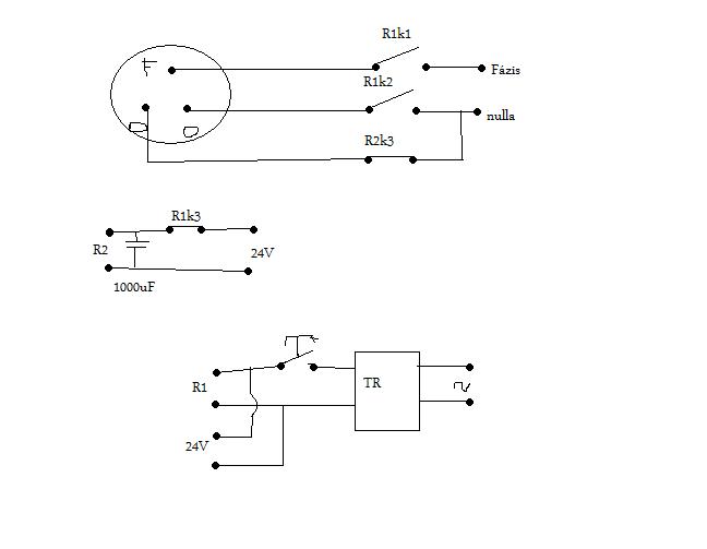
Ezek szerint, ha indulásnál hallatszik valami kattanás akkor az a kompresszor relével indul és nem ptc. A gorenye hűtőkben sokszor Danfoss kompresszor szokott lenni, azon ptc van és az el szokott égni ami látható nyomot hagy rajta. Ha leveszed a relét róla akkor látni fogsz három tőszerű csatlakozót azok a motor tekercsek kivezetései, lehet mérni. Egymáshoz képest egyik sem lehet szakadt és zárlatos sem a testhez. 1-2 ohm ellenállás se jó.
Ha méréssel nem látszik villamos hiba akkor esetleg meg lehet próbálni azt a relé nélküli bekötést, de ha akkor elindul, mindenképp cseréld ki benne a relét mert az nem véletlenül van ott.

0

zoltan35
zoltan35 picture
*

Szia!
Ebben Jugoszláv van. A méréseket elvégzem... Az ohm érétkek: 48, 42, 6. Testhez képest nem mérek semmit.
Köszönettel: Kiss Z.

0

feci
feci picture

Ha Jugoszláv a kompresszor benne, akkor nagy eséllyel nem relé hibás hanem megszorult a dugattyú. Ebben az esetben nincs mit tenni, vagy kompesszor csere vagy új hűtő. De majd kiderül próba után.

0

kisroka
kisroka picture

Zseniális vagy! Leírta, hogy relé nélkül szépen indult és járt, erre te jössz, hogy nem relé hiba, hanem megszorult a dugattyú! Talán végig kellene olvasni a témát, mielött ilyeneket írsz.
A leírtak alapján egyértelmű, hogy a relé érintkezője nem kapcsolja rendesen a segédfázist, és emiatt nem tud elindulni. Ekkor a nagyobb áramfelvétel miatt, egy pár másodperc múlva kikapcsol a védelem. Relét kell cserélni és kész.

0

feci
feci picture

Szia.

Ha te láttál volna már annyi hibás Gorenje hűtőt mint én, akkor ezt a hozzászólást nem is írtad volna ide.
De én még ennyit se vesződtem volna vele, egy mérés, relécsere és ha nem javul meg akkor vagy kompresszorcsere vagy kuka. Még relé nélkül se kötöttem volna be. Olyan nincs hogy rugdosd, kalapáld óvatosan vagy durván mert biztos nem lesz jó, ahogy jelen esetben is történt.
Csodák itt se nincsenek.

0

zoltan35
zoltan35 picture
*

Szia!
Én mindenesetre örülök amiért hasznos tanácsokkal láttatok el! Legalább tudom, hogy merre lehet a hiba és nem futok bele mondjuk egy érintkezési hibába..
A leg alapvetőbb dolgokat sikerült útmutatásaitok alapján ellenőriznem, innentől már átadom a terepet a szerelőnek.
Köszönettel:Kiss Z.

0

marosi
marosi picture

Szevasz fevi
Nekem van egy kompresszorom,igaz csak bicikli pumpálásra használom,motorja jó kompreszora valamikor ragad,megkoppintom,megy egy darabig,nem azt mondom hogy ez a megoldás,de müködik.

0

feci
feci picture

Szia

Nekem is van egy ilyen kompresszorom biciklit pumpálni. Eddig még az is mindig elindult egy kis rázogatás után. De itt most fagyasztóról volt szó amibe akár egy fél disznót is belerakhatnak, tárolhatnak. Ennek az év minden napján a nap minden órájában az óra minden percében kifogástalanul, megbízhatóan kell működni.

Amúgy, ha sokat használod azt a biciklipumpát akkor néha önsé bele kompesszorolajat mert azt is kifúja magából és egy idő után a földhözverés se fog rajta segíteni.

0

zoltan35
zoltan35 picture
*

Szia!
Akkor majd kipróbálom azt a bekötést és...
Köszönettel: Kiss Z.

0

marosi
marosi picture

Szia
Próbáld meg egy kicsit megkopogtatni az oldalát,inkább gyengén ütögetni,végül is jobban elnem romlik,hátha elindul,indulásnál tényleg hallani kell az inditó rellének a kattanását.

0

Sponsored links