Sziasztok!
Segítséget kérnék ehhez az aktív láda javításhoz.
Hálózati toroid trafó leégve:primer (230/115V)/szekunder:2x38,5,2x15,1x15V
Ajánlott T4A helyett T8A bizti volt benne. (gondolom U.K. import és anno 20 éve a magyar forgalmazó nem nézte.) Rakat elkó cserélve és zárlatos 2db.4558 és 1db cd4052 is csere.
Rajzot találtam hozzá. Szkóppal a jel egészen az azonosíthatatlan smd 16 lábú IC-ig(lekaparták a típust)eljut. Innen kapcsolódik 2db. IR2110-re.A mellékelt rajzon az IC lábkiosztásai jelölve vannak csak a típusra nem találok eredményt.
Hátha valaki segít!
Köszönöm!
UI:már addig eljutottam,hogy készenlétből bekapcso,l pirosról zöldre vált és kapcsolja a relét a hangszóróra.
2025, October 11 - 14:48
#1
Szia,
A végfok három öcsipanelt tartalmaz. Ezek az U11, U12, U13 a rajzon.

A végfok hídkapcsolású és az U12, U13 modulok tartalmazzák a feteket
meghajtó High and low side drivereket amelyek IR2110-ek.
https://www.infineon.com/assets/row/public/documents/60/49/infineon-ir21...
Ezek a meghajtók már a PWM jelet kapják, nem az audio jelet!
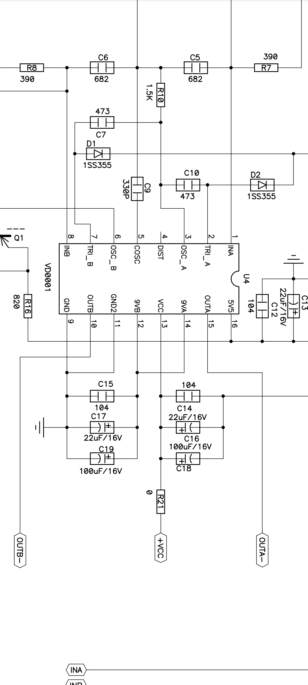
Magát a PWM jelet az U11 modulon elhelyezkedő U4, VD0001-el jelölt IC állítja elő. Az U11 fotója:
Sajnos az U4 (a kép jobb oldalán elhelyezkedő) IC-ről eddig nem találtam értékelhetőt.
A rajzok Innen származnak (1 perc regisztrálni) :
https://www.badcaps.net/forum/troubleshooting-hardware-devices-and-elect...
Remélem, ezekkel másokat is segítek a keresgélésben!
L.
0
Szia DINO54!
Köszönöm a kutatást!
Pont idáig jutottam el.
badcaps.net-re már regisztráltam előtted.
Felvettem a kapcsolatot a Monitor Audio -val ,várom a válaszukat.
Üdvözlet!
0
Sziasztok!
Valamit találtam aminek ua. A lábkiosztása IRS2092S csak az enyém
SSOP16 tokozású
0
szia: ezt keresed?
https://kontel.hu/shop_search.php?search=IR2110
https://www.hqelektronika.hu/hu/kereses/.%20IR2110
Adatlapok is vannak
Bálint
0
Szia!
Oké de amit én keresek az nem IR 2210
0