Sziasztok!
Van egy makacs F61-es hibám. Néha bekapcsol a készülék, néha ragaszkodik az F61-hez. A végfokok át vannak forrasztva, tápok rendben.
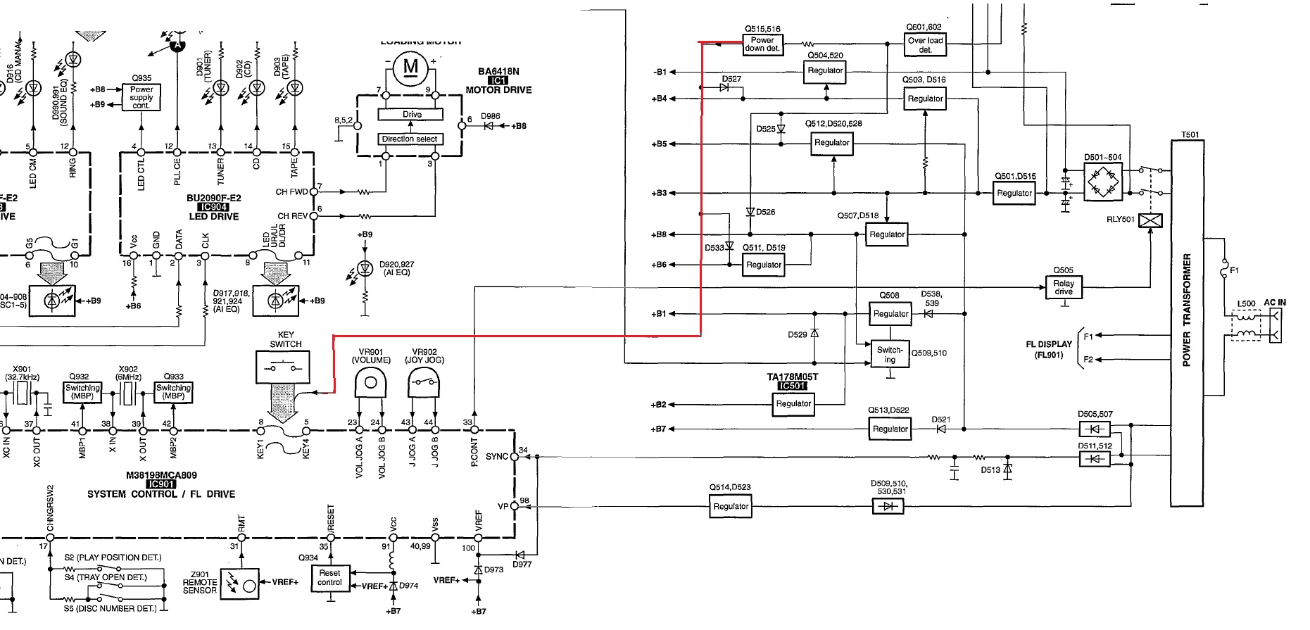
Az F61-et csak a DC DET jel okozza? CN903 5-ös lába.
Kivettem a Q515-öt, elvileg ez húzza alacsonyra, de ugyanúgy előjött a hiba.
Próbáltam lekövetni a vonalat, de mintha a nyomógombokhoz ment volna tovább az a szál a rajzon. Előfordulhat, hogy egy nyomógomb átvezetés okozza?
Jácint

Szia!
A kábelcsatlakozó aljzat forrasztásai tudnak ilyet okozni, sokszor leszédül az ón róluk az oxidáció miatt. Kopogtasd végig csavarhúzó nyelével őket.A táprész forrasztásait is nézd át. Nekem már volt hibás a system control ic is, de akkor folyamatosan F61 volt a kijelzőn és a gazdája szerint áramszünet után írta ki.
0
Üdv!
"Próbáltam lekövetni a vonalat, de mintha a nyomógombokhoz ment volna tovább az a szál a rajzon..."
Esetleg nem a fejhallgató aljzat kapcsoló érintkezőihez ment?
A DC DET vonalon rengeteg alkatrész van, rakás mindent figyel, az azon levő szinte bármi okozhatja ezt a hibát... Ventilátor, végfok tápfesz minimális asszimmetria is. A Q515 mellett sokminden van még ott rajta...
0
Szia!
De a Q515 az összefoglalója a hibajeleknek, az mondja meg a proc-nak, hogy baj van. Az, hogy a Q515-öt rengeteg minden izgatja, azt látom.
A blookvázlat szerint viszont jól néztem, hogy az előlapi gombokhoz van bekötve.
0
szia: elég régi a készülék ahhoz, hogy a gombok is lehetnek a hiba okai
Bálint
0
szia okoskodótól
A Panasonic SA-AK25-en megjelenő F61 hiba a hálózati ellátás vagy a védelmi áramkör hibájára utal. A probléma megoldásához ellenőrizze a tápegység fóliáján lévő alkatrészeket, mint például a kondenzátorok (szivárgás vagy duzzadás jeleit keresve), a relét, a biztosítékot és a feszültségszabályozókat. A csatlakozók tisztítása és a hibás alkatrészek (kondenzátorok vagy IC-k) cseréje szükséges lehet.
Hibaelhárítás lépései:
Összefoglalva: Az F61 hiba megoldásához alaposan át kell vizsgálni a készülék tápegységét és védelmi áramköreit, és kicserélni a hibás alkatrészeket.
0