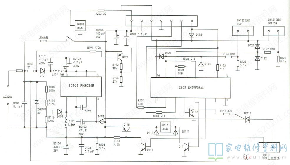
Sziasztok ! A markolatban elhelyezett elektronikában található jelfogó megolvadt és az első kis panelon lévő proci zárlatos lett SH 79F084AL felirattal ! Az ALIN beszerezhető viszont nem vagyok igazán járatos a témában a kérdés az ezek a procik fel vannak programozva ? Üdv!
2024, August 15 - 13:14
#1

Mi lett vele ?
0
Üdv ! Sikerült kedvező áron procit szerezni !Üdv!
1
Köszönöm a tájékoztatást.
0
https://chinese.alibaba.com/product-detail/Smart-Constant-Temperature-Automatic-Electric-Kettle-1600535957485.html
https://blog.csdn.net/karaxiaoyu/article/details/139461302
0
Öreganyánk negyven évig tologatta heti rendszerességgel, a kényesebb ruhákhoz ha kellett bal kezével egy tálból porlasztott egy kis vizet a talp elé.
Aztán jobb létre szenderedett... a vasaló még meg van és működik.
2
Szia!
ilyenem van pár darab.. is..
Miért kell ezeket a "modern" gépeket túl bonyolítani? Már volt olyan, ami mondta, hogy hány fokos :-)
1
https://fixpart.hu/termek/philips-996510073641-modulok-elektronikai-aramkoro-vasalo?_gl=1*1k0x789*_gcl_au*MTg0OTAzMzg1NS4xNzIzNzMyMDg1*FPAU*MTg0OTAzMzg1NS4xNzIzNzMyMDg1
https://fixpart.hu/termek/philips-996510073686-modulok-elektronikai-aramkoro-vasalo
https://www.520101.com/files/newfile/20220427/6f73ee14eee5008326704381e31b6081.jpg
0
szia: WiFi nincs is benne, hogy mobilról lehessen kapcsolni/beállítani?
DDD
Bálint
0
beképzelt gyerekek játéka nincs wifi
0
Szia!
Azt is falhoz kéne állítani aki ezt az egész elektronikás mizériát kitalálta!
Zöldért....Azért... Ez nem szennyezi a környezetet? vegyél újat tízezrekért!
2
Szia!
Találkoztam már szendvics sütő, kézi mixer, hajszárító, kávéfőző. Mi jön még????
0
Növekedésre ítélt fogyasztói társadalom,mint egy rákos szövet.Ha nincs növekedés,összeomlik.Vasalóba mikrovezérlő...
2
szia: ez sem wifis
Öcsém keresztapja férfiszabó volt, ő használt ilyen parazsas vasalót télikabátokhoz
Bálint
0
szia: ez lenne?
https://fixpart.hu/vasalo-alkatreszek/philips/hi5918-20?gad_source=1&gcl...
Bálint
0
Szia !
Sajnos a proci üres amit a kínaiak adnak.
Komplett elektronikát vegyél.
0
Sziasztok ! 17 ezer ft pofátlan ár ! Üdv!
0
Szia Braunv !
Az új vasaló, garanciával, mennyibe kerül ?
U.I.
A proci tartalomra annyi esély van mint a kínai holdjáró service manualjara .
0
Szia ! Ilyen alapon nézve is elgodolkodtató de az új érához képest talán nem ,hisz az új ára 40 ezer ft ! Üdv!
0
szia: a márkanevet kell megfizetni, holott a Philips már egy jó ideje nem márka
Látható, hogy ára ellenére egy pár éves vasaló is elromlik
Bálint
1
Nekünk minden vasalóval eddig (Philips, Moulinex, Tescós, Aldis, bármi) az volt a bajunk, hogy 1-2 hónap után lement a fűtőértéke. Már nem melegített annyira a maximum vászon fokozaton sem. Itthon gyűlnek a "még kicsit jó" vasalók. Ezek szerint processzor hiba? Vagy a wifije ment tönkre, és nem tud kapcsolódni a kínai vasalószerverre?
6
Sziasztok ! Köszönöm a segítőkész válaszokat de úgy néz ki hogy elállok a javítástól feltéve ha tulaj mégis rá szán 20 ezer Ft ! Pár éves cucc és dobd el mert filléres alkatrészt horror áron lehet hozzá kapni szomorú ! Voltam elektronika hulladék begyűjtésénél és ámulva láttam hogy mennyi még javítható pár éves cucc végezte ott és legszomorúbb hogy általunk márkás termékek is szép számmal voltak ! No ez a fogyasztói társadalom pazarlás a köbön ! Üdv!
0
Szia!
Tudod, egy szakállas bácsi (nem, nem a télapó) 1867-ben írt erről egy könyvet...A Tőke...
KN
3
A szakállas bácsi sem volt normális (állítólag büdös és antiszociális is volt)
Az a baj,hogy egy bolygónk van,és hiába van tőkéd,ha már nincs élhető környezeted.
A forgatókönyv már megvan,csak a megvalósulás ideje vitatott.
2
Nem mondtam, hogy az volt.
Azt sem, hogy jó dolog.
Csupán azt mondtam, hogy ezt régen leírták.
A tőkének pedig mindig lesz élhető környezete.
De erről ennyit. Maradjunk a vasaló javításánál.
0
Mi lesz a vasalóval ?
0
Üdv ! Nagy kérdés ! Még próbálok alkatrész után nézni hátha van valakinek elfekvőben egy más módon hibás ! Üdv!
0
Szia!
Egy Parksideos forrasztópákában ki kell cserélni a triakot, hogy elbírja, és ráakasztani a vasalót.
0
Szia!
2! azaz 2-szer volt bekapcsolva az a csoda :-) igaz maga a fűtőbetét halt meg :-) még a műanyag forrasztást se bírta :-)
0
Szia ! Írtam privát az igaz hogy PHILIPS de valójában kínai ez készülék !
0
Szia!
Ilyen procis verzio most nincs, ezeket vissza szoktam adni.
A szétszedés és a hiba feltárás már nem éri meg. Plusz kiolvasni a tartalmat lehetetlen...
Ezek így vannak kitalálva.
0
Szia ! Kár hogy nincs meg ! Nyugdíjas vagyok örömmel foglalkoztam volna vele . Üdv!
0