You are here

SM 104 NDK gyártmányú N fet -eket keresek. / Megodódott/.

24 posts / 0 new
Last post
Galibali
Galibali picture

Sziasztok!
Keresek kettő - négy darab NDK gyártmányú SM104 N csatornás mosfet -et elfogadható áron.( ha párban lenne elég a kettő).
Bontott is megfelelne.
Esetleg beszerzési forrást ha tudna valaki, Ebay -on kívül - megköszönném a segítségét.
Köszönöm, hogy olvastad!
Üdv.
Galibali

Köszönöm mindannyiótok segítőkész hozzászólását, segítségét.
A BS170-el is működik valamennyire, de csak nem jó ide ez a fet.
 Rendelek eredetit.

Üdv.

Comments
Ames Gyuri
Ames Gyuri picture

Szia
Miért nem jó az ebay ? Ott van a szomszédban Bulgaria 2 db $4.46 és van neki tőbb is. 
Üdv  Gyuri
 

0

Galibali
Galibali picture

Szia!
Küldenél linket privátban? Ezt nem láttam vagy nem vettem észre.
Köszi.
Üdv.

0

Galibali
Galibali picture

Sziasztok!
Josef.48 hszé-ben a bss48, -49 et írja, ez ugyan smd. Én találtam BS170 - est. Ez van is a fiókban.
Lehet, hogy ez is jó lehet?
Ha nem muszáj nem nyírnám ki az alapműszert.
Köszi.
Üdv.

0

SzBálint
SzBálint picture
****

szia. 
josef.48 hszé-ben a bss48, -49 et ?

Bálint

File csatolás: 

1

Galibali
Galibali picture

Szia!
Ezt a katalógust még nem sikerült megtalálnom.
Bepróbálom a bs170-et.
Remélem beválik.
Köszönöm.
Üdv.
 

0

varga jano
varga jano picture
*****

Sziasztok !
A Conrad vásárolta fel a régi NDK cuccokat az egyesítés után .( Így vettem az NDK mosógépben lévő "kapcsoló erősítőbe " relét . )
Esetleg az echte német Conradnál ?

0

josef.48
josef.48 picture
*

Szia Janó ! A Conrád még a régi idökböl árusitott NDK-ban gyártott cucokat . Én pl.vettem egy Voltcraft labortápot amely belül teljsen RFT  gyártmányú. Az SM104-et  helyetsitö N mos fet a BSS138 vagy BSS139 .Ez smd  SOT23 és kapható a Conrádban is De itt is kapható 10 darab 0,20€ .https://www.pollin.de/p/fet-130740      .üdv.Jóska

0

Galibali
Galibali picture

Szia Josef.48!
A Lomexnél is kaphatóak!
Üdv.

0

Attee
Attee picture
*

Üdv!

Ez elég régi darab. Ha ragaszkodsz a magas Rds(on) értékhez, akkor igencsak "veterán" FET-ek közt kell kutakodni.
De ragaszkodsz hozzá?
Mibe kell?

0

Galibali
Galibali picture

Szia Atte!
NDK műszerbe.

0

Attee
Attee picture
*

Üdv!

Csak nem Uni11e vagy Uni12e?
Bár emlékeim szerint azokban duál FET van a bemeneten...

0

Galibali
Galibali picture

Szia!
Nem. A típus: Vielfachmesser 4.
Az UNI11 ben valóban dual fet van és beszerezhetetlen. (Orosz)
Üdv.

0

SzBálint
SzBálint picture
****

szia: biztos rosszak a FET-ek?

megpróbálnám 2N7000-rel vagy BF245C-vel, a Dran áramot 3-6 mA-re állítva

Bálint

http://www.radiomuseum.hu/vielfachmesser4.html

0

Galibali
Galibali picture

Szia SzBálint!
Átgondoltam. Egy kicsit elkapkodtam előző váalszom. A BF245C J-fet, ez nem jó!
A 2n7000 Mosfet, de van benne dióda. Nem tudom ez mennyire befolyásol. Az eredeti lenne a legegyszerűbb, ha valakinek lenne és megszánna vele.
Persze nem ingyen.
Üdv.

0

SzBálint
SzBálint picture
****

szia: az én katalógusomban nem látom.
Több műszerben láttam már  ezeket

Bálint

0

Galibali
Galibali picture

Szia!
Nem, hiányoznak!
Majd átgondolom. Köszi.
Üdv

0

zsugori
zsugori picture
****

.

0

Galibali
Galibali picture

Szia Zsugori!
Hát ez az. Idáig én is eljutottam a keresésben. Néztem equialentet is de nincs megfelelője az eddigi kutakodásaim szerint.
Majd kiderül, hátha.
Üdv.

0

zsugori
zsugori picture
****

 a pracitronic gf21 gf22 ...
tesla KFZ52 KF520 talán
a sárga vart-át kerüld

https://www.mikrocontroller.net/attachment/167189/GF21.png

File csatolás: 

0

SzBálint
SzBálint picture
****

0

Galibali
Galibali picture

Szia SzBálint!
Ezt én is láttam.
Szerinted valamelyik jó lehet az SM 104 paramétereit nézve?

0

SzBálint
SzBálint picture
****

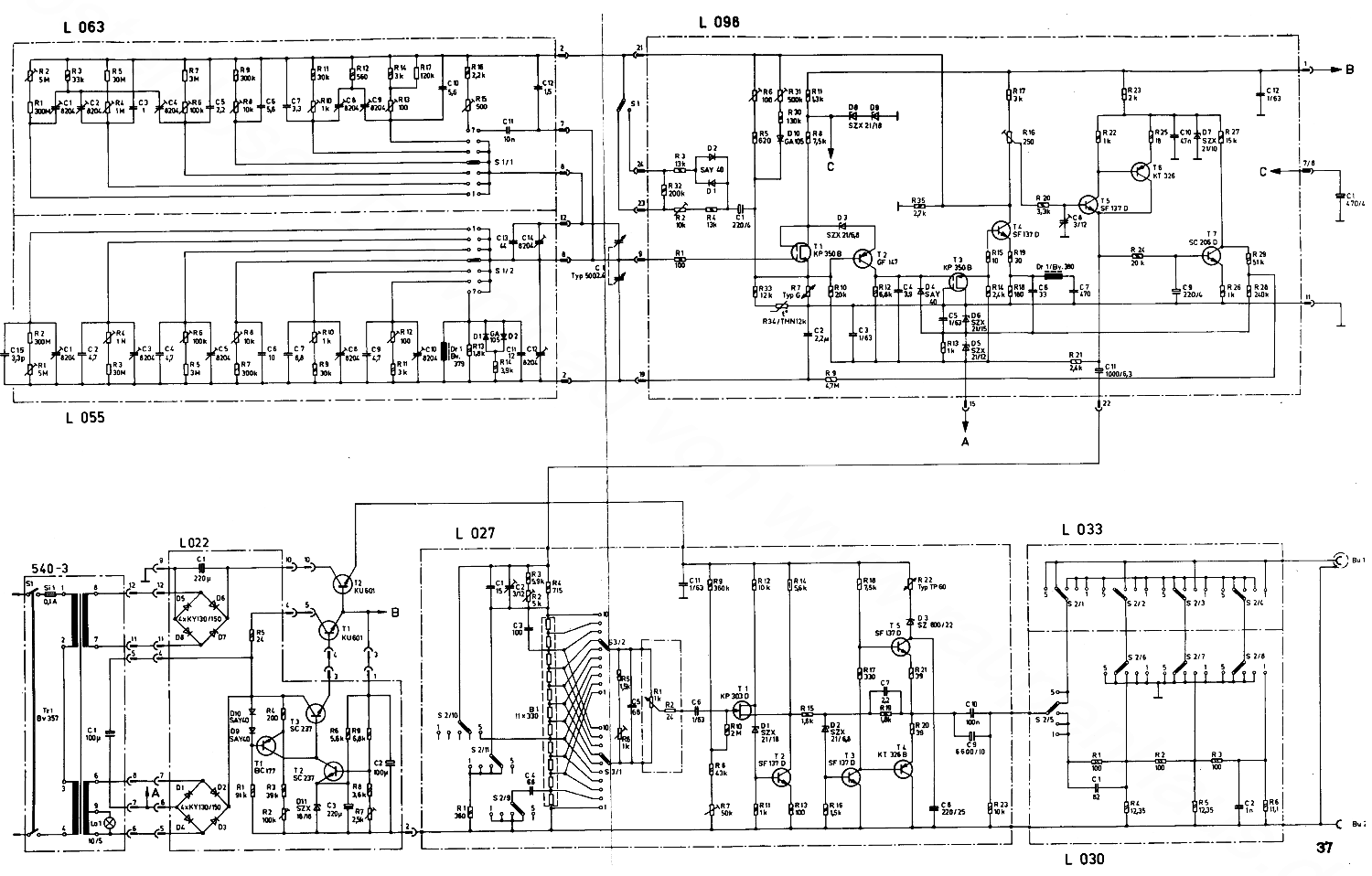
szia: van rajz a műszerről, vagy típus?

Bálint

0

Galibali
Galibali picture

SziaSzBálint!
Zsugori volt szíves megelőzni, csatolta a rajzot.
A műszer típusa:  Vielfachmesser 4
Üdv.

0

Sponsored links