Sziasztok!
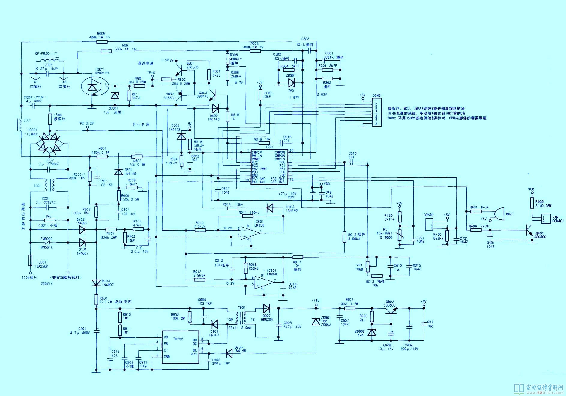
A fendi indukciós lap mindent csinál, csak nem melegít. Megy a kijelző, kezelhetők a funkciók. Az IGBT-t meghajtó áramkörökre tippelek, viszont ehhez jó volna egy rajz a hibakereséshez.
Köszönettel:
Attila
2024, August 23 - 17:10
#1

https://youtu.be/dFzMMwycy5k?t=178
0
Mi lett vele ?
0
Szia!
MEGOLDVA!!!
Egy 300kohm-os ellenállás volt megszakadva, ami a 220V-ról adott tápot valahová a proc környékére, ami vezérli az IGBT-t. Örültem, hogy beindult, nem nyomoztam tovább, egyértelmű volt a hiba oka. Ép, sértetlen állapotúnak látszott, mégis szakadott' volt.
Köszönettel a hozzászólásokért:
Attila
Ui:Már csak az AEG-hez kellene egy kis szerencse...
1
Gratula ,abban is lehet ugyan ez a hiba
0
Szia, ismét!
A másik (AEG) indukciós lapnál abban tudnál-e segíteni, hogy:
Sehol nem találom a datashet-ben két IC vagy tranzisztor adatait:
Az egyik egy SMD valami, aminek elvben sok megfelelője van,(írnak sima műv. erősítőt, N-FET-et, P-FET-et...) de nem tudni, mi is az. Ez egy (kettő van a gépben) J31CG, alatta 738feliratú, tipusú, tranzisztor, SMD, fém hűtőbordán. A másik alkatrész egy 4X11, azaz 44 lábú SMD IC. A feliratok: ATMEGA32L, alatta 8AU 0803B, alatta SL609.
Szerintem ezen a panelen lesz a hiba, ez az IC kapcsolja (kapcsolná) a reléket, de ennek sem találom az adatlapját. Nagy segítség volna, ha ki lehetne nyomozni, mik is ezek.
Köszönettel:
Attila
0
szia nem alatta inkább mjd
0
Szia!
Ez a téma már inkább az AEG..topikhoz tartozna, oda kellett volna írnom, de Így is nagyon köszönöm (honnan a búbánatból tudsz ilyen csodákat elővarázsolni???)!
Az IC-t körbemérem, a tranzisztor szintén telitalálat, csak még azt nem tudom, hogy milyen?
Üzenetet is küldök, nem ide tartozik...
Hálás köszönettel:
Attila
0
Szia!
Köszönöm! Bár a próféta szólna Belőled!!!
Itt azért a vak szerencse, meg a sokadik próbálkozás is segített.
Azért egyelőre nem adom fel...
Üdvözlettel:
Attila
0
kondik hajlított lábai még mindig hiba forrás miért nem lehet ezt egyszerűbben főzni kell csak ,nem kell irányítani
0
Szia!
Köszönöm a válaszod!
A nagy, 8 UF-os kondikra gondolsz? Kiszedtem már mindegyiket, és megmérve őket, mind jók. Az nem világos (ezért lenne jó a rajz), hogy honnan jön a jel, ami elindítja a rezgést. Van ott egy processzor is, talán az lehet az oka...
Üdvözlettel:
Attila
0
zd601 biztos rossz de az hibakódot dobna lehet csak a kezelő működik ,előtte megszakadhatott a kapcsolat kontakt hiba
tefal ami supor
1
Szervusz!
Megint (ezt is) elővettem, de az elektronikája teljesen más, mint ami nálam van. Az enyémben a következő Ic-k vannak:
-DCL6907 (20 lábú, SMD)
-49927alatta a felirat:08 2228NCB (a 08 lehet, hogy OB, nagyon rosszul olvasható)
-393, alatta:EF717
Két utóbbi 8 lábú, SMD
Kb. 4 másodpercenként halk kattanás, mintha indulni akarna, és szkópon is csak egy nagyon gyenge "pamacs" látszik az IGBT gate-jén.
Tele van SMD tr-kal.
Üdvözlettel:
Attila
0
Szervusz!
Nézem a rajzot, de ZD601-et sehol nem látok. D601, és ZD604, ami még szóba jöhet. Nem vettem észre?
Üdvözlettel:
Attila
0
Köszönöm mindenkinek a segítségét!
A héten a kick-box VB-vagyok a versenyzőimmel, ahogy lesz időm, megint beleülök.
Üdvözlettel:
Attila
0