Service manuals, schematics, eproms for electrical technicians

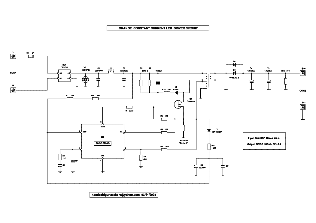
ORANGE CONSTANT CURRRENT LED DRIVER 160VAC-240VAC 170MA 36VDC 900MA Z8CYL7T60G SCHEMATIC

POWER-SUPPLY - SERVICE MANUAL
Type: (PDF)
Size
103.8 KB
Page
1
Category
POWER-SUPPLY
SERVICE MANUAL
If you get stuck in repairing a defective appliance download this repair information for help. See below.
Good luck to the repair!

Please do not offer the downloaded file for sell only use it for personal usage!

Looking for similar orange manual?
Document preview [1st page]
ORANGE CONSTANT CURRRENT LED DRIVER 160VAC-240VAC 170MA 36VDC 900MA Z8CYL7T60G SCHEMATIC service manual (1st page)
Preview of ORANGE CONSTANT CURRRENT LED DRIVER 160VAC-240VAC 170MA 36VDC 900MA Z8CYL7T60G SCHEMATIC [1st page]
Click on the link for free download!
Advertisements
Please tick the box below to get download link:
  • Also known:
    ORANGE CONSTANT CURRRENT LED DRIVER SCHEMATIC 170MA 36VDC 900MA Z8CYL7T60G 160 VAC 240 170 MA 36 VDC 900 CYL 60 160VAC 240VAC
  • If you have any question about repairing write your question to the Message board. For this no need registration.
  • If the site has helped you and you also want to help others, please Upload a manual, circuit diagram or eeprom that is not yet available on the site.
    Have a nice Day!
  • See related repair forum topics below. May be help you to repair.
Warning!
If you are not familiar with electronics, do not attempt to repair!
You could suffer a fatal electrical shock! Instead, contact your nearest service center!

Note! To open downloaded files you need acrobat reader or similar pdf reader program. In addition, some files are archived,
so you need WinZip or WinRar to open that files. Also some files are djvu so you need djvu viewer to open them.
These free programs can be found on this page: needed progs
If you use opera you have to disable opera turbo function to download file!
If you cannot download this file, try it with CHROME or FIREFOX browser.
Translate this page:
Relevant POWER-SUPPLY forum topics:
Zuhanyfülke vezérlő elektronika
Üdv Került hozzám egy YH138B neveztü dobozka ami egy mindent vezérlő csoda. Ez rádiót telefont világítást,stb vezérelt de se kép se hang. A csatija 4 pontos de sejtésem sincs hogy miként tesztelhetném. A belében egy HMS87c1204AP csücsül. Találkozott már valaki efféle kacattal? Köszi Laci
Hajdú centrifuga lassítása hogyan?
Sziasztok Ma kaptam egy feldatot hogy egy centrifugát Hajdút " új " lassbb járásra kéne bírni. Ha jól emlékszem ezek a motorok nem fordulat szabályozhatók. Talán ha a hálózati frekit változtatnánk azt követné. Na de az nem egyszerű. Nem kell konkrét fordulatszám csak lassabb mert zöldséget szárítanának vele. Tanácsaitokat előre is köszönöm. Laci
Sunnybell ST-69 vezeték nélküli ajtócsengő átépítése
Sziasztok! Lakótelepi lakás előterébe, a lépcsőházba szereltem évekkel ezelőtt egy ST-69 típusú vezeték nélküli ajtócsengő (Praktikerben vettem) adó egységét. A vevő 3 db 1,5-os baby elemmel működik, a lakásom előszobájában állítottam be. A korábban a lakásban működő hagyományos ajtócsengőt rettenetes hangja miatt, illetve azért, mert a tekercse éjjel-nappal zizegett, kiszereltem a kismegszakítós szekrényből, és arra gondoltam, hogy az előtéri illetve a lakásajtó csengőjét is az ST-69-el oldanám meg. Egyúttal a vevőt a 3 db baby telep helyett egy csengőtrafó segítségével közvetlenül a hálózatról üzemeltetném. A kérdésem igazából az lenne, hogy van-e az ST-69 típusról elérhető kapcsolási rajz, vagy információ arra vonatkozóan, hogyan tudnám a vevőt a rádiófrekvenciás adó mellett egy közvetlen nyomógombbal is indítani, a lakásajtó mellől. Esetleg érdemesebb lenne egy külön adót is venni / beszerelni, illetve annak nyomógombját kivezetni az ajtó mellé? Előre is köszönöm a válaszokat! Üdv: Chris
Autóba keresnék világítás késleltetőt
Sziasztok! Az egyik ismerősömnek kellene az autójába egy elektronika, ami késleltetné a belső világítást ( elhalványodna ) egy félperc után aludna ki. Hol lehetne ilyen elektronikát venni? Vagy valakinek ilyenről rajza van?
If you want to join us and get repairing help please sign in or sign up by completing a simple electrical test
or write your question to the Message board without registration.
You can write in English language into the forum (not only in Hungarian)!

E-Waste Reduce