Service manuals, schematics, eproms for electrical technicians

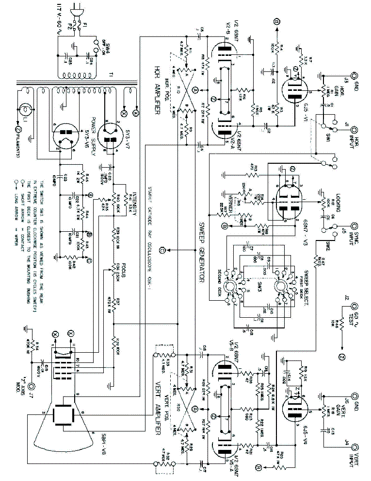
STARK VMK4 VTVM CSVM SCH

METER - SERVICE MANUAL
Type: (JPG)
Size
254.9 KB
Page
---
Category
METER
SERVICE MANUAL
If you get stuck in repairing a defective appliance download this repair information for help. See below.
Good luck to the repair!

Please do not offer the downloaded file for sell only use it for personal usage!

Looking for similar stark manual?
Document preview [1st page]
No preview item


No preview item for this file.

Possible causes:
  • No preview picture generated yet.
  • It is not a pdf file.
Advertisements
Download free of charge (10 files / day):
Download is being processed. Please wait...
Download processing...
  • Also known:
    STARK VMK-4 CSVM VMK4 VTVM VMK
  • If you have any question about repairing write your question to the Message board. For this no need registration.
  • If the site has helped you and you also want to help others, please Upload a manual, circuit diagram or eeprom that is not yet available on the site.
    Have a nice Day!
  • See related repair forum topics below. May be help you to repair.
Warning!
If you are not familiar with electronics, do not attempt to repair!
You could suffer a fatal electrical shock! Instead, contact your nearest service center!

Note! To open downloaded files you need acrobat reader or similar pdf reader program. In addition, some files are archived,
so you need WinZip or WinRar to open that files. Also some files are djvu so you need djvu viewer to open them.
These free programs can be found on this page: needed progs
If you use opera you have to disable opera turbo function to download file!
If you cannot download this file, try it with CHROME or FIREFOX browser.
Translate this page:
Relevant METER forum topics:
Elmaradt. RFT EO213 oszcilloszkóp "Y" erősítő tuningolása (Eredeti: 10 Mhz). Lehetséges? Ha igen, hogyan?
Szerbusztok! A KS cső nem alkalmas 15 mega fölötti használatra... Sikerült szert tennem egy RFT EO213 oszcilloszkópra. Kivakartam a koszból és megjavítottam. Azonban a forgókapcsolói a belefújt majd fél tubusnyi Tuner600 ellenére kontakt hibásak. Sajnos szét kell szerelnem és az érintkezőket le kell sikálnom.. Álom meló. De, ha már úgyis ki kell építeni és szanaszét fogom szedni, akkor talán érdemes lenne valamit tenni a 10 Mhz sávszélesség kitologatására. A neten annyit sikerült találnom, hogy a feteket érdemes cserélni és máris jobb. Nos hát most felteszem itt is a kérdést! A nálam okosabb, tapasztaltabb kollégák mit mondanak, mit tegyek a cél érdekében? Köszönöm! http://www.radiomuseum.org/r/conrad_voltcraft_oszilloskop_202.html
MAXWELL MX-25 304 digit. műszer hitelesítése
üdv:keresem a címbeli műszer rajzát vagy hitelesítési útmutatóját. Bálint
ST16A oszciloszkóp javitása
Jó estét kívánok mindenkinek.
A képeken látszódó alkatrész adataira lenne szükségem. Úgy gyanítom hogy rossz. Hol lehetne beszerezni egy ilyet. Esetleg ha valaki ismeri milyen ellenállás értékek kellene mérhetőek legyenek a lábai között. 
Siemens Multizet akkumulátor
Sziasztok! Az alábbi linken látható műszerbe keresek akkut. Az egyik fotón látszik, egy 2,7 és egy 4,05 V-os akku kell bele. Itthon nem találtam sehol, pedig áttúrtam a netet. Tudnátok esetleg ajánlani egy boltot, vagy esetleg valamilyen alternatív megoldást? http://www.radiomuseum.org/r/siemens_multizet_v.html Köszönöm! Üdv.: nils
Similar manuals:
If you want to join us and get repairing help please sign in or sign up by completing a simple electrical test
or write your question to the Message board without registration.
You can write in English language into the forum (not only in Hungarian)!

E-Waste Reduce