Service manuals, schematics, eproms for electrical technicians

PHILIPS SAMSUNG 2K7 50INCH PDP S50HW-YD05 TROUBLESHOOTING VER1

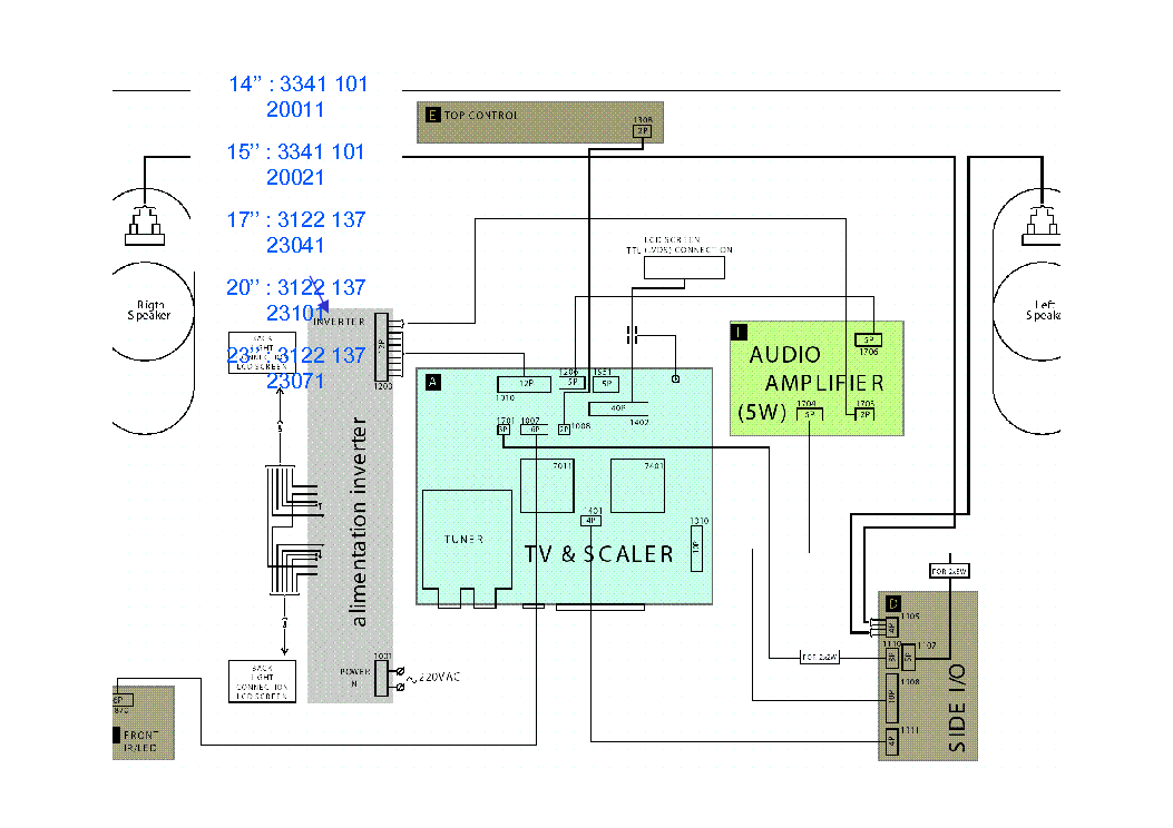
TV - INFO-TIPS
Type: (PDF)
Size
277.6 KB
Page
4
Category
TV
INFO-TIPS
If you get stuck in repairing a defective appliance download this repair information for help. See below.
Good luck to the repair!

Please do not offer the downloaded file for sell only use it for personal usage!

Looking for similar philips manual?
Advertisements
Document preview [1st page]
PHILIPS SAMSUNG 2K7 50INCH PDP S50HW-YD05 TROUBLESHOOTING VER1 service manual (1st page)
Preview of PHILIPS SAMSUNG 2K7 50INCH PDP S50HW-YD05 TROUBLESHOOTING VER1 [1st page]
Click on the link for free download!
Document preview [2nd page]
PHILIPS SAMSUNG 2K7 50INCH PDP S50HW-YD05 TROUBLESHOOTING VER1 service manual (2nd page)
Preview of PHILIPS SAMSUNG 2K7 50INCH PDP S50HW-YD05 TROUBLESHOOTING VER1 [2nd page]
Click on the link for free download!
Advertisements
Download free of charge (10 files / day):
Download is being processed. Please wait...
Download processing...
  • Also known:
    PHILIPS SAMSUNG PDP 2K7 50INCH S50HWYD05 50 INCH HWYD 05 S50HW YD05 S50HW-YD05
  • If you have any question about repairing write your question to the Message board. For this no need registration.
  • If the site has helped you and you also want to help others, please Upload a manual, circuit diagram or eeprom that is not yet available on the site.
    Have a nice Day!
  • See related repair forum topics below. May be help you to repair.
Warning!
If you are not familiar with electronics, do not attempt to repair!
You could suffer a fatal electrical shock! Instead, contact your nearest service center!

Note! To open downloaded files you need acrobat reader or similar pdf reader program. In addition, some files are archived,
so you need WinZip or WinRar to open that files. Also some files are djvu so you need djvu viewer to open them.
These free programs can be found on this page: needed progs
If you use opera you have to disable opera turbo function to download file!
If you cannot download this file, try it with CHROME or FIREFOX browser.
Translate this page:
Relevant TV forum topics:
Philips 26PF4311S/10 12 hiba kód
Üdv. Mindenkinek . A fenti Philips LC4.31EA béléssel bemelegedéskor szabálytalanul időnként egy pillanatra ki-be kapcsolgatott (másodperc töredéke ) és a hibával nem igen tudtam mit kezdeni , mert k.h-ra nem reagált. Egész napos járatás után most kikapcsolt és ismételve 1 utána 2 pislogás azt szünet ami a nagy könyv szerint "error while comunicating with íBoard uP (only iTV sets) " ha jó értelmezem hiba kód olvasását Most kikapcsolás után már be sem kapcsol készenlétből , de nem is villog hiba kódot , csak folyamatosan pirosat világít. Valami ötlet ?
Philips 28PT800b Fl1.17 táp hiba
A fent nevezett készülék egy pillanatra ad NF-et és leáll, készenlét megmarad. Újra indítva ugyan ezt csinálja, már régebben fent volt ez a hibám, akkor írták hogy az smd tranzisztorokat cseréljem ki, a 75k ellenállást is kicseréltem. A hiba megmaradt, de erről a kis táppanelről nem találok rajzot ( vagy én nem találom a manuálban? ) Mert lepróbáltam egy másik tv paneljával úgy működött, de a másikm készüléket már elvitték. Lehet hogy az smd diódák lennének rosszak? Ha valaki tudna rajzot, vagy tippet adni nagyon megköszönném.
PHILIPS 21GR2556/42B
Hibajelenség előzőleg:zárlatos BUT11AF, nyüszitő táp.Ennek cseréje után, függőleges eltérités és a 14+ Volt teljes hiánya.Bekapcsolva egy ideig villogó led.A BD939F és a BD 941F ágában 100Volt körül volt a ~47V-48V helyett.A szintén zárlatos BD939F 3db ellenálás és még egy tranzisztor cseréje után visszatért a függőleges eltérités.A képernyő tetején a 3 alapszinből egy vizszintes csik van.Sötéten megjelenik a csatornaszám jelzés is, távirányitóval lehet léptetni is.A led mostmár nem villog.Elkezdtem méregetni a feszültségeket, de időközben kikapcsolt standby módba.Távirányitóval visszakapcsoltam.Azóta azt csinálja hogy időközönként elmegy az eltérités és visszajön.Az összes kondit kicseréltem és szinkron ic-ből is tettem bele újat.Ellenállásokat átnézve mind jónak tünik. Mikor elmegy az eltérités a 3465 számú ellenálásnál 1. jelzésnél fix ~14+V van.Mig 2. jelzésnél leesik 9.6V-ra 12.9V-ról
Philips 46PFL8007 képernyő fele villódzik MEGOLDVA
Sziasztok!
A tévém a mellékelt fotón látható hibát produkálja.  Időnként a teljes kijelző is villódzik. Alig van használva, fél éve be sem volt kapcsolva. Utoljára jó volt.
Véleményetek szerint érdemes vele foglalkozni? Kijelző hiba lehet vagy más egység? 
Köszi!
nils

Megoldás: az alaplapi processzor újragolyózása után a tévé tökéletesen működik. Ezer köszönet mosomedve fórumtársnak, ő végezte a javítást. 
Similar manuals:
If you want to join us and get repairing help please sign in or sign up by completing a simple electrical test
or write your question to the Message board without registration.
You can write in English language into the forum (not only in Hungarian)!

E-Waste Reduce