Service manuals, schematics, eproms for electrical technicians

STANDARD-WIEN FERRANDO RADIO 1951 SCH

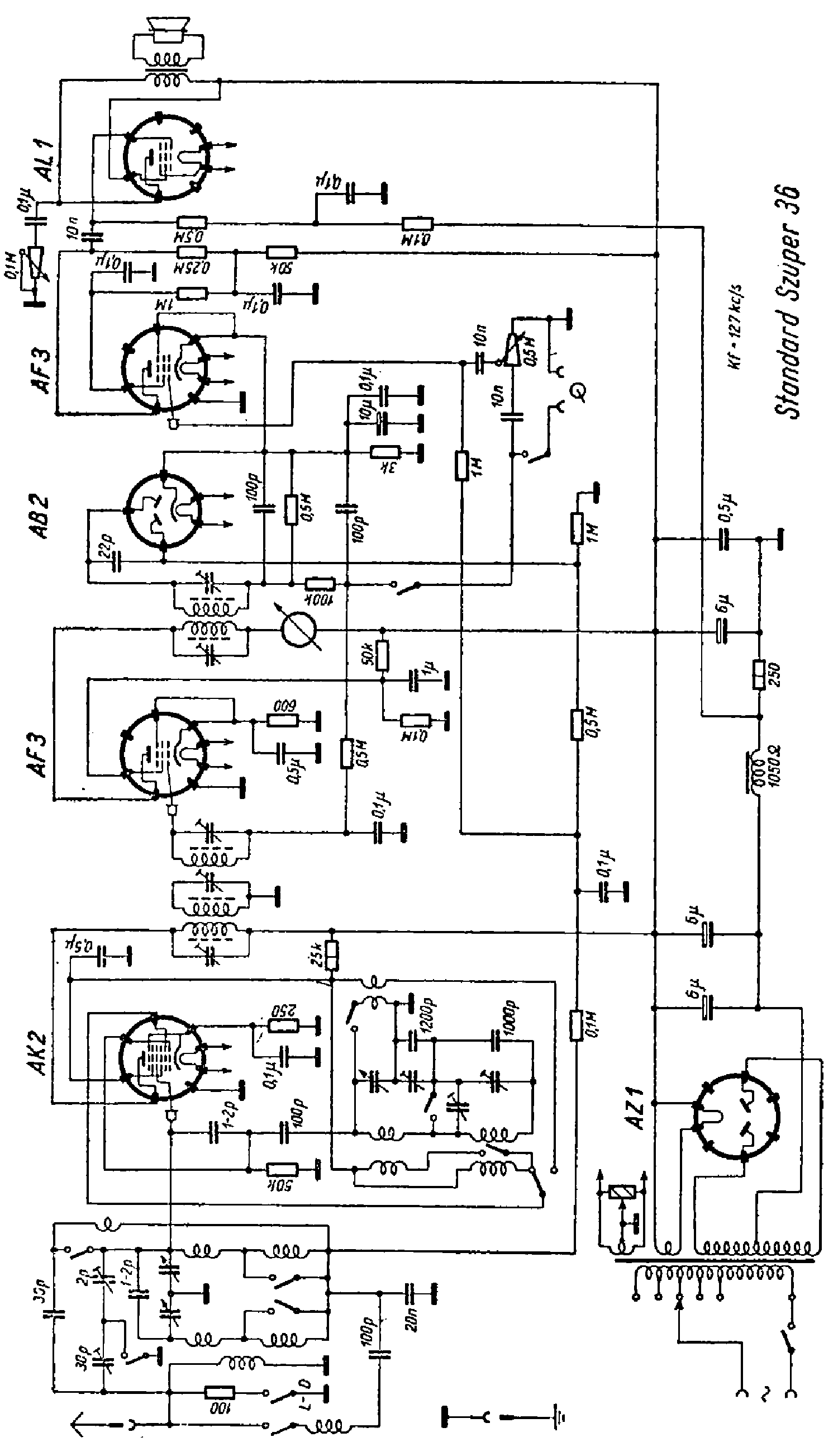
AUDIO - SERVICE MANUAL
Type: (GIF)
Size
102.6 KB
Page
---
Category
AUDIO
SERVICE MANUAL
If you get stuck in repairing a defective appliance download this repair information for help. See below.
Good luck to the repair!

Please do not offer the downloaded file for sell only use it for personal usage!

Looking for similar standard manual?
Document preview [1st page]
No preview item


No preview item for this file.

Possible causes:
  • No preview picture generated yet.
  • It is not a pdf file.
Advertisements
Download free of charge (10 files / day):
Download is being processed. Please wait...
Download processing...
  • Also known:
    FERRANDO RADIO 1951 STANDARD WIEN
  • If you have any question about repairing write your question to the Message board. For this no need registration.
  • If the site has helped you and you also want to help others, please Upload a manual, circuit diagram or eeprom that is not yet available on the site.
    Have a nice Day!
  • See related repair forum topics below. May be help you to repair.
Warning!
If you are not familiar with electronics, do not attempt to repair!
You could suffer a fatal electrical shock! Instead, contact your nearest service center!

Note! To open downloaded files you need acrobat reader or similar pdf reader program. In addition, some files are archived,
so you need WinZip or WinRar to open that files. Also some files are djvu so you need djvu viewer to open them.
These free programs can be found on this page: needed progs
If you use opera you have to disable opera turbo function to download file!
If you cannot download this file, try it with CHROME or FIREFOX browser.
Translate this page:
Relevant AUDIO forum topics:
Tesla B100a
Sziasztok, A kivezérlésjelző műszerek mono jelbemenet esetén és azonos potméterállásnál jelentősen eltének. Kapcsolási rajzot letöltöttem, de baállítási értékek hiányában nem szeretnék beleberhelni. Létezik-e szervízkönyve? Tud valaki segíteni? András
AVA Model 2A csöves végfok beállítása
Sziasztok ! Szeretnék segítséget kérni, hogy pontosan mi a menete a képen látható AVA Model 2A végfok beállításának, a végfok csövek 2-2 db párhuzamosan push pullba kapcsolt EL84, a katód áram a gyártó ajánlása szerint 30 mA. Gondolom az egyik potival a negatív elő feszültség nagyságát állítom a másikkal pedig a két oldal szimetriáját lehet beállítani. Ez a 30mA csövenként vagy oldalanként értendő. Illetve mi a beállítás pontos menete ? Előre is köszönöm a válaszokat. Üdv: Antal
BMW 630i rádió.
Üdvözletem Mesterek ! Némi segítséget kérnék. Az említett BMW 630i gépből a rádiót szeretném kivenni. Egy robbantott rajz a kiszedéshez igen jól jönne. Nagy navis 2008-s . Valamint egy MUTE szálat keresnék, mivel Trafipax jelzőt és társait építenénk . Ami fontos az azonosításhoz :CV75328. Segítséget előre is megköszönve. Tisztelettel:Öreg T.
Neckermann Dynamic stereo 826/80 végfok halk--megoldva
Sziasztok! Restaurálnom kell egy ilyen zeneszekrényt, amelyben a végfok katódellenállás megpörkölődött és megnyúlt. Rajzot nem találok hozzá, viszont a 821/72 a Radiomuseum oldalán fent van, úgy nézem ugyanaz a sasszi - ha valaki regisztrálva van ott megtenné hogy megnézi nekem az ellenállás értékét ?
Similar manuals:
If you want to join us and get repairing help please sign in or sign up by completing a simple electrical test
or write your question to the Message board without registration.
You can write in English language into the forum (not only in Hungarian)!

E-Waste Reduce