Service manuals, schematics, eproms for electrical technicians

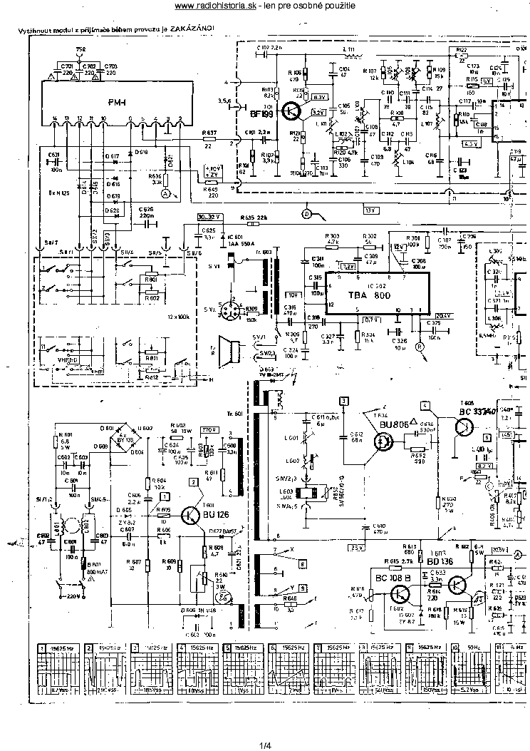
VIDEOTON ELEKTRON 220 TA 5203-3214

TV - SERVICE MANUAL
Type: (ZIP)
Size
1.5 MB
Page
---
Category
TV
SERVICE MANUAL
If you get stuck in repairing a defective appliance download this repair information for help. See below.
Good luck to the repair!

Please do not offer the downloaded file for sell only use it for personal usage!

Looking for similar videoton manual?
Document preview [1st page]
No preview item


No preview item for this file.

Possible causes:
  • No preview picture generated yet.
  • It is not a pdf file.
Advertisements
Download free of charge (10 files / day):
Download is being processed. Please wait...
Download processing...
  • Also known:
    VIDEOTON ELEKTRON 220 TA 52033214 5203 3214 5203-3214
  • If you have any question about repairing write your question to the Message board. For this no need registration.
  • If the site has helped you and you also want to help others, please Upload a manual, circuit diagram or eeprom that is not yet available on the site.
    Have a nice Day!
  • See related repair forum topics below. May be help you to repair.
Warning!
If you are not familiar with electronics, do not attempt to repair!
You could suffer a fatal electrical shock! Instead, contact your nearest service center!

Note! To open downloaded files you need acrobat reader or similar pdf reader program. In addition, some files are archived,
so you need WinZip or WinRar to open that files. Also some files are djvu so you need djvu viewer to open them.
These free programs can be found on this page: needed progs
If you use opera you have to disable opera turbo function to download file!
If you cannot download this file, try it with CHROME or FIREFOX browser.
Translate this page:
Relevant TV forum topics:
Keresek ELSŐ szériájú Videoton TC-1620OC Mini Vidihez nyák beültetési rajzot
Helló ! Kedves kollégák, keresek ELSŐ szériájú (az AU108 végfok tranzisztoros) Videoton TC-1620OC Mini Vidihez, jól olvasható, nyák beültetési rajzot ! Olyasmire gondolok, mint valami szerviz manuálból kimásolt vagy 300 dpi-vel normálisan kiszkennelt beültetési rajz. Az itt levő TC-1620-as rajzokban ez nincs benne ! 

Minden megoldás érdekel és köszönöm. Ahogy tudok, jövök ide. Addig is a hummer@enternet.hu emilre várok jelentkezést, azt minden nap nézem. Köszönöm.
videoton l42wp20 megoldva
Sziasztok Javított már valaki ilyet én bevallom nem és nem tudom hogy mire számítsak. Holnap rá kellene néznem , hibajenleség hogy csak standby van. Esetleg rajz vagy némi infó jól jönne hogy milyen sasszi van benne mert a neten semmit nem lelek rola. Előre is köszönöm
VIDEOTON TS 3353 TXT hang nélkül néhány másodpercig müködik, kikapcsol, ismételten próbál újraidulni
Köszöntök Mindenkit! Most kaptam a fent megnevezett TV-t ( hibajelenség a címben leírva)azzal a megjegyzéssel, biztos rossz a trafó, ha kell ,vidd el. Sajnos Tanyán nem találtam rajzot, ezért ha valaki tud segíteni egy térképpel, szivesen venném. A javítása nem sürgös, de sajnálnám néhány alkatrész miatt - ami felhasználható adott esetben - szétszedni. Üdv! welding alt Térképet a térképboltból, Rajzot a tanyáról! (Ugye, hogy fent volt!) Kalex
Videoton TS2822 TXT-OSD-ST nem indul el
Üdvözlök mindenkit! Ez elméletileg egy ch:VT93 chassis (bár nincs feliratozva sehol), 66-os csővel. Készenlétben Usys=133V-on áll és kicsit zajosan cicereg a táp, majd indításkor 145V-on elindulna, de le is áll, talán letilt valami. A többi feszültség is indul egy pillanatra. Műterheléssel (izzó) nem igazán tesztelhető, csak 113V-on pulzál (hallható) a táp. (A tulaj szerint fél órás szenvedtetés után néha még beindult egyszer-egyszer, akkor viszont rendben ment akár több óráig is.) Zárlatot nem találtam, táp kikondizva. Előre is köszi a segítséget! Üdv: fridiszerviz
Similar manuals:
If you want to join us and get repairing help please sign in or sign up by completing a simple electrical test
or write your question to the Message board without registration.
You can write in English language into the forum (not only in Hungarian)!

E-Waste Reduce