Service manuals, schematics, eproms for electrical technicians

VIDEOTON TS4325 TV

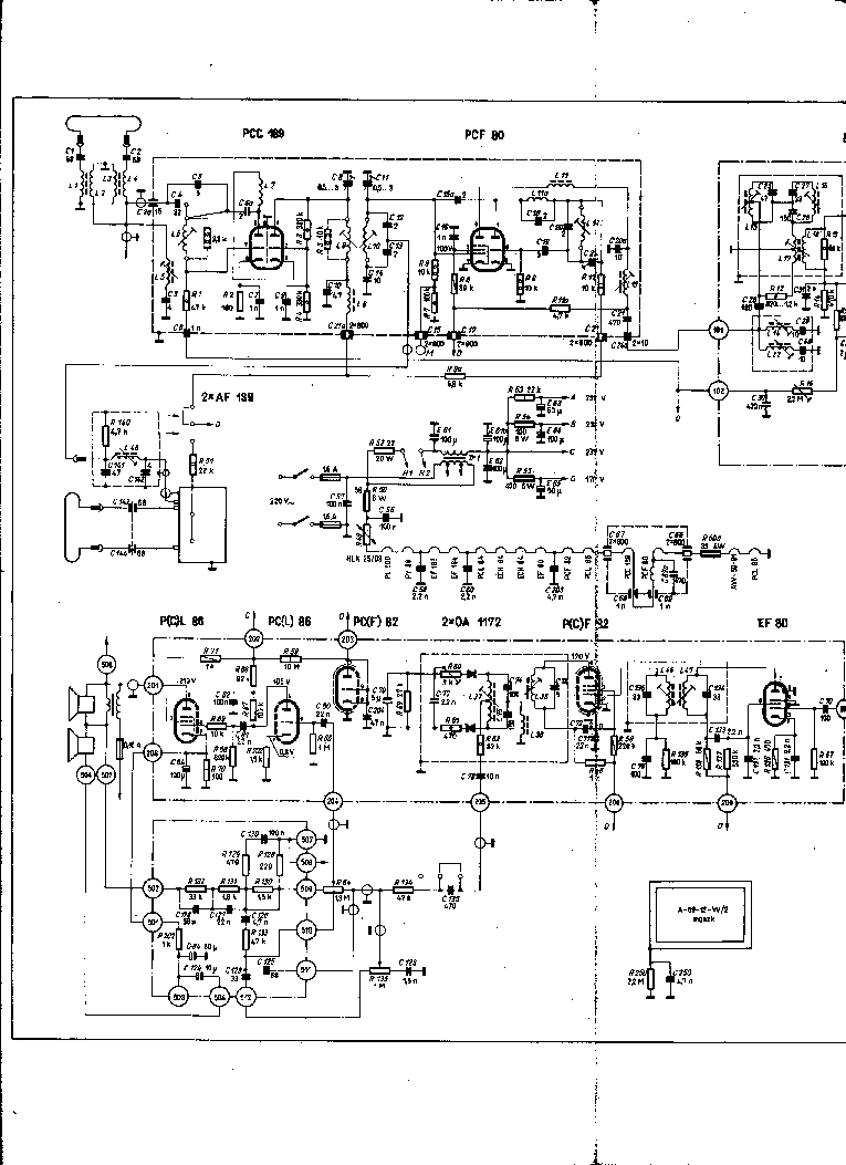
TV - SERVICE MANUAL
Type: (RAR)
Size
760.5 KB
Page
---
Category
TV
SERVICE MANUAL
If you get stuck in repairing a defective appliance download this repair information for help. See below.
Good luck to the repair!

Please do not offer the downloaded file for sell only use it for personal usage!

Looking for similar videoton manual?
Document preview [1st page]
No preview item


No preview item for this file.

Possible causes:
  • No preview picture generated yet.
  • It is not a pdf file.
Advertisements
Download free of charge (10 files / day):
Download is being processed. Please wait...
Download processing...
  • Also known:
    VIDEOTON TS-4325 TS4325 TV TS 4325
  • If you have any question about repairing write your question to the Message board. For this no need registration.
  • If the site has helped you and you also want to help others, please Upload a manual, circuit diagram or eeprom that is not yet available on the site.
    Have a nice Day!
  • See related repair forum topics below. May be help you to repair.
Warning!
If you are not familiar with electronics, do not attempt to repair!
You could suffer a fatal electrical shock! Instead, contact your nearest service center!

Note! To open downloaded files you need acrobat reader or similar pdf reader program. In addition, some files are archived,
so you need WinZip or WinRar to open that files. Also some files are djvu so you need djvu viewer to open them.
These free programs can be found on this page: needed progs
If you use opera you have to disable opera turbo function to download file!
If you cannot download this file, try it with CHROME or FIREFOX browser.
Translate this page:
Relevant TV forum topics:
Videoton c2911-am tv nincsenek szinek.
Üdv mindenkinek. Van egy Videoton c2911-am tv ami a képen látható jelenséget produkálja. Kép 1 Kép 2 Van valakinek valami ötlete mi lehet a problémája? Válaszotokat köszönöm. Üdv:Gábor
Videoton ts 3351
Üdvölet minden kedves fórumozónak! Szereztem pár nem működő videoton tv-t, ezeket szeretném működőképessé varázsolni. Az első egy videoton ts 3351-es lenne icc 5 sasszi. A hibajelenség az, hogy nem indul a készülék, mikor bekapcsolom. Semmi hangot nem ad, piros led sem világít. Amikor kihúzom az áramból, felvillan a piros led. Tudom, hogy régi a készülék, ezért az emlékek felkutatásához annyi infót tudok még adni, hogy a doboza fa, a káva és a hátlap műanyag, a fókuszt és a g2-őt a képcsővégi panelon lehet állítani. Mit mérjek, mit cseréljek és pontosan hogyan csináljam? Sajnos nagyon amatőr vagyok még. Köszi a válaszokat! Üdv! Árpád
Videoton ICC5 AV
Udv, Urak!
Egy megmentett Videotonnal szenvedek. A hatlapon mar nem volt matrica. A NYAK szerint ICC5, mono, 35 programhelyes, VHF/UHF, S1-20-as csatornakat tud venni, teletext modulos.
Talatam hozza tavot, az AV gonbra "latszolag kapcsol", ket allasa van. A|_| (AV) es a masiknal 3 vizszintes vonal az A utan (RGB?). AV allasban, a tunerral vett csatorna kepe megmarad, a hang lekapcsol. Ha kap 12V-os kapcsolojelet, akkor latszik az AV-rol a jel (tuner kepe helyett) es van hang is. Ha a 12V megszunik, lekapcsol a video bemelet...
Ez igy normalis vagy keressek hibat?

Kiegeszites: a szinmodulon TDA4556 es TEA5040 van. Be sem tudom azonositani. :)

 
VIDEOTON TS 3353 TXT hang nélkül néhány másodpercig müködik, kikapcsol, ismételten próbál újraidulni
Köszöntök Mindenkit! Most kaptam a fent megnevezett TV-t ( hibajelenség a címben leírva)azzal a megjegyzéssel, biztos rossz a trafó, ha kell ,vidd el. Sajnos Tanyán nem találtam rajzot, ezért ha valaki tud segíteni egy térképpel, szivesen venném. A javítása nem sürgös, de sajnálnám néhány alkatrész miatt - ami felhasználható adott esetben - szétszedni. Üdv! welding alt Térképet a térképboltból, Rajzot a tanyáról! (Ugye, hogy fent volt!) Kalex
Similar manuals:
If you want to join us and get repairing help please sign in or sign up by completing a simple electrical test
or write your question to the Message board without registration.
You can write in English language into the forum (not only in Hungarian)!

E-Waste Reduce